Oil over fill

2000 CHEVROLET TRUCK
75,000 MILES • 7.4L • V8 • 2WD • AUTOMATIC
Avatar
PALLETTAGGER
  • MEMBER
  • 2 POSTS
I have a work horse 7.4 liter and had the oil changed it calls for six quarts of oil and they had put seven quarts in it and I did not know until I drove it and it started smoking and leaking oil. I drained about a quart out but now I have oil leaks and my oil pressure gauge shows zero pressure when it idles and below 40 when driving it, plus my check gauges light comes on when it idles.
What kind of damage could this have done?
It seems it is leaking out or around the oil sensor.
Also, would not the mechanic auto shop be responsible for and damages that may have occurred?
Thank you.
Geri
Jun 3, 2018 at 4:40 PM
Advertisement
Avatar
JACOBANDNICKOLAS
  • CERTIFIED EXPERT
  • 110,175 POSTS
Hi and thanks for using 2CarPros.com. Honestly, it sounds like the oil pressure switch itself has failed. I personally cannot imagine the over fill caused it, but that does not mean it is not possible. What is happening is the sensor/switch is leaking from the crimp. The result is loss of oil and an indication of lost pressure. The pressure should still be fine, it is just reading low because of a leak at the sensor/switch.

Should the shop be responsible? That is a tough call. I have no prior knowledge of the vehicle that could lead me to believe it was or was not leaking already prior to the service. I do not know if this helps or not, but if you were a regular customer at my shop, I would replace the sensor (which is not expensive) to try and make things right. That is me.

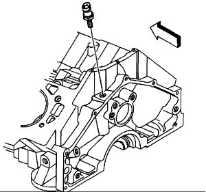
If you decided to do it yourself, here are directions and pics to locate the component.

SERVICE AND REPAIR
Removal Procedure
Tools Required
J 25254-10A Oil Pressure Sensor Socket
Disconnect the electrical connector from the engine pressure sensor/switch.
Remove the oil pressure sensor using J 25254-10A.
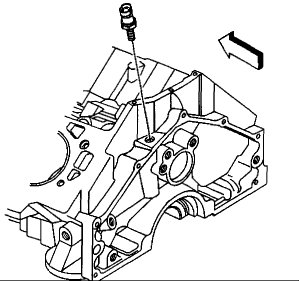
Installation Procedure
Tools Required
J 25254-10A Oil Pressure Sensor Socket
Install the oil pressure sensor.
Hold the oil pressure sensor fitting with a wrench to prevent from turning.
Using J 25254-10A tighten the oil pressure sensor to 30 Nm (22 ft. lbs.) .
Install the electrical connector.


Let me know if you have other questions. Also, I would like to know how things work out for you.

Take care,
Joe
Jun 3, 2018 at 5:29 PM
Avatar
PALLETTAGGER
  • MEMBER
  • 2 POSTS
Hi.
Contacted the auto shop today, they said to bring it back in. It had no leaks before they did the oil change, they even stated this fact when it was picked up at that time.
An over fill of oil can cause significant damage, I am surprised you are making it sound like it is no big deal?
They will fix this to 100% as it was before I took it into them for the oil change or they will find themselves in court.
This is a rooky mistake and should not happen at a "professional" auto mechanic shop and it should not matter if it is a one time customer or a regular.
Jun 4, 2018 at 7:21 PM
Advertisement
Avatar
JACOBANDNICKOLAS
  • CERTIFIED EXPERT
  • 110,175 POSTS
Not that it is not a big deal at all. Over filling the oil is not a good thing, but it will not cause the sensor to start leaking. The pump produces only so much pressure regardless. Now that does not mean they did not damage the sensor in a different way.

If they say bring it back, that is a good thing. That is what I would have done.

Good luck, and like you, I would be upset too.
Jun 4, 2018 at 8:18 PM
Avatar
PALLETTAGGER
  • MEMBER
  • 2 POSTS
Okay.
They replaced the oil sending unit, but my oil pressure reads very low after the engine warms up. Starts at 40 and drops down to like 5 or 10 any ideas on whats causing this?
Could the oil pump have been effected?
Everything was fine before I had them change the oil.
They used 5w 30 is this maybe to light an oil?
Jun 17, 2018 at 3:18 PM
Avatar
STRAILER
  • CERTIFIED EXPERT
  • 53,855 POSTS
Hello,

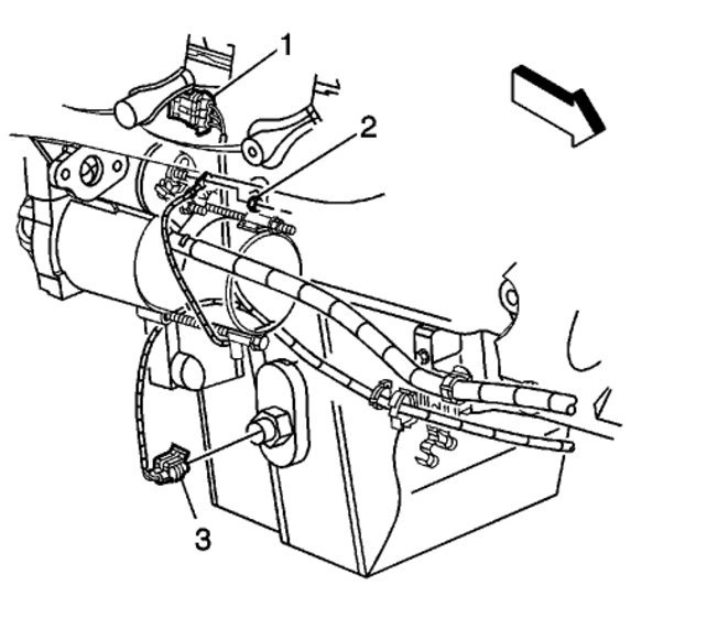
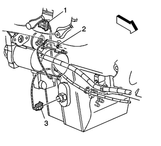
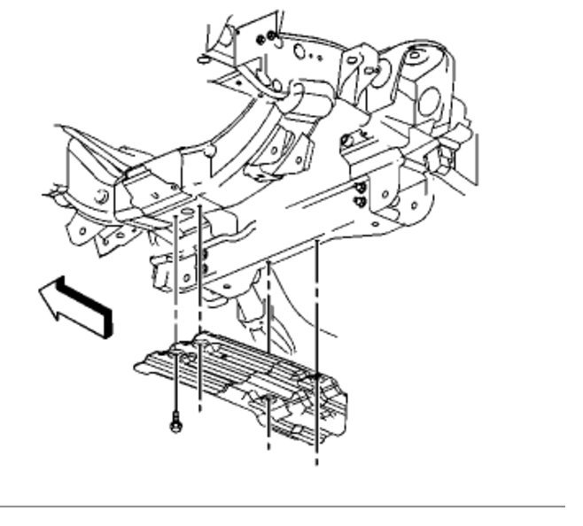
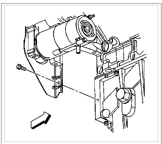
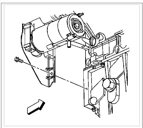
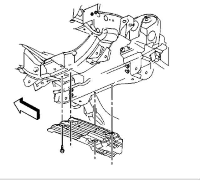
One of two things could have happened either the oil pump regulator spring it stuck or the oil pump pick up is clogged. Either way the oil pump must be changed. Here are diagrams to help you with the job.

Check out the diagrams (below). Please let us know what you find.

Cheers, Ken
Jun 21, 2018 at 1:01 PM