Oil pressure sensor keeps going bad

2010 GMC SIERRA
145,000 MILES • 5.3L • V8 • 2WD • AUTOMATIC
Avatar
PETE C
  • MEMBER
  • 1 POST
I have changed the oil pressure sensor for the third time and also the screen inside of it. Except the last time I remove it and did not put it back. Can someone explain why it keeps going bad.
Mar 18, 2020 at 1:10 PM
Advertisement
Avatar
JACOBANDNICKOLAS
  • CERTIFIED EXPERT
  • 110,175 POSTS
Hi,

What is happening? Is it leaking or a different issue? Also, let me know the brand you are using.

Joe
Mar 18, 2020 at 1:25 PM
Avatar
ASEMASTER6371
  • CERTIFIED EXPERT
  • 52,796 POSTS
Good afternoon,

I attached the procedure for you and some pictures.

As far as the constant failure, what brand switch are you using? Quality matters with parts. I would use an OEM from the dealer. That will last the longest.

Roy

Engine Oil Pressure Sensor and/or Switch Replacement

Special Tools

J 41712 Oil Pressure Switch Socket

Removal Procedure


imageOpen In New TabZoom/Print

1. Remove the intake manifold. Refer to Intake Manifold Replacement (Without AFM) (See: Intake Manifold > Removal and Replacement)Intake Manifold Replacement (With AFM) (See: Intake Manifold > Removal and Replacement).
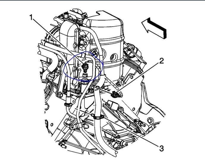
2. Disconnect the engine harness electrical connector (1) from the oil pressure sensor.


imageOpen In New TabZoom/Print

3. If not equipped with active fuel management perform the following step, using J 41712 or equivalent, remove the oil pressure sensor (706) and washer (707).


imageOpen In New TabZoom/Print

4. If equipped with active fuel management perform the following step, using J 41712 or equivalent, remove the oil pressure sensor (706) and washer (707).
Mar 18, 2020 at 1:28 PM
Advertisement
Avatar
KASEKENNY
  • CERTIFIED EXPERT
  • 18,907 POSTS
Just to add something I have seen in a variety of vehicles including GMC is when there is metal or other material in the oil it causes pressure issues. It can be very intermittent but usually the sensor and/or pump get replaced repeatedly.

I would suggest changing the oil and inspecting it and cutting the filter open to see if there is metal.

Clearly depending on why you keep determining the sensor is the issue this may not apply but if you are seeing a pressure issue, I would suspect there is something else in the oil causing pressure issues.

If you find metal then we need to determine the source of that or the issue will not be resolved.

Thanks
Mar 18, 2020 at 1:47 PM