Intermittent oil pressure warning light

2014 FORD EDGE
120,000 MILES • 3.5L • 6 CYL • 2WD • AUTOMATIC
Avatar
JTBRANCH
  • MEMBER
  • 2 POSTS
light come on and goes off intermittently.
Feb 10, 2020 at 3:29 PM
Advertisement
Avatar
JOETECHPRO
  • CERTIFIED EXPERT
  • 705 POSTS
Hey JTBRANCH,

Sounds like you may have an issue with the oil pressure switch or wiring.

I have attached the instructions for replacing the oil pressure switch.
I have also attached a picture of the location.

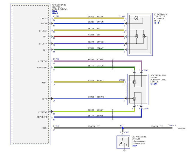
The engine oil pressure switch simply grounds a wire from the PCM when the engine oil pressure exceeds a minimum operating value.

If the connection is bad or the there is an intermittent open in the wiring you would also have this problem.

I have attached the wiring diagram for the oil pressure switch. There is one grey wire that runs from the PCM.

I would advise checking the connection on the oil pressure switch and if okay replacing the switch and retesting.

Regards, Joe
Feb 10, 2020 at 4:15 PM
Avatar
JACOBANDNICKOLAS
  • CERTIFIED EXPERT
  • 110,175 POSTS
Hi,

Is the engine oil clean and full? Do you have a quality oil filter installed? Are there any oil leaks that you see?

Let me know.
Joe
Feb 10, 2020 at 4:15 PM
Advertisement
Avatar
JTBRANCH
  • MEMBER
  • 2 POSTS
Oil and filter are fresh, no leaks are visible. Can a shade tree mechanic replace the switch easily?
Feb 10, 2020 at 8:41 PM
Avatar
JOETECHPRO
  • CERTIFIED EXPERT
  • 705 POSTS
Hey JTBRANCH,

Yes replacing the oil pressure switch is a fairly simple job.

Get it replaced and let us know how the result.

Best of luck.

Regards, Joe
Feb 10, 2020 at 10:04 PM