Only first gear works, codes p0732 and p0700

2001 DODGE INTREPID
216,848 MILES • 3.5L • V6 • 2WD • AUTOMATIC
Avatar
SHADETREE102
  • MEMBER
  • 18 POSTS
My car has sat for a few years, driven every couple months or so by a loved one, just to keep her in shape. Ran great. Loved one said that during a routine drive it started down shifting on its own, then would not leave second gear. Made it home safe and sound. Next drive it would not go in reverse. When I get my hands on it, I use auto stick and first and third have action. Still no reverse and when put in second, it will not leave second unless you leave auto stick. When you put it in drive, it is stuck in second. You can tell because second makes a faint "loping" rumble. Turn it off and on, the process repeats itself. Trouble code p0732 (second gear ratio incorrect) and p0700 (Transmission Control System - MIL Request).
Sep 8, 2018 at 1:54 PM
Advertisement
Avatar
STRAILER
  • CERTIFIED EXPERT
  • 53,855 POSTS
Hello,

It sounds like one of two things could be happening first the input shaft speed sensor can be off causing the codes or you have a TCM that is out. I would first try removing the electrical connectors from the TCM and check for corrosion on the terminals.

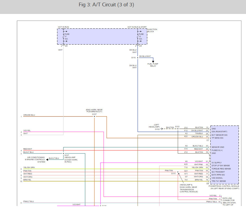
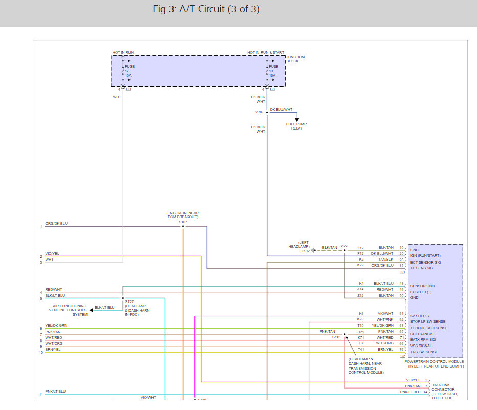
Here is the location of the sensor and the TCM so you can see whats going on.

Check out the diagrams (below). Please let us know what happens.

Cheers, Ken
Sep 10, 2018 at 11:35 AM
Avatar
SHADETREE102
  • MEMBER
  • 18 POSTS
I forgot to add that it is the R/T 3.5L, but I think it is the same in that diagram. Just got it onto the jack stands to check out what you advised and a thunderstorm began rolling in. I am shade-tree for real. Lol! Will let you know how it goes when I get to it. Thanks!
Sep 10, 2018 at 12:46 PM
Advertisement
Avatar
STRAILER
  • CERTIFIED EXPERT
  • 53,855 POSTS
Lol, yep a little tough in the rain. Please let me know. :)
Sep 11, 2018 at 11:10 AM
Avatar
SHADETREE102
  • MEMBER
  • 18 POSTS
I just crawled out from under her and all the connectors look new on the inside. I am not sure if it matters, but with the front end jacked up, the second gear noise seems louder. Perhaps being further from the ground has that effect. what do you think Mr Ken?
Sep 17, 2018 at 4:05 PM
Avatar
STRAILER
  • CERTIFIED EXPERT
  • 53,855 POSTS
Can you please shoot a quick video with your phone so we can hear the noise? That would be great. You can upload it here with your response. That way I can tell you if it is an issue or not. Also, did you try the speed sensor?
Sep 18, 2018 at 10:25 AM
Avatar
SHADETREE102
  • MEMBER
  • 18 POSTS
I have not changed the sensors. How can you tell if they are bad? I will get you that video ASAP.
Sep 18, 2018 at 10:41 AM
Avatar
SHADETREE102
  • MEMBER
  • 18 POSTS
Here is the video:
Sep 18, 2018 at 2:58 PM
Avatar
STRAILER
  • CERTIFIED EXPERT
  • 53,855 POSTS
Great work on the video. :) I do not think a turbine sensor is the problem it looks more like the TCM has gone bad, but to be sure lets run the codes and check for power and ground at the TCM. Here are three guides to help us run some tests and the TCM wiring diagrams and the location (above):

https://www.2carpros.com/articles/checking-a-service-engine-soon-or-check-engine-light-on-or-flashing

and

https://www.2carpros.com/articles/how-to-check-wiring

Confirm power and ground at the TCM check fuses and the transmission control relay.

https://www.2carpros.com/articles/how-to-check-an-electrical-relay-and-wiring-control-circuit

Remove the electrical, connector to check for corrosion and the TCM as well. Check out the diagrams (below). Please run some tests and get back to us.
Sep 19, 2018 at 3:59 PM
Avatar
SHADETREE102
  • MEMBER
  • 18 POSTS
Wow, this is great information! I will start working on it tomorrow if I have time. I was talking to my above stated loved one (aka Pawpaw), and he said that it started running hot and had a shop replace the thermostat. The mechanic had a hard time purging it, but did it "successfully". On the way home from the shop is when this problem began. I am going to see if the mechanic may have disturbed a pertinent wire around the thermostat. What is your thoughts on this? I will let you know what I find. Thanks!
Sep 19, 2018 at 8:48 PM
Avatar
STRAILER
  • CERTIFIED EXPERT
  • 53,855 POSTS
Yes, double check his work then use the wiring diagrams and guide to troubleshoot the problem.

Sep 20, 2018 at 3:59 PM
Avatar
SHADETREE102
  • MEMBER
  • 18 POSTS
I have pictures of some things and a description, but I cannot upload the pictures. It says invalid file type.
Sep 25, 2018 at 2:22 PM
Avatar
SHADETREE102
  • MEMBER
  • 18 POSTS
Okay, I did some digging around and came up with a few possible issues. I hope you can read my handwriting in my diagram. That diagram is a connector that comes off the TCM bottom connector, but not directly. Once it gets to the firewall, it splits and this one goes down to the transmission. The two that do not have description and show no voltage are the two speed sensors. I read the diagram and saw that the black/light blue ties in with several other things. The engine temperature sensor happens to be one. The next two pictures are of a component on the intake manifold, just above the thermostat. The last picture is of the plug and wires that go to it. I have no idea what that component is, but I think it is shorting out, and causing my problem. What are your thoughts?
Sep 25, 2018 at 2:23 PM
Avatar
SHADETREE102
  • MEMBER
  • 18 POSTS
Finally! Here is the above mentioned diagram that I drew:
Sep 25, 2018 at 2:35 PM
Avatar
STRAILER
  • CERTIFIED EXPERT
  • 53,855 POSTS
The wiring connector in the picture you can see one of the terminals has pulled out? Can you check that for me. Also, what color wires go to the part in question? This sure sounds like a speed sensor is not working.
Sep 26, 2018 at 10:22 AM
Avatar
SHADETREE102
  • MEMBER
  • 18 POSTS
So far I cannot recognize the wire colors. I am going to have to cut back a good ways because they are burned. Yes that connector is loose and the wire will pull out of the back. It was secured when I pulled it off though. I tested the speed sensors as described in the link you provided and they were not getting juice. They checked out good on the wire test also. However, I could not get my hands in a good enough spot to unravel the ground splice I spoke of. I still could not get power by grounding elsewhere.
Sep 26, 2018 at 10:35 AM
Avatar
STRAILER
  • CERTIFIED EXPERT
  • 53,855 POSTS
I think we are getting side tracked here. It still sounds like the TCM is bad because it acts different in the autostick mode. If you have tested all the wiring power and grounds it only leaves the TCM.

Sep 27, 2018 at 11:40 AM
Avatar
SHADETREE102
  • MEMBER
  • 18 POSTS
My life story! Do you think these wires shorting out could have fried the TCM? I am going as far as I can on the harness without removing too much so I can at least tape them up so they do not touch.
Sep 27, 2018 at 11:49 AM
Avatar
STRAILER
  • CERTIFIED EXPERT
  • 53,855 POSTS
Yes, bare wires can create all kinds of problems. Tape the wires up and let's find a used TCM to see what happens.
Sep 28, 2018 at 11:44 AM
Avatar
SHADETREE102
  • MEMBER
  • 18 POSTS
I am having, some trouble. Which of these two "boxes" is the TCM?
Oct 14, 2018 at 10:28 AM
Avatar
STRAILER
  • CERTIFIED EXPERT
  • 53,855 POSTS
It should be the one in front of the PCM check out the diagrams above shows the location. Upload a picture if you have questions
Oct 15, 2018 at 10:52 AM
Avatar
SHADETREE102
  • MEMBER
  • 18 POSTS
This is mine. Do these numbers have to match exactly?
Oct 15, 2018 at 3:31 PM
Avatar
STRAILER
  • CERTIFIED EXPERT
  • 53,855 POSTS
They do not have to match, see if the color wires going into it are the same that are in the wiring diagrams earlier in the post.
Oct 16, 2018 at 10:21 AM
Avatar
SHADETREE102
  • MEMBER
  • 18 POSTS
I ordered one that has the same numbers online, cannot see the wires on them. I will have it in a few days.
Oct 16, 2018 at 2:20 PM
Avatar
STRAILER
  • CERTIFIED EXPERT
  • 53,855 POSTS
Wish us luck! let me know.
Oct 17, 2018 at 9:38 AM
Avatar
SHADETREE102
  • MEMBER
  • 18 POSTS
Alright, computer did not work, got another last night (cheap on eBay). Input and output sensors should be in tomorrow. I the morning I will try the second computer. If this and the sensors do not work, what do I need to look into?
Oct 21, 2018 at 5:37 PM
Avatar
STRAILER
  • CERTIFIED EXPERT
  • 53,855 POSTS
I would do a pin to pin check to make sure the wiring is in good shape. Use the guide and wiring diagrams in the earlier post.
Oct 22, 2018 at 11:00 AM
Avatar
SHADETREE102
  • MEMBER
  • 18 POSTS
Is this bad? It does not look good, lol.
Oct 22, 2018 at 2:10 PM
Avatar
STRAILER
  • CERTIFIED EXPERT
  • 53,855 POSTS
Those are some big metal pieces on there. The transmission could be coming apart inside.
Oct 23, 2018 at 10:01 AM
Avatar
SHADETREE102
  • MEMBER
  • 18 POSTS
That is what I was afraid of. Seems like the magnet was holding all that it could and there may be more than that inside.
Oct 23, 2018 at 10:05 AM
Avatar
STRAILER
  • CERTIFIED EXPERT
  • 53,855 POSTS
Yep, might be time for a rebuilt unit. Here are diagrams to help you get the unit out for the rebuilder or a used unit. This is a video of a front wheel drive transmission being removed (different car but the process is the same) with diagrams below to help you see what it like for your car.

https://youtu.be/6N6b5F2ChyE

Check out the diagrams (below). Please let us know what you find.
Oct 23, 2018 at 10:32 AM
Avatar
SHADETREE102
  • MEMBER
  • 18 POSTS
Thanks! I will post my progress, I am not going to get rid of this car. It has sentimental value, lol.
Oct 23, 2018 at 10:35 AM
Avatar
STRAILER
  • CERTIFIED EXPERT
  • 53,855 POSTS
Yep i hear that, fix it because we can :) let em know
Oct 24, 2018 at 10:32 AM