Overheating

2005 CHRYSLER PACIFICA
124,070 MILES • 3.5L • 6 CYL
Avatar
KITTYKITTY7
  • MEMBER
  • 2 POSTS
My car overheats. I flushed out system with blue devil flush. Replaced thermostat . But the hose still hard that goes to thermostat. I have also taken out the thermostat and tried it with out it and the hose still gets hard. l replaced the cap . Could the engine control temperature sensor be the cause of the hose that goes to were the thermostat goes to still be getting hard?

Also is the ECTS = engine coolant temperature sensor the same as the CTS = coolant temperature sensor ?
Apr 29, 2019 at 3:08 PM
Advertisement
Avatar
SCGRANTURISMO
  • CERTIFIED EXPERT
  • 4,897 POSTS
Hello,

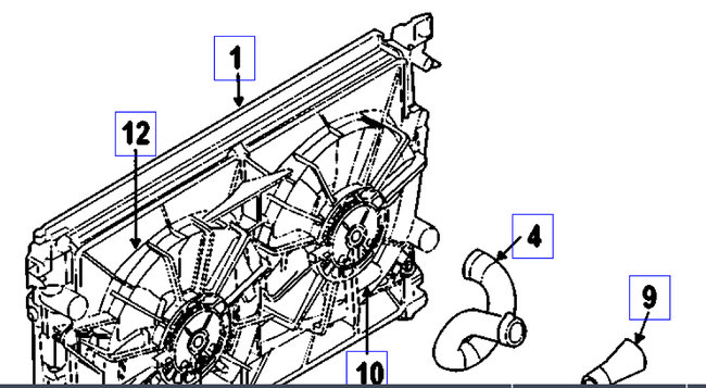
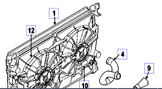
No. These sensors are bimetal thermisters, one goes to the computer for engine cooling fans and the other one goes to the temperature gauge. What opening temperature did you get when you purchased your thermostat? It's possible that you purchased a defective thermostat right out of the box. I've seen and had it happen to me before. I have included in the diagrams below the correct temperature thermostat for your vehicle. It has 195 degree opening temperature. I have also included all the information on your vehicle's engine cooling system as well. Please get back to us with what you find out.

Thanks,
Alex
2CarPros
Apr 29, 2019 at 5:45 PM
Avatar
KITTYKITTY7
  • MEMBER
  • 2 POSTS
Ok I even took the thermostat out and the hose is still getting stiff so much it started to leak out water from the hose were thermostat goes
May 1, 2019 at 8:30 PM
Advertisement
Avatar
SCGRANTURISMO
  • CERTIFIED EXPERT
  • 4,897 POSTS
Hello again,

Okay, there are a couple of possibilities to explore here. The first one is there is a blockage or heavy resistance somewhere in the cooling system that is not allowing the coolant to flow through the water jacket, or, two, there is an air pocket that is not the coolant to flow through the water jacket and the cooling system as a whole.
Let's start with the latter, because it's a little easier to check out. So, liquid, like the coolant in your engine cooling system will flow and fill the lowest spot in your vehicle's cooling system when being filled from empty and then continue to fill the cooling system from lowest spot to highest spot. All you have to do to ensure that there are no air pockets that will not allow the coolant to circulate is to fill from the highest point in the engine cooling system. What I do when I fill a vehicle with coolant is to take the upper radiator hose off of the engine where it runs to the radiator. I will poor coolant through the upper radiator hose until it starts coming out of the engine where the upper radiator hose attached to it. Then I quickly put the upper radiator hose back on the engine. This ensures that the coolant has filled from bottom to top and that there are no air pockets present.

So if I could get you to drain your coolant into a clean bucket, there should be a drain petcock on the bottom of your vehicle's radiator, then refill the cooling system in the manner I described above, and then test it and see if that fixes the problem. Please let us know how it turns out. We can go from there.

Thanks,
Alex
2CarPros
May 1, 2019 at 10:43 PM