Overcharge

1989 FORD TAURUS
100,000 MILES • 3.0L • V6 • 2WD • AUTOMATIC
Avatar
JIM BAYSINGER
  • MEMBER
  • 1 POST
Alternator was putting out 17.5v. We replaced alternator with remanufactured OEM. Now it's putting out 18.5 volts? Can't find a decent diagram or troubleshooting flow chart.
Sep 1, 2021 at 6:59 PM
Advertisement
Avatar
STEVE W.
  • CERTIFIED EXPERT
  • 15,116 POSTS
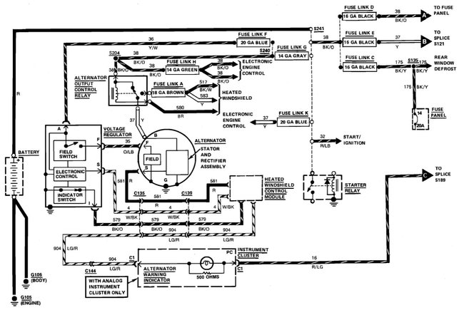
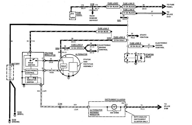
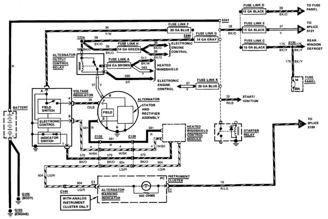
The first image is the base version and the second is the one with the heated windshield. In both cases that car normally uses a remote voltage regulator that looks like the last image. The default on them is to run the voltage up to 18 volts if the regulator has a fault.
A few tests: Does the dash charge or alt light come on with the key? It is actually part of the voltage monitoring system and if it fails you can get overcharging. The images after the regulator are the testing procedures. From your description it sounds like a bad regulator but it could also be a bad connection in the voltage monitor wire that goes to the indicator.
Sep 1, 2021 at 7:31 PM