Transmission not shifting into overdrive?

2002 DODGE DAKOTA
224,000 MILES • 3.6L • V6 • 2WD • AUTOMATIC
Avatar
EFC1968
  • MEMBER
  • 2 POSTS
The overdrive does not engage. The button on the shifter works. It was working fine fluid is full. When it gets to third gear and passing gear still works, but does not go into overdrive.
Sep 29, 2018 at 8:13 AM
Advertisement
Avatar
JACOBANDNICKOLAS
  • CERTIFIED EXPERT
  • 110,175 POSTS
Hi and thanks for using 2CarPros.com.

There are a few things which can cause this, sensors, actuators, solenoids. Often times, the overdrive solenoid fails and overdrive is lost. I attached a picture of the solenoid. It is inside the transmission. However, I would not arbitrarily replace it without confirming it is bad.

What I suggest first is to scan the computer for trouble codes. If the check engine light is on, there will be codes. Here is a video that shows how to check:

https://youtu.be/b2IJGfImVvw

If you do not have access to a scanner, most parts stores will do it for free. We need to start there. If the problem is related to the transmission control module or there is an electrical issue such as a bad overdrive solenoid, it will most likely set a trouble code.

Let me know what you find.

Joe
Sep 29, 2018 at 6:44 PM
Avatar
EFC1968
  • MEMBER
  • 2 POSTS
Sure will. Thank you Joe.
Sep 29, 2018 at 8:59 PM
Advertisement
Avatar
JACOBANDNICKOLAS
  • CERTIFIED EXPERT
  • 110,175 POSTS
You are very welcome. I will watch for your reply.

Take care,
Joe
Sep 30, 2018 at 6:53 PM
Avatar
NDC
  • MEMBER
  • 1 POST
I have a problem with my truck kicking out of over drive once I hit a speed of about 50 mph. It will give a sudden jerk and kick out. If I were to shut the truck off and restart it it will go back into overdrive but reappear at around 50 mph again until it has warmed up. I changed the fluid/filter didn't fix it I think it could be a sensor but not sure.
Aug 9, 2020 at 12:45 PM (Merged)
Avatar
CARADIODOC
  • CERTIFIED EXPERT
  • 34,308 POSTS
I'm not a tranny expert, but two things it looks at are the throttle position sensor and the brake switch. The lockup torque converter unlocks when you tap the brake pedal or hit wide-open-throttle. Pitted contacts in the brake switch, or a switch that is misadjusted can make it look like you pressed the brake pedal when you hit a bump.

A bad spot in the throttle position sensor will make it default to a pre-defined defective state to set a fault code in the computer. This will cause the lockup converter to disengage too.

When the converter unlocks, (which it must do at a stop sign so it doesn't snub off the engine), you can hear and feel the engine pick up a little speed but it shouldn't jerk or be harsh. To see if this is what's happening, hold the gas pedal steady while traveling around 55 mph on a level road. Without moving the gas pedal, slowly press the brake pedal about an inch, then release it. You will hear the engine pick up speed, then the converter will re-engage in about one or two seconds. You can see this on the tachometer too if you have one. This should not cause it to drop out of overdrive.

If the brake pedal test feels different than what you've been feeling, it probably IS dropping into 3rd gear. The change in engine rpm is a lot more noticeable than an unlocking torque converter. One thing to look for is a sticking throttle cable that goes from the throttle body down to the transmission. They might have done away with this and gone to computer controls by 2002, but sticking cables were common in the 1990s. The symptom though was a little different. They usually had delayed upshifts that occurred at too high a speed. Once cruising at a steady speed, it shouldn't downshift.

One other possibility that could occur after replacing the transmission or cable is a misadjusted cable. What can happen is you hit, . . . oh, 45 mph for example. The transmission shifts into overdrive and engine rpm drops below 1400 rpm. At this low engine speed, the transmission downshifts to 3rd gear, as designed, but then rpm goes up again and it meets one of the conditions to go into overdrive. This usually makes it go back and forth in and out of overdrive. I suppose a sticking cable could cause this too, but again, you might not have that cable anymore.

I believe there is also a temperature sensor somewhere. I can't remember if an intermittent problem with the sensor causes it to unlock the converter or go to 3rd gear. Also, a misadjusted PRNDL sensor can cause unusual problems. It's a sensor now, not a simple switch like years ago.

caradiodoc
Aug 9, 2020 at 12:45 PM (Merged)
Avatar
BETHCARMONA
  • MEMBER
  • 2 POSTS
Hard Shifting, Overdrive off light comes on and off, not shifting, high rpms
Aug 9, 2020 at 12:45 PM (Merged)
Avatar
JACOBANDNICKOLAS
  • CERTIFIED EXPERT
  • 110,175 POSTS
Has the check engine light come on?
Aug 9, 2020 at 12:45 PM (Merged)
Avatar
BETHCARMONA
  • MEMBER
  • 2 POSTS
[quote:4e378bb3e3="Jacobandnickolas"]Has the check engine light come on?[/quote:4e378bb3e3]

No the check engine light is still off. I am now having problems with the gears not shifting. At best it will shift into third and then slip back into first.
Aug 9, 2020 at 12:45 PM (Merged)
Avatar
W_HOWARD316
  • MEMBER
  • 1 POST
My 1999 Dodge Dakota turns OD off usually after driving a while. The OD OFF light comes on and it wont shift into Overdrive until I turn the truck off and start it again. I haven't ever seen this kind of problem what could be causing this?
Aug 9, 2020 at 12:45 PM (Merged)
Avatar
THETOOLMAN
  • MEMBER
  • 123 POSTS
Sounds like a loose connection. Check your wires on your OD switch and make sure they are tight. If so it could be the solenoid that would be a little more involved. Just try to check all of your wiring associated with the OD circuit.


Good Luck.
Aug 9, 2020 at 12:45 PM (Merged)
Avatar
JEFFJB
  • MEMBER
  • 2 POSTS
Recently the truck quit charging and quit shifting into overdrive. At first I thought that these were two separate problems and I took off the alternator and got it tested as well as the battery but both of them tested fine. I am not getting any codes from the truck. Upon doing some research I found that these problems could actually be connected by the transmission relay or the PCM. Do you have any suggestions on where to check next before I go throwing a $500.00 PCM at a problem that I am not sure about?
Aug 9, 2020 at 12:46 PM (Merged)
Avatar
HMAC300
  • CERTIFIED EXPERT
  • 48,601 POSTS
check to see if transmission relay is working or not, it does connect to charging system. also, make sure belt and tensioner are working okay. it is the dark/green/black wire at alternator. if you have a like relay just replace with that one or go to this link it tells how to check relay.

https://www.2carpros.com/articles/how-to-check-an-electrical-relay-and-wiring-control-circuit
Aug 9, 2020 at 12:46 PM (Merged)
Avatar
JEFFJB
  • MEMBER
  • 2 POSTS
Yea tried swapping relays and checked continuity between the relay and alternator and have continuity but not to the pcm on plug 3 number 25 dg/b wire
Aug 9, 2020 at 12:46 PM (Merged)
Avatar
HMAC300
  • CERTIFIED EXPERT
  • 48,601 POSTS
if no continuity then check for a broken wire or a bad connection if not that it may be a pcm.
Aug 9, 2020 at 12:46 PM (Merged)
Avatar
LEENSTACY2002
  • MEMBER
  • 3 POSTS
I have replaced the Throttle Position Sensor and something on the botton of the transmission. I took it to a shop and they looked at it and the cable on top had come loose, I was getting all kinds of codes. They hooked that up and stated that was all there was. I drove it and it would not shift into od still. When I let off the gas, the rpm's go to idle, press the gas and it catches up again. It has never shifted into od since I bought it. The tranny shop looked at it again and decided it needed the transmission rebuilt at $1400......I am hoping that there might be something easier and less expensive that I might could try. When I plugged in the computer checker, it stated 3-4 shift. Thanks for any help anyone can offer. Lee
Aug 9, 2020 at 12:46 PM (Merged)
Avatar
JACOBANDNICKOLAS
  • CERTIFIED EXPERT
  • 110,175 POSTS
Has the 3-4 shift solenoid been replaced?
Aug 9, 2020 at 12:46 PM (Merged)
Avatar
LEENSTACY2002
  • MEMBER
  • 3 POSTS
no, i have not replaced that. is that inside the transmission? that is the code that came up. will i be able to change that myself or will i need to take it to a shop. i appreciate all the help you can give. i will make a donation when i am ahead enough. right now, it is week to week. thanks again....Lee
Aug 9, 2020 at 12:46 PM (Merged)
Avatar
JHDOMINATOR
  • MEMBER
  • 2 POSTS
My transmission wont shift into overdrive but my overdrive button works could it be because the fluid needs to be changed
Aug 9, 2020 at 12:46 PM (Merged)
Avatar
HOMER1967
  • CERTIFIED EXPERT
  • 875 POSTS
it could be possible,could also be a mechanical or electrical issue.if the fluid looks dirty or smells burnt,then I would change it anyway and see if it helps. any check engine light on?
Aug 9, 2020 at 12:46 PM (Merged)
Avatar
JHDOMINATOR
  • MEMBER
  • 2 POSTS
No the check engine light don't come on the truck sat up for 5 years without running but when it was parked everything worked.
Aug 9, 2020 at 12:46 PM (Merged)
Avatar
HOMER1967
  • CERTIFIED EXPERT
  • 875 POSTS
I would do a trans service,fluid and filter.make sure that you use the right fluid.atf + 4.also dis-connect the battery for a few minutes.remove the positive first and put it back on last,this will allow the vehicle to relearn it's shift patterns .
Aug 9, 2020 at 12:46 PM (Merged)
Avatar
DHOLLOWAY049
  • MEMBER
  • 1 POST
My vehicle is not kicking into overdrive. It idles at normal (around 900) but going fifty five mph it runs at about 3000 rpm. I have the switch and I think its blown out because the light in it does not come on. I checked the fuse and it is in tact. Also, it is getting juice to the fuse. Is there a way to put a jump wire onto it?
Aug 9, 2020 at 12:46 PM (Merged)
Avatar
HMAC300
  • CERTIFIED EXPERT
  • 48,601 POSTS
have this scanned for codes. it may be more than what you are trying to do.
Aug 9, 2020 at 12:46 PM (Merged)
Avatar
RICKY601
  • MEMBER
  • 2 POSTS
Transmission problem 6 cyl Two Wheel Drive Automatic 195000 miles

My Dakota will not shift into overdrive. It used to after 5 or 6 miles of driving. Now it won't shift at all. Also at about 55mph it starts missing and backfiring. When I ease up off the gas it will run right. But that don't work too good going up hill.
Aug 9, 2020 at 12:46 PM (Merged)
Avatar
JACOBANDNICKOLAS
  • CERTIFIED EXPERT
  • 110,175 POSTS
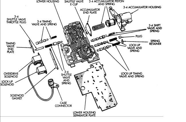
It sound like the overdrive control solenoid has gone out. Here is a guide and some diagram (Below) to help you get the the problem fixed.

https://www.2carpros.com/articles/how-to-service-an-automatic-transmission


Also, I need you to check something. Get in the truck and place the key in the ignition. Cycle the key from off to the run position 3 times (do not start engine). On the 3rd time, let the key stay in the run position. The check engine light will begin to flash codes.

The codes for a 92 are 2 digit numbers. The light will flash then there will be a sligh pause and it will start again to identify the 2nd number of the code. After it finishes the code, there will be a longer pause and it will move on to the next.

Count the flashes to keep track of the codes. Let me know if there are any and what they are if you find any.

I got you beat (but not by much), my 92 has 220K on it and going strong. It has a 5 speed which will outlast the truck. I use it to haul, plow snow, tow a motorcycle trailer... I love it. We'll figure your problem out. Just hang in there.

At this point, something tells me the torque converter isn't locking up to give you OD, but the backfiring and missing has added a new problem.

Let me know about the code. Also, when you get to code 55, that indicates it has finished.

Let me know what happens

Cheers, Joe
Aug 9, 2020 at 12:46 PM (Merged)
Avatar
RICKY601
  • MEMBER
  • 2 POSTS
I checked the codes and the only code I get was a 55. I also went ahead and put some plug wires and a fuel filter on it. It's still doing it. Then I changed the overdrive solenoid and it works prefect, I love this site.

Thanks. I do appreciate your help.
Aug 9, 2020 at 12:46 PM (Merged)
Avatar
JACOBANDNICKOLAS
  • CERTIFIED EXPERT
  • 110,175 POSTS
Please use 2CarPros anytime, we are here to help. Please tell a friend.

Cheers, Joe
Aug 9, 2020 at 12:46 PM (Merged)
Avatar
GBLANCHARD12
  • MEMBER
  • 2 POSTS
i have a 1991 dodge dakota and it doesnt want to shift into overdrive whats wrong
Aug 9, 2020 at 12:46 PM (Merged)
Avatar
JACOBANDNICKOLAS
  • CERTIFIED EXPERT
  • 110,175 POSTS
Has the check engine light come on? Is the trans fluid clean and full?
Aug 9, 2020 at 12:46 PM (Merged)
Avatar
GBLANCHARD12
  • MEMBER
  • 2 POSTS
the engine light is not on and the trans fluid is clean and full
Aug 9, 2020 at 12:46 PM (Merged)
Avatar
JACOBANDNICKOLAS
  • CERTIFIED EXPERT
  • 110,175 POSTS
You need to have the trans control module scanned to see if there are any codes. It could be caused by a few different things... none of which are cheap enough to just throw money away.
Aug 9, 2020 at 12:46 PM (Merged)