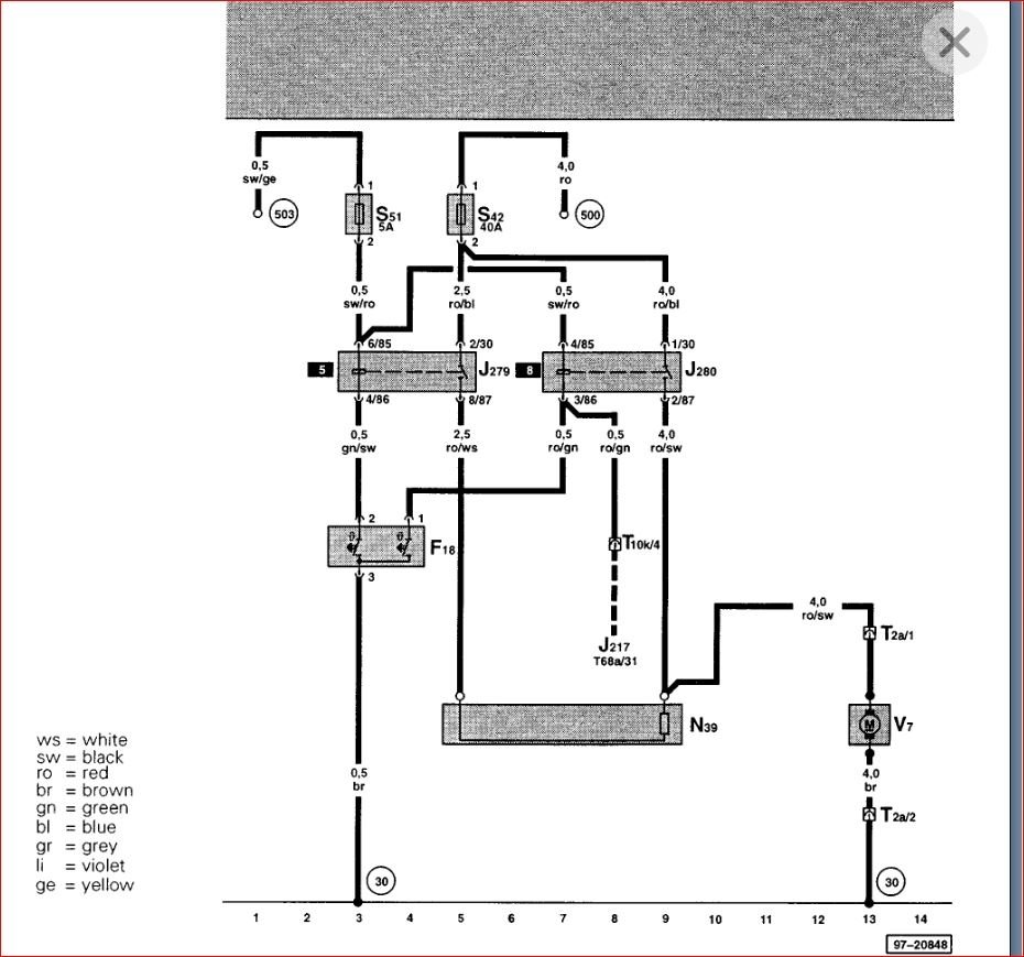
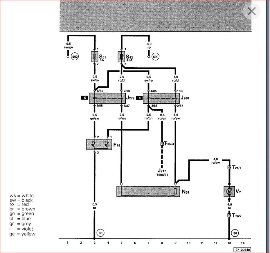
What I can't wrap my head around is you changed the fan control module and it ran for two minutes. This makes me nervous that you either have a bad module that failed or something is shorting the module out. There are basically four things that control the fan and they are highlighted in the attachment. I don't think your issue has anything to do with AC because your coolant fan should be running in most cases even with the AC off.
Just to be sure, your vehicle has two fans correct? And the one on the driver side of the vehicle is the one not running or do you only have one fan? If you only have one fan then it could be the AC pressure switch.
What I would suggest at this point is to have the vehicle hooked up to a scan tool capable of monitoring the Fan Control Module. We need to see what this is doing. Is it commanding the fan on and it is not on? Is it reading a sensor that is telling it not to turn a fan on which would indicate a faulty sensor? Are the sensors reading properly and the fan control is just not commanding the fan on?
The other thing you can check before you have it checked out with a scan tool is if you checked the relays for the fan control module? You do not have fuses/relays for the fan itself but you do have two for the control module. I find it unlikely that these are your issue because I don't think you changed them and you said the fan came on after the module was replaced. This would show that they are okay but it is worth checking. They are in the relay panel (Eight-way) behind the main relay panel.
Images (Click to enlarge)
Apr 29, 2019 at 5:34 PM