Engine will runs rough and stumbles, smell fuel at end of exhaust. Replaced exhaust components to fix exhaust leaks and still have issue. No vacuum leaks found with smoke test. Replaced upstream oxygen sensor twice on my passenger side. Traced wires from connector to as high as I could get towards the engine bay to look for damage, no damage. Inspected all large wiring harnesses/wires and connection points for damage, no damage evident.
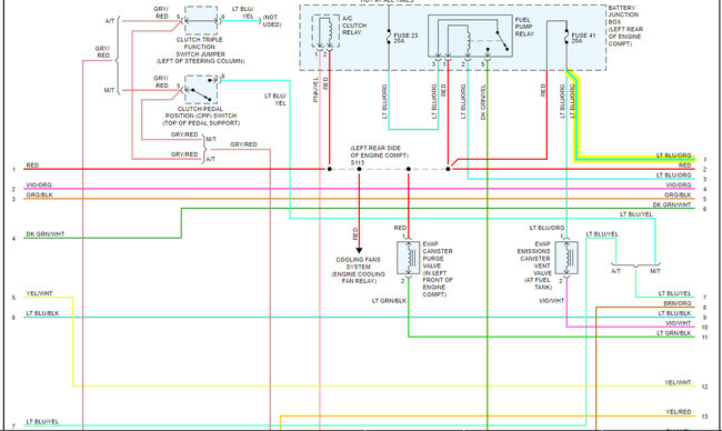
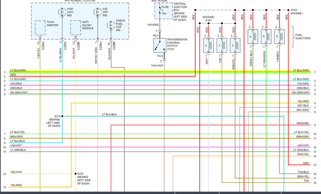
Back probed blue/orange lead to pcm: 8.7ohm on one pin, 4.4ohm on another with key off.
Back probed white/black lead to pcm: 12.4ohm on one pin, .3ohm on another with key off.
Brown/orange connector: 12.4v key off
Blue/red connector : 11.8v key off
I have a scan tool that can pull all of the live data and upload that to here or pass off the information. As far as I can tell bank 1 sensor 2 seems to vary in voltage what seems normal to me and bank 1 sensor 1 has differences in reading than bank 1 sensor 2. Any insight would be great, thanks for your time.
-Shane
Back probed blue/orange lead to pcm: 8.7ohm on one pin, 4.4ohm on another with key off.
Back probed white/black lead to pcm: 12.4ohm on one pin, .3ohm on another with key off.
Brown/orange connector: 12.4v key off
Blue/red connector : 11.8v key off
I have a scan tool that can pull all of the live data and upload that to here or pass off the information. As far as I can tell bank 1 sensor 2 seems to vary in voltage what seems normal to me and bank 1 sensor 1 has differences in reading than bank 1 sensor 2. Any insight would be great, thanks for your time.
-Shane
Apr 23, 2021 at 10:46 AM








