Codes P0171 and p0526

2010 LAND ROVER RANGE ROVER SPORT
140,000 MILES • 5.0L • V8 • TURBO • 4WD • AUTOMATIC
Avatar
MLORINO
  • MEMBER
  • 9 POSTS
Vehicle is throwing both codes listed in the subject, p0171 and p0526. A new fan and fan motor has been put in. No leaks have been detected. Once the codes are cleared, they stay off for a short period but reappear. It’s been looked over by two separate mechanics, they cannot find voltage issues, leaks, or bad wires. Fan relay has already been replaced. Since the same codes keep coming back, is this an ECU problem?
Oct 24, 2021 at 10:37 AM
Advertisement
Avatar
JACOBANDNICKOLAS
  • CERTIFIED EXPERT
  • 110,175 POSTS
Hi,

I'm not sure what is happening. The P0171 indicates a lean fuel mixture and nothing with a fan. See pic 1 below

The P0526 is specific to the viscous fan, which is engine-driven but controlled by electronics. With that, I have to ask, is the vehicle overheating or not warming to operating temperature? Has the viscous fan been replaced? If voltages are all on target and there are no shorts or open circuits, the fan clutch itself may be bad.

Let me know as much as you can. Also, let me know if the two codes you listed are the only ones that show up.

Let me know.

Take care,

Joe
Oct 24, 2021 at 7:17 PM
Avatar
MLORINO
  • MEMBER
  • 9 POSTS
Hi Joe,

Thanks for the response.

In regard to the lean bank code, I have cleaned and switched the mass air flow sensors and it still shows the same code. Two mechanics, one a euro-based group, have looked it over for a leak and found nothing.

The fan sensor code… the fan and fan motor were the first things that were replaced. I took the liberty of ordering and installing a fan relay, so that is new. Both mechanics have told me connections look good and if it was a wiring issue, they believe the code would automatically pop up after clearing it. It seems that after you clear it, it takes a cycle or two before it reappears. The last mechanic cleared both codes, they drove it for over an hour, I picked it up drove it home, drove it the next day and the same codes popped back up. It has never overheated. These are the only two codes that show up. I can get more details as to what all the first mechanic replaced, but I know he did the fan, because I paid $1,200.00 only to have the same codes show up and that place tell me they didn’t know what was going on. My thoughts at this point lead me to the ECU, but I’m not 100% sure on that. Thanks again.

Mark
Oct 25, 2021 at 3:04 AM
Advertisement
Avatar
JACOBANDNICKOLAS
  • CERTIFIED EXPERT
  • 110,175 POSTS
Hi,

The fan is electronically controlled, so there could be an issue with the ECM. The ECM (engine control module), has an internal temperature sensor and controls the operation of the cooling fan. While the ignition is on, the cooling fan receives a power supply from the ECM relay in the engine junction box. When cooling is required, the ECM connects the cooling fan to ground. So, we can check it to see if the ECM is the issue or if it is a wiring issue.

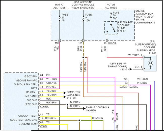
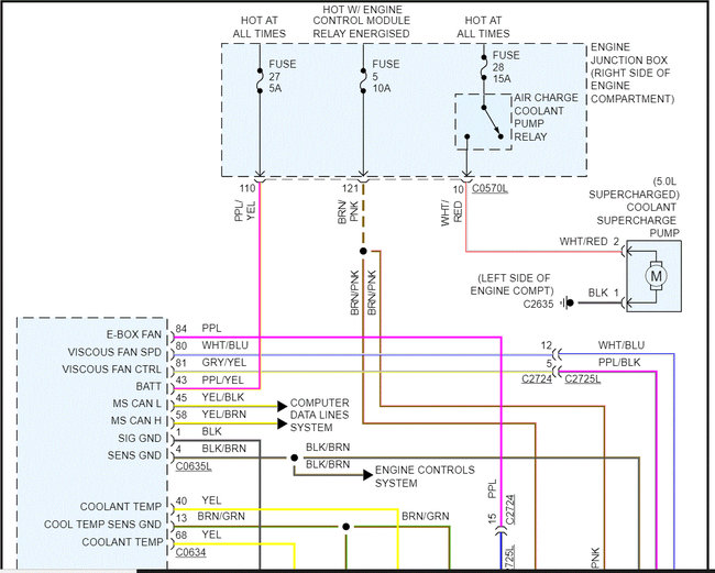
I attached a wiring schematic below of the circuit and highlighted the wiring related to the fan. I had to cut the pic in half to make them readable for you, but I did overlap them.

First, disconnect the connector at the fan. With the key in the on position, take either a test light or voltmeter and see if there is voltage to the brown wire with a pink tracer. There will only be power if the control module relay has power, so the key must be on.

If there is power, then I need you to allow the engine to reach operating temperature with the fan disconnected. Check for continuity to ground on the brown wire with a black tracer.

If there is no ground, I need you to check the black wire in the right front wheel opening (I believe it's behind the inner fender liner). First, inspect the ground. Is it tight, clean, free of corrosion, and not damaged? If it looks good, then I need you to find the same wire where it plugs into the module. That ground is a "signal ground" which means it is provided by the module. If that connection is loose, corroded, or has an issue, the ECM signal ground may fail. So, make sure the connector at the ECM is good and not damaged in any way. Next, check for continuity to ground at that wire between the ECM and a known good ground. If it is good, wiggle the wiring to see if ground is lost or changes in resistance.

Here is a link you may find helpful:

https://www.2carpros.com/articles/how-to-check-wiring

I have a feeling the problem is a wiring connection in the circuit. Usually, but not always, a faulty ECM will fail and then not work again.

One last after thought. Make sure the fuse, fuse 5 in the engine room junction box, is in good condition as well. Check for the same things, damage, corrosion, and so on where it plugs in. Also, make sure the connectors are not pushed in causing a poor connection. Also, make sure we have power there as well. Although the relay is new, there could be other problems preventing power from reaching its target. Here is a link you may find helpful when checking for power at the fuse.

https://www.2carpros.com/articles/how-to-check-wiring

Take care and let me know what you find or if you have other questions.

Joe

See pics below.
Oct 25, 2021 at 6:31 PM
Avatar
MLORINO
  • MEMBER
  • 9 POSTS
Thanks Joe!! I’m going to take a look at the wiring this weekend when I return from work travel. I’ll let you know. Thanks again!!!
Oct 28, 2021 at 4:45 PM
Avatar
JACOBANDNICKOLAS
  • CERTIFIED EXPERT
  • 110,175 POSTS
Hi,

You are very welcome. Have a safe trip home and I'll watch for your reply.

Take care,

Joe
Oct 28, 2021 at 7:53 PM
Avatar
MLORINO
  • MEMBER
  • 9 POSTS
Hey Joe,

So, using a test light I received power to the lines that were on the diagram. Fuse F5 looked good, looked fairly new to be honest. I did find these wires (see attached) connected to the piece, but it wasn’t connected to anything. It looks as if the back of the connection had a latch to where it is supposed to be attached somewhere. It was lying in between the battery compartment and the air box on the passenger side. Again, I’ll attached that and also the description of the last shop that looked this vehicle over. Hope you have a good weekend!!

Thanks,

Mark
Oct 30, 2021 at 3:40 PM
Avatar
MLORINO
  • MEMBER
  • 9 POSTS
Sorry didn’t attach these.
Oct 30, 2021 at 3:41 PM
Avatar
JACOBANDNICKOLAS
  • CERTIFIED EXPERT
  • 110,175 POSTS
Hi,

That appears to be the ambient air temperature sensor. Could you confirm the wire colors? I see green and can't be sure of the tracer color. Also, is the black wire a solid black or does it have a tracer color with it?

I attached a pic below of the sensor location. Check your vehicle and see if that sensor is installed. That will play a role in both AC performance and engine cooling issues.

Let me know.

Joe

See pic below.
Oct 30, 2021 at 9:33 PM
Avatar
MLORINO
  • MEMBER
  • 9 POSTS
It’s a red tracer wire attached to the green… the black wire does not have a tracer wire. I will verify when I get home this evening on both the black wire and the sensor. I’m assuming the location of the sensor is supposed to be up front near the hood latch via the image you sent? I’m assuming this wouldn’t have anything effect on the fan sensor issue.
Oct 31, 2021 at 6:32 AM
Avatar
JACOBANDNICKOLAS
  • CERTIFIED EXPERT
  • 110,175 POSTS
Hi,

Let me know what you find. Also, it can have an effect on the fan.

Let me know.

Joe
Oct 31, 2021 at 6:15 PM
Avatar
MLORINO
  • MEMBER
  • 9 POSTS
Hey Joe,

Sorry I got these photos late this evening, but I think that wire schematic you sent me is what I was looking at. I found the line, but it looks as if it’s attached to a sensor that been capped off. The sensor is located under the grill and is attached to the frame of the radiator I believe. Let me know your thoughts. Again, sorry for the bad pictures, it’s late here.
Nov 1, 2021 at 5:39 PM
Avatar
JACOBANDNICKOLAS
  • CERTIFIED EXPERT
  • 110,175 POSTS
Hi,

What I'm seeing in the pic has what appears to be 4 wires to it. The ambient air temp sensor should only have two. What colors are the wires on the component in the pic?

Do me a favor, take a look at pic 1. Is that what you are seeing? If so, that is the forward radar sensor. To confirm, see if the wire colors match pic 2.

Also, I noticed a part number on the original component you sent a pic of. I can only read part of the numbers. See if you are able to read them all.


Let me know.

Take care,

Joe

See pics below.
Nov 1, 2021 at 9:34 PM
Avatar
MLORINO
  • MEMBER
  • 9 POSTS
It doesn’t look exactly the same, but it makes sense about it being the forward sensor. I’ll have to open the wrap around the wires to verify colors that run to that sensor. Attached is a better look at the numbers on what we think is the ambient sensor, the first sensor picture I sent. If the new picture isn’t clear the letter and numbers are the following:
PBT-GF15

Numbers at the top read:6164

And the brand looks as if it’s: EPC (S?)

Thanks!!!

Mark
Nov 2, 2021 at 4:16 PM
Avatar
JACOBANDNICKOLAS
  • CERTIFIED EXPERT
  • 110,175 POSTS
Hi,

I figured out what that loose wire is. It's the battery cutoff relay designed to prevent the battery from discharging during transportation. At this point, just let it where it was. It no longer has a purpose. LOL

Joe
Nov 2, 2021 at 6:24 PM
Avatar
MLORINO
  • MEMBER
  • 9 POSTS
Lol!! I can find it all… except the problem!! Lol!!!! So random question, if it’s a wiring issue, what wiring harness can I search if I want to replace them? Without spending an arm and a leg!!
Nov 3, 2021 at 10:27 AM
Avatar
JACOBANDNICKOLAS
  • CERTIFIED EXPERT
  • 110,175 POSTS
As far as a harness, it would likely be between the ECM and cooling system components. See pic below.

Joe
Nov 3, 2021 at 7:07 PM