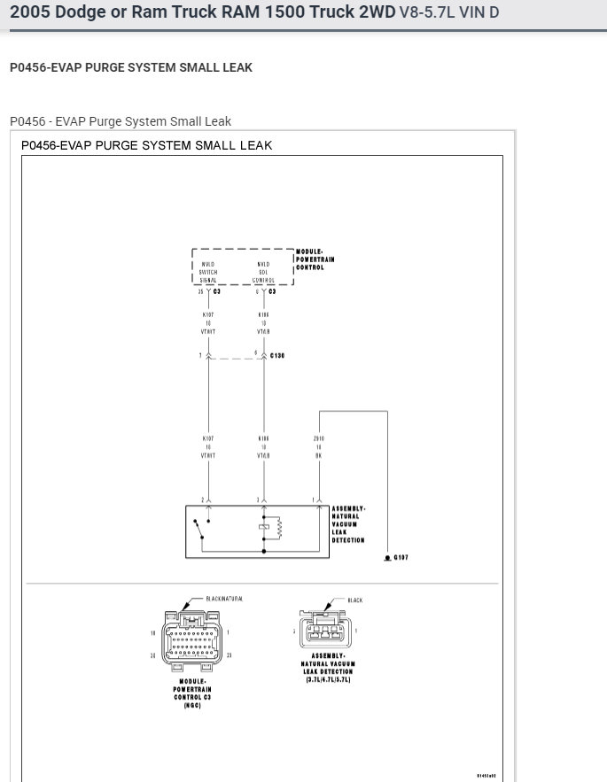
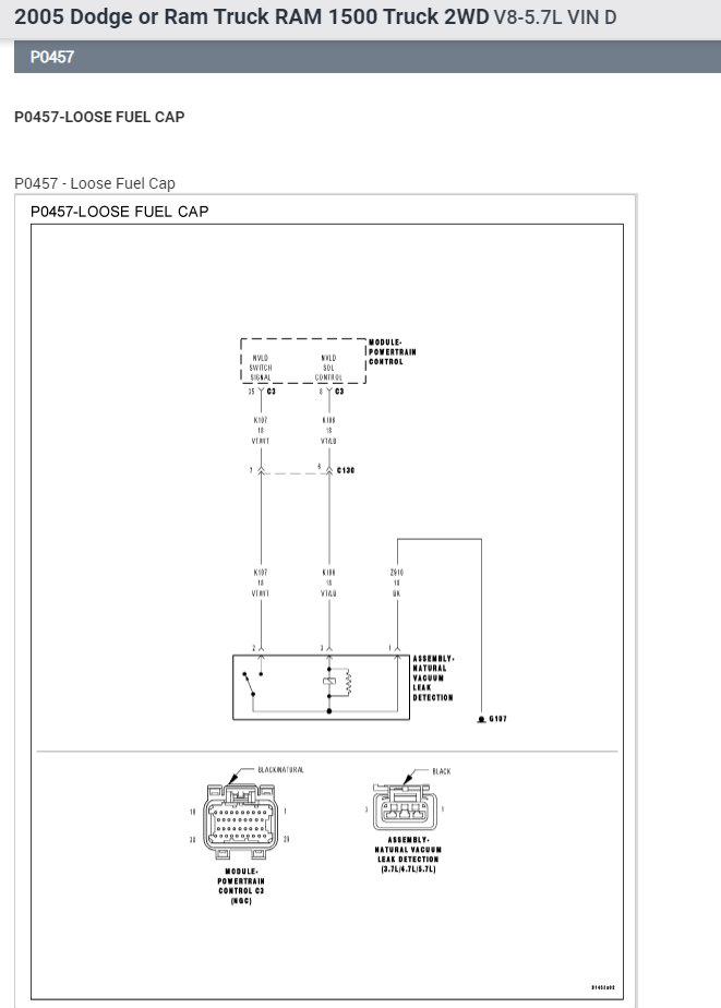
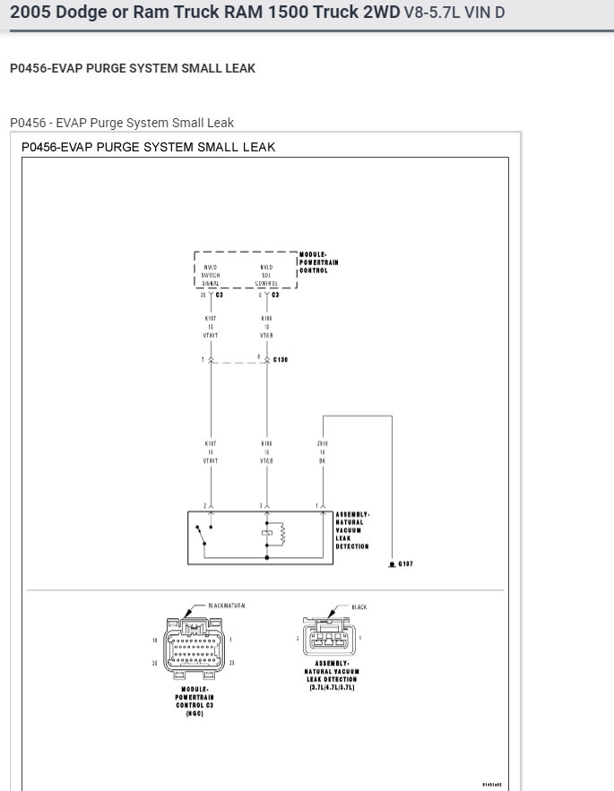
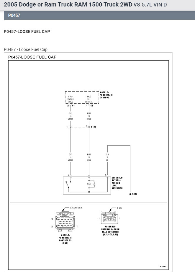
Codes p0456 and p0457

2005 DODGE RAM
136,000 MILES • 5.7L • V8 • 2WD • AUTOMATIC
Avatar
MATTSTORMS42
  • MEMBER
  • 26 POSTS
I have replaced the following: purge solenoid, Vap canister, leak detection pump and gas tank cap. Hoses from LDP were replaced. what else could be throwing this trouble code?

thanks.
May 14, 2022 at 5:47 PM
Advertisement
Avatar
SQM
  • CERTIFIED EXPERT
  • 6,383 POSTS
Hello,

These codes get triggered when the system detects small leaks within the EVAP.
It could be any number of components from the gas cap (that you replaced) to any of the hoses or canister or even somewhere in the fuel tank.

I have attached the troubleshooting guide for both of the P0456 and P0457 below. Follow those steps as it can help you determine what is triggering these codes.

Let me know what you find or if you have any questions.

Thank you.
May 14, 2022 at 6:06 PM