Code P0501

2008 KIA RIO
72,000 MILES • 4 CYL • 2WD • AUTOMATIC
Avatar
ICEMAN94954
  • MEMBER
  • 2 POSTS
P0501 Code is on. I replace the speed sensor that reads the tone ring on the passenger side that is on the drive axle, because I damaged it taking it out. Also I damaged the tone rings as well. Everything was frozen on. So I replaced that sensor and a new axle shaft with the tone ring. Still reading a code. I guess there is a sensor on the top of the transmission that could be throwing the code. Also, when I took out the axle shaft from the transmission it was brown not ruby red like it should be. So it needs a transmission flush. Could dirty transmission fluid cause this code?
Oct 22, 2018 at 6:20 AM
Advertisement
Avatar
JACOBANDNICKOLAS
  • CERTIFIED EXPERT
  • 110,175 POSTS
Hi and thanks for using 2CarPros.com.

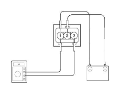
I am a bit confused. Did you replace an ABS sensor? When you say the axle was replaced, I think you may have gotten the wrong sensor. Take a look at picture 1. It shows where the speed sensor is located. If that is not what you replaced. Here are the directions for testing it. Picture 2 correlates with these directions.

Inspection

Vehicle Speed Sensor
1. Connect the positive (+) lead from battery to terminal 2 and negative (-) lead to terminal 1.
2. Connect the positive (+) lead from tester to terminal 3 and the negative (-) lead to terminal 1.
3. Rotate the shaft.
4. Check that there is voltage change from approx. 0V to 11V or more between terminals 3 and 1.
5. The voltage change should be 4 times for every revolution of the speed sensor shaft.
If operation is not as specified, replace the sensor.

Let me know if this helps.

Joe
Oct 22, 2018 at 6:34 PM
Avatar
ICEMAN94954
  • MEMBER
  • 2 POSTS
The way this went down was. I had a bad wheel bearing. So in the process of taking it out. The hub was frozen the to the drive axle. Also the abs sensor that reads the tone rings was frozen in and was damaged in removing it. Also the tone rings on the axle shaft were damaged that is why I had to but a new axle shaft. Side note you can not just buy a new tone ring for replacement for this car. And that is why I bought a new abs sensor. Then I threw the PO501 code. and reading online it could be the sensor I bought or the one you just told me about. My question to you is, could this also be the cause of bad transmission fluid? It is brown.
PS, thank you for getting back so quickly to me in your first response. Much appreciated.
And last thing the reason I thought it was the ABS sensor. Was because for three days I drove the car with no ABS senor and the code came up. Why would it be the speed senor? You know what I mean?
Thank you again in advance.
Oct 23, 2018 at 4:30 AM
Advertisement
Avatar
JACOBANDNICKOLAS
  • CERTIFIED EXPERT
  • 110,175 POSTS
Hi and welcome back:
After more thought, I really feel you are already on the right track. I did more research and found that the wheel speed sensor can set the code. Since the other sensor (on transmission) was okay prior to repairs, I think you are right. What can set the code is If the vehicle speed signal is below 0.62 MPH during 2 sec under enable conditions, PCM sets P0501. Basically, when you press the gas to accelerate in drive or reverse, that is an enabling condition. If the sensor indicates under 1 mph for longer than 2 seconds, it sets the code.

Take a look at the picture I attached. It describes it more in depth. It also lists possible causes. I doubt the PCM went bad since the repairs, so my suspect is a bad connection, broken wire, or a bad sensor.

As far as the transmission fluid, that wouldn't causer this.

Take a look at this and let me know your thoughts.

Take care,
Joe
Oct 23, 2018 at 5:35 PM