Code P0717, lost speed signal to input speed sensor?

2022 CHEVROLET SILVERADO
3,200 MILES • 6.6L • V8 • TURBO • 4WD • AUTOMATIC
Avatar
NGRAN
  • MEMBER
  • 1 POST
The truck listed above is a 6500 HD, brand new. randomly threw this code and won't shift out of first gear. I was looking for a TCM wiring diagram and some helpful advice to get it up and going quick.
Jun 2, 2023 at 12:01 PM
Advertisement
Avatar
STRAILER
  • CERTIFIED EXPERT
  • 53,855 POSTS
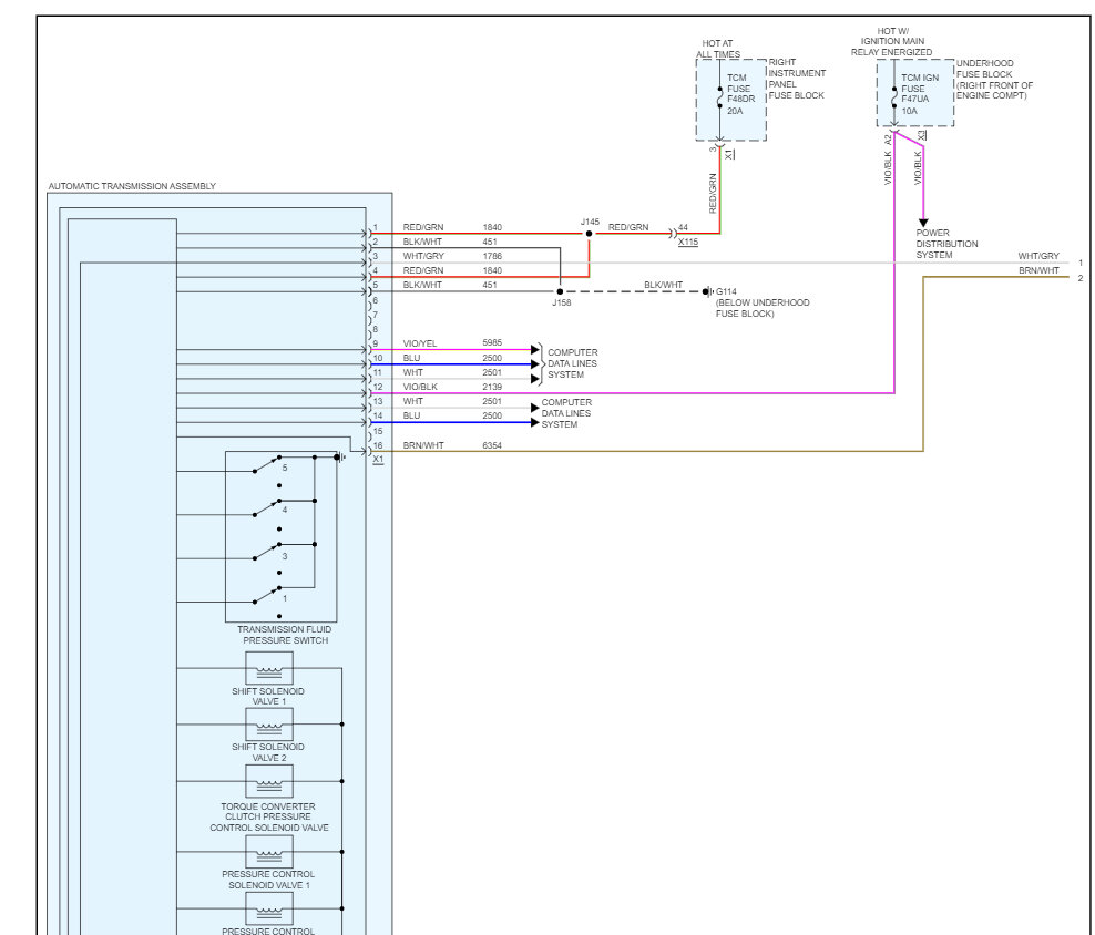
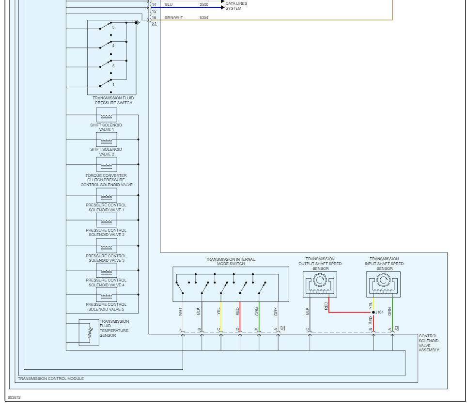
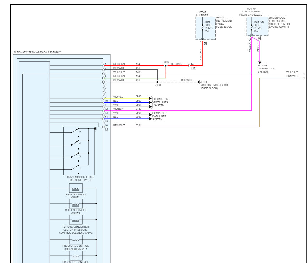
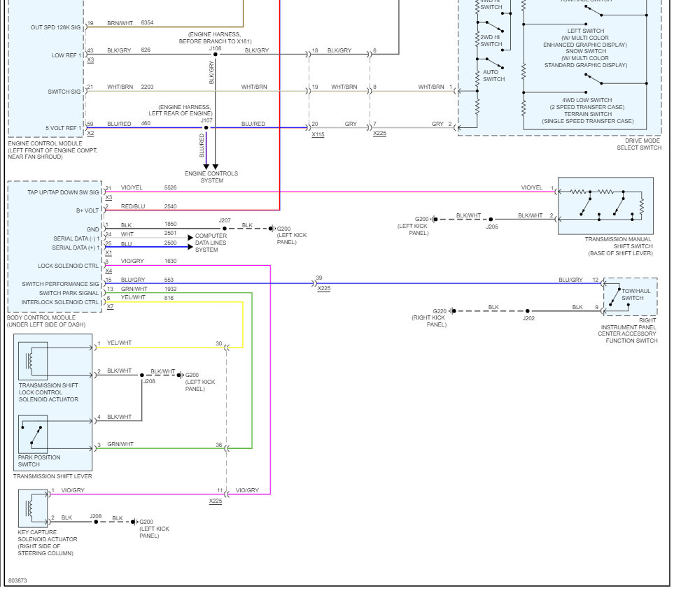
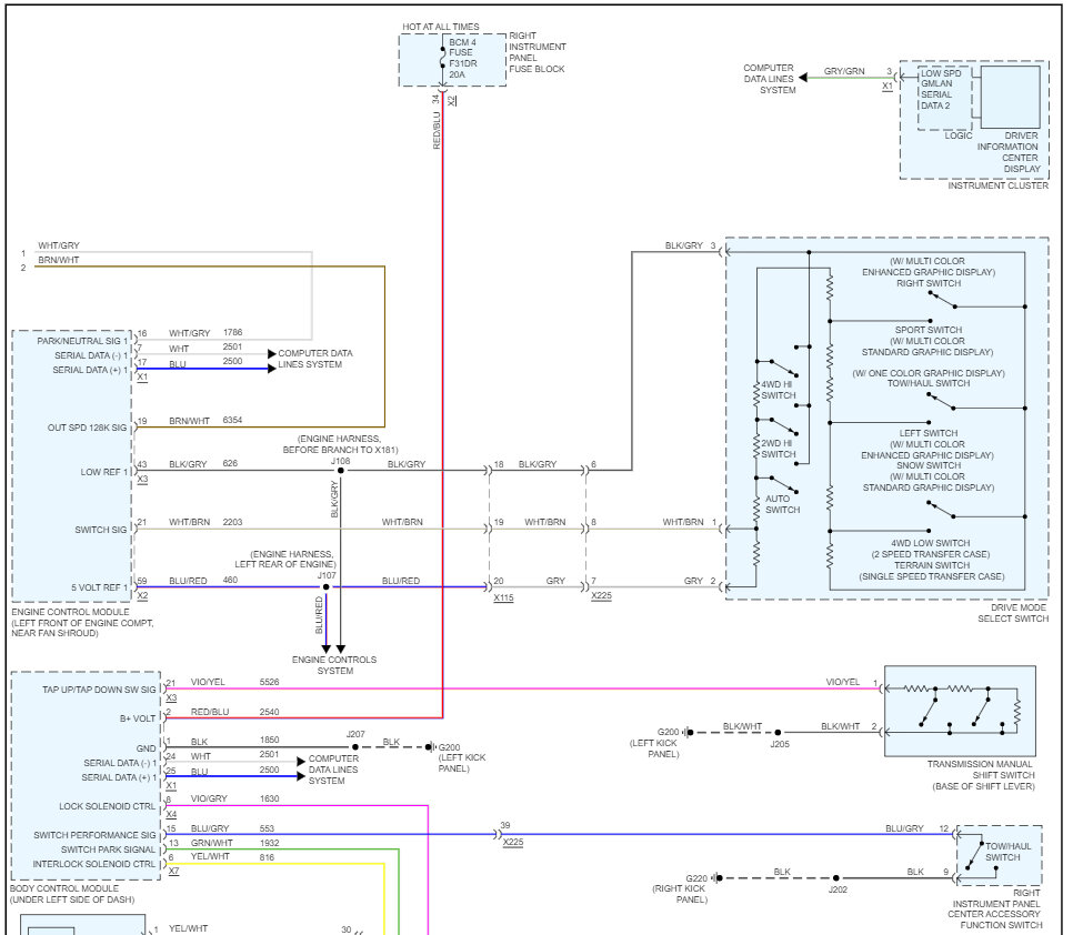
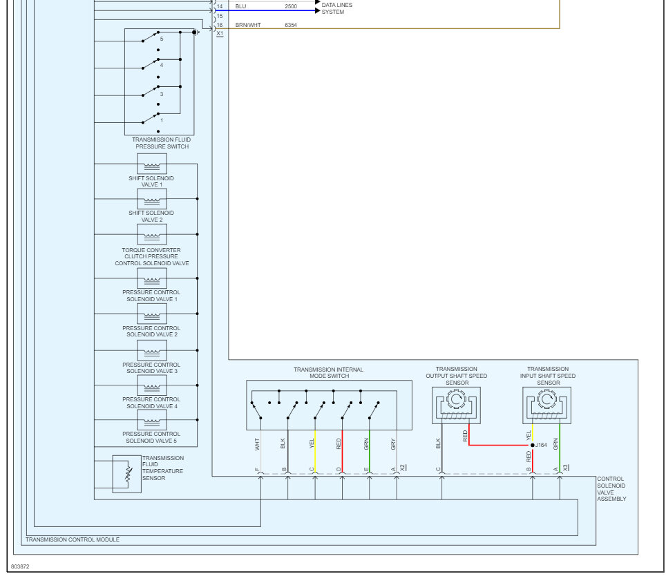
Yep, I would check the electrical connector at the input shaft sensor, maybe it is not plugged in. Here is the location and if the connector is okay, I would replace the sensor. Here is more information on the code and I have more information on the codes as well:

The P0717 code refers to a transmission input/turbine speed sensor circuit no signal.

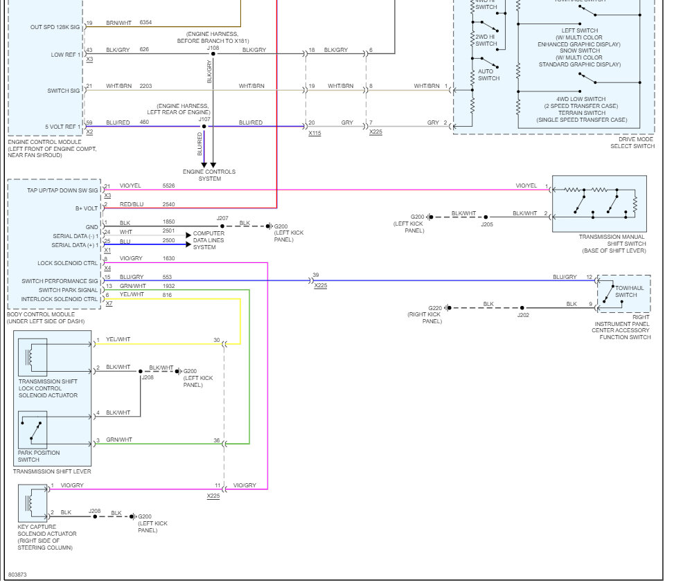
Here are the transmission wiring diagrams as requested as well. Check out the images (below). Let us know what happens and please upload pictures or videos of the problem so we can see what's going on.
Jun 3, 2023 at 9:42 AM