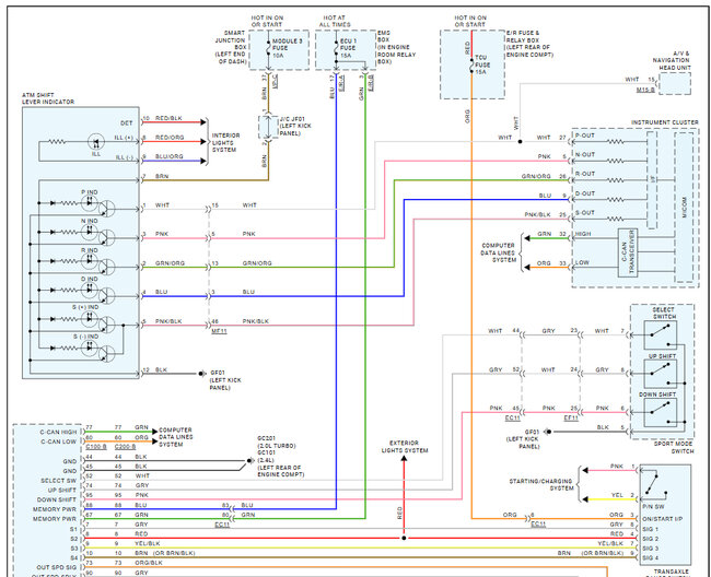
Please can you kindly provide me with the exact location of the transmission module and the wiring for a diagram containing ground signal.
Any information that can be helpful to solve this problem. Hi Ken, please I noticed I would just need the diagram and signals of this solenoid valve connector.
5XYZT3LB6EG145851
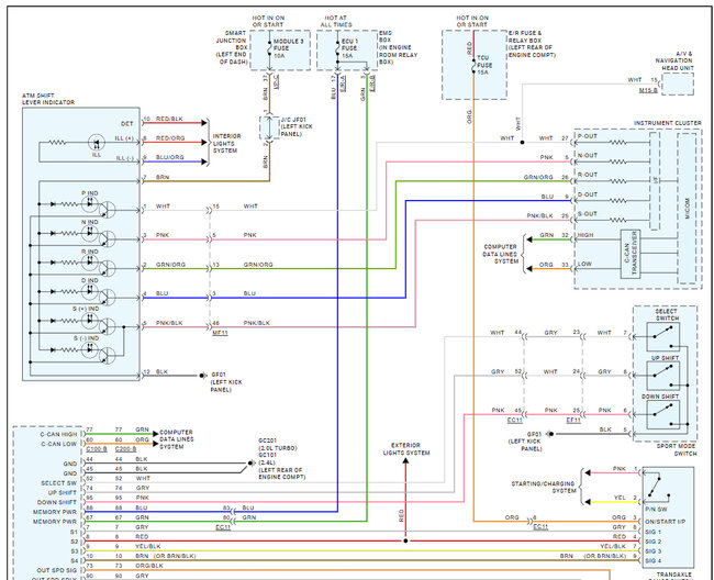
Any information that can be helpful to solve this problem. Hi Ken, please I noticed I would just need the diagram and signals of this solenoid valve connector.
5XYZT3LB6EG145851
Dec 29, 2024 at 1:48 PM

















