Engine misfire Code P2195

2005 FORD ESCAPE
100,000 MILES • AUTOMATIC
Avatar
CRJMECH00
  • MEMBER
  • 11 POSTS
I have the vehicle listed above with 3.0L 2wd. Did a block swap (spun bearing). I have bank 1 sensor 1 o2 code. P2195 I think. Swapped b1s1 with Bank 2 sensor 1, problem did not follow. Going to check wiring continuity from plug to ECU.

Any other suggestions?

Shawn.
Nov 16, 2018 at 12:36 PM
Advertisement
Avatar
STRAILER
  • CERTIFIED EXPERT
  • 53,855 POSTS
Yep, you are going in the right direction. Let me know how the pin out test goes.
Nov 16, 2018 at 12:37 PM
Avatar
CRJMECH00
  • MEMBER
  • 11 POSTS
Ken, I check O2 connector wiring (colors on 2005 are different), wiring has continuity. Changed IAC, no joy, check operation of EGR, no joy. Changed injectors (flagging bank 1 lean), no joy, fuel pressure 40psi. Sprayed intake with carburetor cleaner, no change. Pinched off vacuum lines, no joy.
Engine runs fine for three to five minutes, then bogs down, runs rough, exhaust smells very rich, will eventually stall. No MIL, just stored code p2195 (and P1000, test drive).

Any help would be greatly appreciated.

Shawn.
Nov 16, 2018 at 12:38 PM
Advertisement
Avatar
STRAILER
  • CERTIFIED EXPERT
  • 53,855 POSTS
It sounds like the exhaust can be plugged causing the issue. Lets run down this guide to see what is going on.

https://www.2carpros.com/articles/how-to-test-a-catalytic-converter

Please let us know what happens.
Nov 16, 2018 at 12:39 PM
Avatar
CRJMECH00
  • MEMBER
  • 11 POSTS
I will try this tomorrow. It will be challenging because previous owner had flanged joint from "Y" pipe to catalytic converter pipe welded with a flex joint. Would be acceptable to break both connections at manifold to Y pipe?

Also, This was not an issue prior to engine spinning a bearing. How could this be affected?

Update: So I disconnected exhaust manifolds from 'Y' pipe, still same P2195 code, running same. I read somewhere here on 2carpros. Com about MAF sensor being disconnected and car ran fine. This was also the case with mine. I will go tomorrow to local salvage yard and pick one up. Current one installed is probably aftermarket. No recognizable Ford part number or logo.

Curious why it only effected bank 1 and not Bank 2? Huh.

Will update tomorrow.

Shawn
Nov 16, 2018 at 12:39 PM
Avatar
STRAILER
  • CERTIFIED EXPERT
  • 53,855 POSTS
The running bad will cause that code. Let's make sure the engine has good compression. Please follow this guide:

https://www.2carpros.com/articles/how-to-test-engine-compression

Please run down this guide and report back.
Nov 16, 2018 at 12:40 PM
Avatar
CRJMECH00
  • MEMBER
  • 11 POSTS
Ken,

First MAF sensor did not fix issue. Surprise. I did do compression check. Results: #1-170, #2-165, #3-170, #4-180, #5-210, #6-205. Also, plugs #1-#3 are black and sooty. I suspect manifold/pre-catalytic converter restricted.

Shawn.
Nov 16, 2018 at 12:40 PM
Avatar
STRAILER
  • CERTIFIED EXPERT
  • 53,855 POSTS
Good find on the plugs, it sounds like you have two bad injectors on #1 and 3. Here are guides to help us confirm the issue:

https://www.2carpros.com/articles/how-to-test-a-fuel-injector

and

https://www.2carpros.com/articles/how-to-replace-a-fuel-injector

Please run down these guides and report back.
Nov 16, 2018 at 12:40 PM
Avatar
CRJMECH00
  • MEMBER
  • 11 POSTS
I replaced all six injectors on Wednesday. Unless they are just fouled. I could clean and retry.
Also, it is plugs 1, 2 and 3.

Shawn
Nov 16, 2018 at 12:40 PM
Avatar
STRAILER
  • CERTIFIED EXPERT
  • 53,855 POSTS
Please install new plugs, cleaning does not always work.
Nov 16, 2018 at 12:42 PM
Avatar
CRJMECH00
  • MEMBER
  • 11 POSTS
New plugs installed. Everything back together. Same code P2195.
Nov 16, 2018 at 12:42 PM
Avatar
STRAILER
  • CERTIFIED EXPERT
  • 53,855 POSTS
How does it seem to run? Can you please shoot a quick video with your phone so we can hear the noise, that would be great? You can upload it here with your response. If it runs okay lets try replacing the primary O2 sensors. Here is s guide:

https://www.2carpros.com/articles/how-to-replace-an-oxygen-sensor
Nov 16, 2018 at 12:42 PM
Avatar
CRJMECH00
  • MEMBER
  • 11 POSTS
Engine has a rough idle, until you increase throttle, then it smooths out. I have swapped o2 sensors front to back and problem did not follow. Really feel it has a vacuum leak. Carburetor cleaner proved to not be able to locate leak. So I am going to employ an old trick. Blowing cigar smoke into intake manifold (engine off of course) and look for smoke.

Found Smoke leaking from vent holes underneath EGR diaphragm. Replace EGR. Same P2195. Same running rough at idle (Vacuum leak If I could guess). Swapped O2 sensors front to back again, Problem did not follow.

Shawn.
Nov 16, 2018 at 12:43 PM
Avatar
STRAILER
  • CERTIFIED EXPERT
  • 53,855 POSTS
It is lean because of the misfire. The black sooty plugs are giving us the clue. Sure sounds like an injector is bad or you may have a blown head gasket between 1 and 3 both 170 seems high for that though. Are any of the other plugs black?
Nov 16, 2018 at 12:43 PM
Avatar
CRJMECH00
  • MEMBER
  • 11 POSTS
I had changed all injectors. New head gaskets and bolts. Think I will get another can of carburetor cleaner and try that.
Nov 16, 2018 at 12:44 PM
Avatar
STRAILER
  • CERTIFIED EXPERT
  • 53,855 POSTS
It could be a flat camshaft or broken valve spring let's remove the valve cover on that side to inspect.
Nov 16, 2018 at 12:44 PM
Avatar
CRJMECH00
  • MEMBER
  • 11 POSTS
Valve spring are intact, cam lobes are fine. Reused original cylinder heads. Engine ran smooth except for spun bearing.
Nov 17, 2018 at 3:28 AM
Avatar
STRAILER
  • CERTIFIED EXPERT
  • 53,855 POSTS
It sounds like it could be fuel pressure issue causing the injectors to not work right. Test the pump to confirm.

https://www.2carpros.com/articles/how-to-check-fuel-system-pressure-and-regulator

Fuel Pressure
Key on, engine off .................... 269 kPa (39 psi)
Engine running .................... 269 kPa (39 psi)
Fuel pump output volume per 10 seconds .................... 125 cc (4.32 oz.)

Check out the diagrams (below). Please let us know what happens.
Nov 17, 2018 at 9:45 AM
Avatar
CRJMECH00
  • MEMBER
  • 11 POSTS
I checked that before. Fuel pressure is 39PSI. Engine will not rev past about 4,000 rpm's. Was wondering fuel injector wiring is bad? I changed all injectors. Maybe one on bank 1 is not firing or poor ground?
Nov 17, 2018 at 6:28 PM
Avatar
CRJMECH00
  • MEMBER
  • 11 POSTS
Ken, Do you have ECM pinout for 2005?

Shawn.
Nov 17, 2018 at 6:52 PM
Avatar
STRAILER
  • CERTIFIED EXPERT
  • 53,855 POSTS
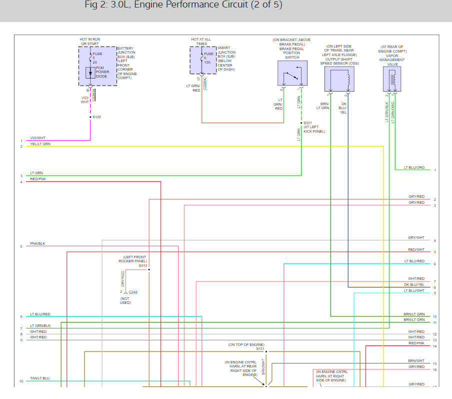
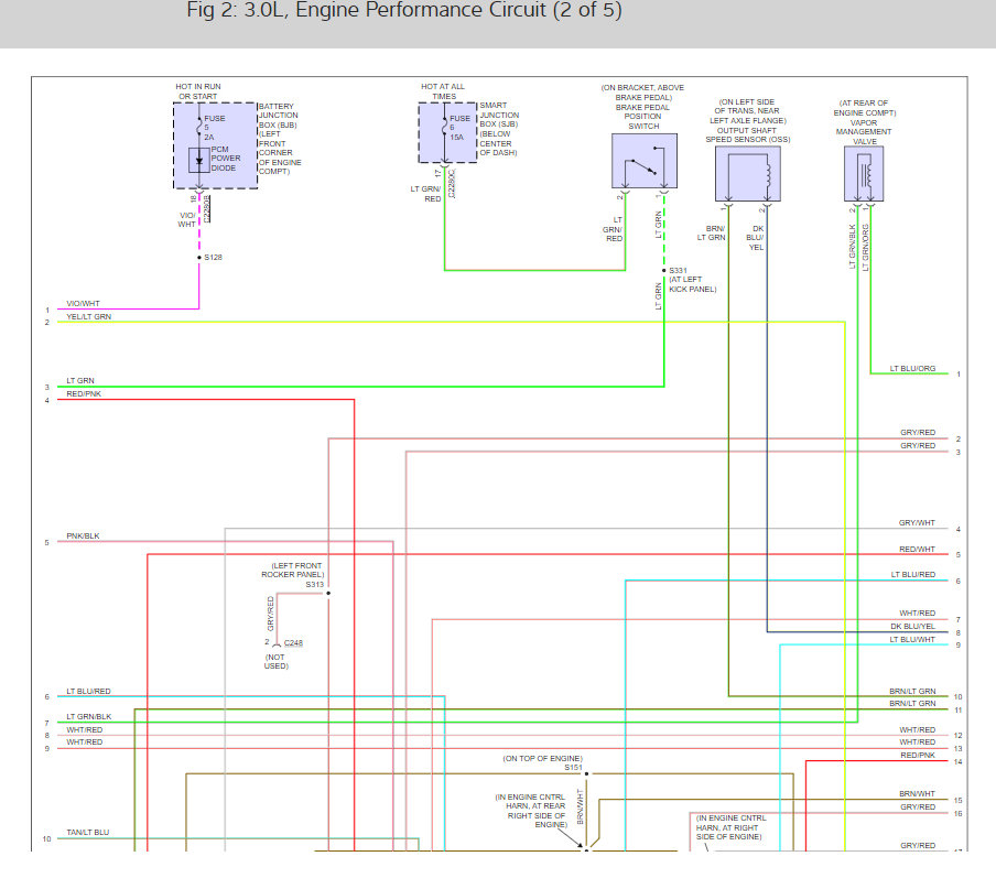
Yes, here are the engine wiring diagrams and a guide to help to test the wiring:

https://www.2carpros.com/articles/how-to-check-wiring

Check out the diagrams (below). Please let us know what you find.

Nov 19, 2018 at 11:27 AM
Avatar
CRJMECH00
  • MEMBER
  • 11 POSTS
Hope everyone is having/had a great Thanksgiving.

I removed intake to check injector wiring. I noticed a large amount of fuel on intake runners and intake plenum. So I decided to remove plugs, they appear to be carbon fouled. How is it possible to get fuel 'above' the injectors?
Nov 22, 2018 at 2:54 PM
Avatar
STRAILER
  • CERTIFIED EXPERT
  • 53,855 POSTS
With all spark plugs black I would think the fuel pressure is low. Let's do a check and if okay I would replace the injectors. Here are two guides:

https://www.2carpros.com/articles/how-to-check-fuel-system-pressure-and-regulator

and

https://www.2carpros.com/articles/how-to-test-a-fuel-injector

Are those OEM plugs got the right heat range?

Let me know I want to get this fixed. Ken
Nov 23, 2018 at 12:12 PM
Avatar
CRJMECH00
  • MEMBER
  • 11 POSTS
I changed injectors once already. They are oem plugs. Fuel pressure is 39psi.
Nov 23, 2018 at 4:44 PM
Avatar
ASEMASTER6371
  • CERTIFIED EXPERT
  • 52,796 POSTS
Good evening,

I wanted to help out as well.

Your fuel pressure is right on target.

A leaking fuel pressure regulator will allow unmetered fuel into the intake manifold above the injectors. I would check this. the diaphragm ruptures internally and fuel goes into the vacuum line to the intake manifold.



Roy

P2195
Descriptor
Probable Causes
Air Leaks After Mass Air Flow (MAF) Sensor
Camshaft Timing
Cylinder Compression
Diaphragm or EGR Vacuum Regulator (EVR) Leaking
Engine Oil Dipstick Improperly Seated
Exhaust Gas Recirculation (EGR) Valve Stuck
Exhaust Leaks Before or Near Heated Oxygen Sensors (HO2S)
Fuel Pressure High
Fuel Pressure Regulator Leaking
Gasket Leaking
Harness or Heated Oxygen Sensor (HO2S) Shorted to Voltage Power
Heated Oxygen Sensor (HO2S) Circuit Open or Shorted
Heated Oxygen Sensor (Ho2S) Damaged
Leaking or Contaminated Fuel Injectors
Low Fuel Pressure or Running Out of Fuel
Oil Overfill
Poor Mating Terminals and Wiring or Corrosion
Positive Crankcase Ventilation (PCV) System Leaking or Valve Stuck Open
Powertrain Control Module (PCM) Damaged
Vacuum Leaks
Vapor Recovery System
Water in Harness Connector


The fuel pressure regulator is attached to the fuel rail downstream of the fuel injectors. It regulates the fuel pressure supplied to the fuel injectors. The regulator is a diaphragm-operated relief valve. One side of the diaphragm senses the fuel pressure and the other side is connected to the intake manifold vacuum. Fuel pressure is established by a spring preload applied to the diaphragm. Balancing one side of the diaphragm with manifold vacuum maintains a constant fuel pressure drop across the fuel injectors. Fuel pressure is high when engine vacuum is low. Excess fuel is bypassed through the fuel pressure regulator and returned through the fuel return line to the fuel tank.
Nov 23, 2018 at 4:56 PM
Avatar
CRJMECH00
  • MEMBER
  • 11 POSTS
Roy, Thanks for your suggestion, I will check tomorrow.

Back history, engine had a spun bearing. Did a block swap (same heads reinstalled). I have changed injectors and rail, plugs, intake plenum/runners. Swapped O2 sensors, IAC, EGR, MAF all coils, vacuum hose.

Shawn.
Nov 23, 2018 at 5:01 PM
Avatar
ASEMASTER6371
  • CERTIFIED EXPERT
  • 52,796 POSTS
Got it.

Check that regulator for fuel coming out the vacuum port with the engine running.

Roy
Nov 23, 2018 at 5:04 PM
Avatar
CRJMECH00
  • MEMBER
  • 11 POSTS
No fuel leak from diaphragm.
Nov 26, 2018 at 9:15 AM
Avatar
STRAILER
  • CERTIFIED EXPERT
  • 53,855 POSTS
This is starting to sound like a bad PCM. I would try a used/rebuilt unit to see what happens.
Nov 26, 2018 at 10:13 AM
Avatar
ASEMASTER6371
  • CERTIFIED EXPERT
  • 52,796 POSTS
Ken has a very valid point but before I would assume it may be a PCM, I think you need to verify where the fuel is coming from in the plenum.

The regulator sticks in my mind as it is the only avenue for the fuel to get in there from the outside.

Roy
Nov 26, 2018 at 1:14 PM
Avatar
CRJMECH00
  • MEMBER
  • 11 POSTS
Where is (fuel?) regulator?
Nov 27, 2018 at 1:26 AM
Avatar
ASEMASTER6371
  • CERTIFIED EXPERT
  • 52,796 POSTS
I attached the procedure and location of the regulator. It is on the fuel rail.

Pardon me for asking but how did you know there was no fuel at the vacuum hose if you do not know where it is located?

Roy

The fuel pressure regulator is attached to the fuel rail downstream of the fuel injectors. It regulates the fuel pressure supplied to the fuel injectors. The regulator is a diaphragm-operated relief valve. One side of the diaphragm senses the fuel pressure and the other side is connected to the intake manifold vacuum. Fuel pressure is established by a spring preload applied to the diaphragm. Balancing one side of the diaphragm with manifold vacuum maintains a constant fuel pressure drop across the fuel injectors. Fuel pressure is high when engine vacuum is low. Excess fuel is bypassed through the fuel pressure regulator and returned through the fuel return line to the fuel tank.
Nov 27, 2018 at 4:28 AM
Avatar
CRJMECH00
  • MEMBER
  • 11 POSTS
Great question Roy, On this particular engine there is no return line. The fuel rail has one feed pipe, six injectors attached to it and the regulator. Regulator has vacuum line and four wire plug.
Nov 27, 2018 at 4:55 AM
Avatar
ASEMASTER6371
  • CERTIFIED EXPERT
  • 52,796 POSTS
Okay, let us try again.

Remove the vacuum hose from the valve and run the engine.

Roy
Nov 27, 2018 at 5:02 AM
Avatar
CRJMECH00
  • MEMBER
  • 11 POSTS
Ran engine, No fuel leak from diagram. (Plugged vacuum port)

So My buddy was over and we were chatting about all your suggestions and he asked 'Did you inspect the pre catalytic converter?" Why no, no I did not. So we removed it. Picture attached.

Could this be rough idle, smooth between 1,200-3,500 rpm's? Rough and popping between 3,600-3,900 rpm's. Approximately 20% of pre catalytic converter is deteriorated.
Nov 27, 2018 at 5:42 PM
Avatar
ASEMASTER6371
  • CERTIFIED EXPERT
  • 52,796 POSTS
No, the catalytic converter would have nothing to do with fuel in the intake.

Roy
Nov 28, 2018 at 4:52 AM
Avatar
STRAILER
  • CERTIFIED EXPERT
  • 53,855 POSTS
This can cause a plug of the exhaust system which can cause mixture issues. I would check all of the catalytic converters to see if any others are falling apart and replace them. Here is a guide to help:
https://www.2carpros.com/articles/catalytic-converter-replacement

Please run down this guide and report back.

Cheers, Ken
Nov 28, 2018 at 9:52 AM