Parking lights not working

2012 CHEVROLET COLORADO
132,000 MILES • 2.9L • 4 CYL • 2WD • AUTOMATIC
Avatar
MARYKLUQUETTE
  • MEMBER
  • 12 POSTS
My parking lights don't want to come on. They normally come on with the day time running lights and with the switch but now they just don't come on either way. In the picture I'll share with you it will show the park lights on with the day time running lights but the truck is in park that's why the head lights are off. Please help me figure out why my park lights just stopped working. I know that the bulbs are good and aren't burnt.
Nov 28, 2019 at 3:13 PM
Advertisement
Avatar
JACOBANDNICKOLAS
  • CERTIFIED EXPERT
  • 110,175 POSTS
Hi,

Is it only the parking lights or don't any rear lights work?

The first thing we need to check are two fuses under the hood in the power distribution box. If you look at picture 1, it shows the fuses I am referring to.

Next, I need you to check the parking light relay under the hood as well. See pic 3.

Here is a link that shows how to test a relay. However, if there is a relay in the box that has the same part number, switch them to test it.

https://www.2carpros.com/articles/how-to-check-an-electrical-relay-and-wiring-control-circuit

Now, if nothing works on the rear, the only common element is ground which is spliced in several places. Take a look at picture two. If that is the case, check that ground to see if it is loose, corroded, or damaged.

Here are a few links you may find helpful:

https://www.2carpros.com/articles/how-to-check-a-car-fuse

https://www.2carpros.com/articles/how-to-check-wiring

______________________________

Let me know if this helps or if you have other questions.

Take care,
Joe
Nov 28, 2019 at 7:51 PM
Avatar
MARYKLUQUETTE
  • MEMBER
  • 12 POSTS
It is just the front park lights, my husband changed my battery wire connections. Could something he did wrong cause this? If so, what should I look for to determine if that's the cause?
Nov 28, 2019 at 8:32 PM
Advertisement
Avatar
JACOBANDNICKOLAS
  • CERTIFIED EXPERT
  • 110,175 POSTS
The ground for the front lights is near that area. Maybe he caused the ground to fail. See the attached picture.

Joe
Nov 28, 2019 at 10:22 PM
Avatar
MARYKLUQUETTE
  • MEMBER
  • 12 POSTS
We have time today to try and get my park lights working again. We have the hood open now and could use your help to get it fixed. Could you please help us?
Dec 1, 2019 at 10:31 AM
Avatar
MARYKLUQUETTE
  • MEMBER
  • 12 POSTS
I believe I found the problem this is the PRK/LAMP labeled 15328866 that I pulled out and I sent a pic for you to see.
Dec 1, 2019 at 11:36 AM
Avatar
JACOBANDNICKOLAS
  • CERTIFIED EXPERT
  • 110,175 POSTS
Hi,

Sorry I missed your questions. I wasn't online at that time. The fuse you show in the pic looks burnt. Have you replaced it and has it fixed the problem? That appears to be the relay that I mentioned in one of the prior threads. Let me know if that took care of it for you.

Let me know,
Joe
Dec 1, 2019 at 6:27 PM
Avatar
MARYKLUQUETTE
  • MEMBER
  • 12 POSTS
I changed the relay but it didn't fix the park lights, I'm going to try to disconnect the battery to reset the BCM body control module and see what happens. I did a lot of reading and I think that I may need to replace the BCM. What do you think?
Dec 2, 2019 at 3:30 AM
Avatar
MARYKLUQUETTE
  • MEMBER
  • 12 POSTS
From what I've read these Colorado trucks have issues with the same things, you'd think they would have a recall on them, passkey lock which makes you have to wait 11 minutes before starting again, a vibration when slowing down and turning along with the truck wanting to stall out. It also sometimes wants to stall when I first start it in the morning. The BCM could cause all these things to happen. I also have the service tpms light on which I also read could be caused by the BCM.
Dec 2, 2019 at 3:40 AM
Avatar
MARYKLUQUETTE
  • MEMBER
  • 12 POSTS
Trying to reset BCM didn't help. anything what do you suggest next?
Dec 2, 2019 at 11:10 AM
Avatar
JACOBANDNICKOLAS
  • CERTIFIED EXPERT
  • 110,175 POSTS
Are you certain the fuse I mentioned earlier is good? Is there power to the fuse? Did you check the fuse for continuity?

Let me know.

Joe
Dec 2, 2019 at 5:22 PM
Avatar
MARYKLUQUETTE
  • MEMBER
  • 12 POSTS
The relay I changed is new and the guy at o'Reilly tested all the fuses in the fuse box under hood along w the relays and all lit up but they had one 15amp fuse that was for rear backup I believe that wouldn't light up but the fuse was good. We checked to see if when I put the truck in reverse if the reverse lights worked and they did. The guy also put the tester to where the park lights plug in and there was no power going to it, but there was power to the signal lights that are right next to the park lights.
Dec 2, 2019 at 6:05 PM
Avatar
JACOBANDNICKOLAS
  • CERTIFIED EXPERT
  • 110,175 POSTS
Hi,

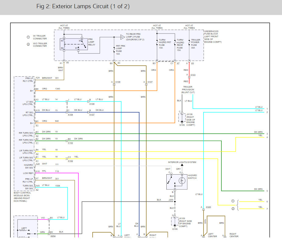
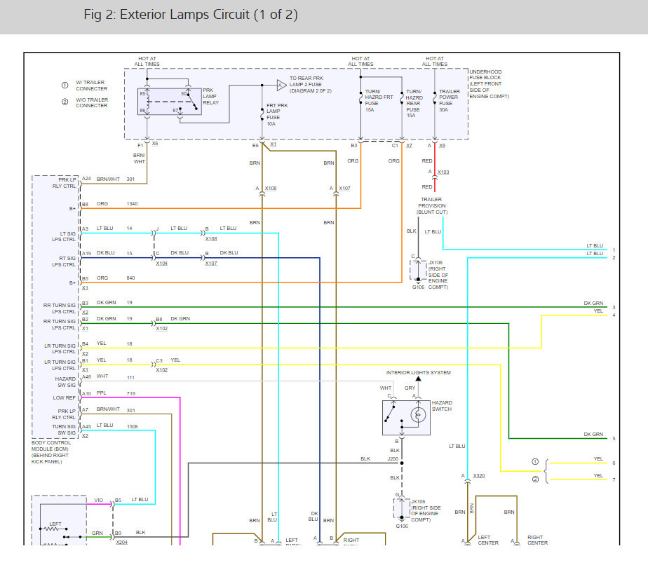
There really isn't a lot left. Have you confirmed that the ground wasn't damaged? If you look at the attached pics, (I had to break the schematic into several parts) you'll see that power goes via the switch to the body control module. When you turn the lights on, power is sent via the switch to the BCM and the out of the BCM to the park lamp relay. From there it runs to the front parking lights and finally to ground. Since you have no power at the light socket, it can't be a ground because you provide a new ground with a test light. So the problem is before. At this point, you need to work backwards. We know the fuse is good and has power, so the break has to be between the fuse and lights.

If I had your vehicle, I would start by checking and confirming that power from the fuse is present in the brown wire right at the fuse box. Note that it is provided by one pin but splits two different ways. If power is present, then you need to follow those wires all the way to the lights to determine where power is lost. Since you lost power on both sides, I would assume the problem is right at the box and no further.

Please let me know if I can help. It may sound strange, but I enjoy working through wiring issues.

Joe
Dec 3, 2019 at 5:15 PM
Avatar
MARYKLUQUETTE
  • MEMBER
  • 12 POSTS
I still haven't got to do anything further with my truck wiring. However my park lights starting working then they stopped again and it has been back and forth like that. I'm also getting new housings for head lights and for the park/turn signals bc they all except for 1 head light housing get condensation inside. The park/turn signal housing on the drivers side had some water that was filling up at the bottom so I took it out and drained it. Later that day the lights started working again but today they aren't working.
Dec 26, 2019 at 7:07 PM
Avatar
JACOBANDNICKOLAS
  • CERTIFIED EXPERT
  • 110,175 POSTS
Hi,

Water will usually cause the bulb to fail, but they can also play havoc on connections. Have you checked the ground I provided earlier in this thread? Since they work and then don't and then do again, it has to be a loose or poor connection. Since this all started after replacing the battery, I still suspect a ground issue. I have to ask simply because I don't remember. But when they are not working and the lights are on, do you have power to the light sockets? If you do, then I really suspect it is a ground issue because when using a test light, you create a new ground.

Let me know. By the way, I hope you guys had a good Christmas.

Take care,

Joe
Dec 26, 2019 at 9:35 PM
Avatar
MARYKLUQUETTE
  • MEMBER
  • 12 POSTS
I still haven't got to do anything further. however, my park lights starting working then they stopped again and it has been back and forth like that.
Dec 30, 2019 at 5:01 PM
Avatar
JACOBANDNICKOLAS
  • CERTIFIED EXPERT
  • 110,175 POSTS
Do me a favor. Move the headlamp switch around when that happens. It could be a bad switch.

Hope you are having a great New Year's Eve!

Take care,
Joe
Dec 31, 2019 at 8:04 PM
Avatar
MARYKLUQUETTE
  • MEMBER
  • 12 POSTS
Hello Joe,

I changed my headlight housings and my lights were all working fine for a little while, but while I was out on the road 1 day I noticed that the park lights weren't on again. because I could see the reflection in the truck next to me. so I turned the switch to the right 1 click which is for just the park lights and they turned on but when the switch is on auto or on position all the way to the right they don't come on. I also noticed that once it was dark the park lights stopped working even when the switch was on the park light setting. I'm confused again and since that day they haven't worked again. Could it be a wire short that gets triggered while driving because the wire gets moved?
Jan 20, 2020 at 9:59 AM
Avatar
MARYKLUQUETTE
  • MEMBER
  • 12 POSTS
Or do you think it's the switch like you mentioned?
Jan 20, 2020 at 10:00 AM
Avatar
STRAILER
  • CERTIFIED EXPERT
  • 53,855 POSTS
Hello,

I have seen BCM go out which will cause this issue but to be sure lets do a CAN scan which is the future of car repair and it is easy to do with a scanner from Amazon for about $50.00 watch this video. New scanners do don't need a subscription for the unit.

https://youtu.be/InIlnsjOVFA

If the BCM is bad here is how you replace it and the complete running light wiring diagrams so you can see how the system works. Check out the diagrams (below). Please let us know what you find. We are interested to see what it is.



Jan 20, 2020 at 10:52 AM
Avatar
MARYKLUQUETTE
  • MEMBER
  • 12 POSTS
Thanks. I've heard about the BCM also, you would think they would recall this because it's a very common issue with these trucks. I'll see what I can figure out. Have a good day.
Jan 20, 2020 at 11:00 AM
Avatar
STRAILER
  • CERTIFIED EXPERT
  • 53,855 POSTS
Please let us know.
Jan 20, 2020 at 11:13 AM