Park lights will not go off

2016 CHEVROLET SILVERADO
165,500 MILES • 4WD • AUTOMATIC
Avatar
KAREN WATSON MINEER
  • MEMBER
  • 1 POST
Shut engine off and park lights remain on and will not shut off.
Sep 8, 2019 at 7:23 PM
Advertisement
Avatar
STRAILER
  • CERTIFIED EXPERT
  • 53,855 POSTS
Hello.

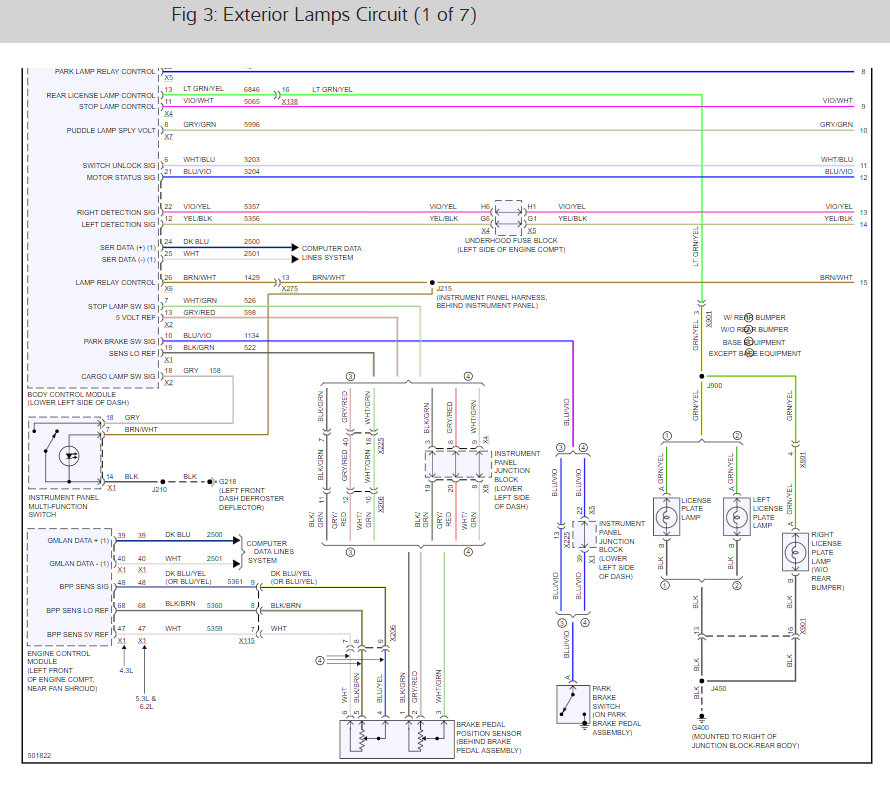
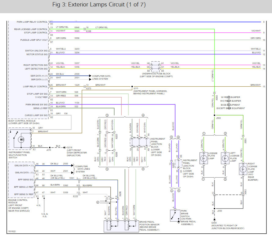
There is a park lamp relay we need to check and a handful of fuses. here is the relay location and a guide on how to test the relay with the fuse locations and a guide to help check for power there. I have also included the running light wiring diagrams so you can see how the system works and which fuses to check in the diagrams below.

https://www.2carpros.com/articles/how-to-check-an-electrical-relay-and-wiring-control-circuit

and

https://www.2carpros.com/articles/how-to-use-a-test-light-circuit-tester

If the fuses and relay check out the BCM could be going bad I have included the replacement instructions for that as well.

Check out the diagrams (below). Please let us know what you find. We are interested to see what it is.
Sep 10, 2019 at 11:27 AM