Passenger map dome light rear replacement needed

2004 CHEVROLET IMPALA
120,000 MILES • 3.4L • 6 CYL • 2WD • AUTOMATIC
Avatar
TIFFRICH01
  • MEMBER
  • 2 POSTS
So I have power to both lights in back but one the light flickers when on. that is on passenger and the driver side one stay on it demo down when off but it still running dimly. how can I just get new units because I am not having luck to find them.. I know it is not the fuses....
Dec 31, 2020 at 5:27 PM
Advertisement
Avatar
KASEKENNY
  • CERTIFIED EXPERT
  • 18,907 POSTS
I am not sure this is the light itself as the flickering could just be a bulb and the dimming of the lamp could be a bulb or a loose ground.

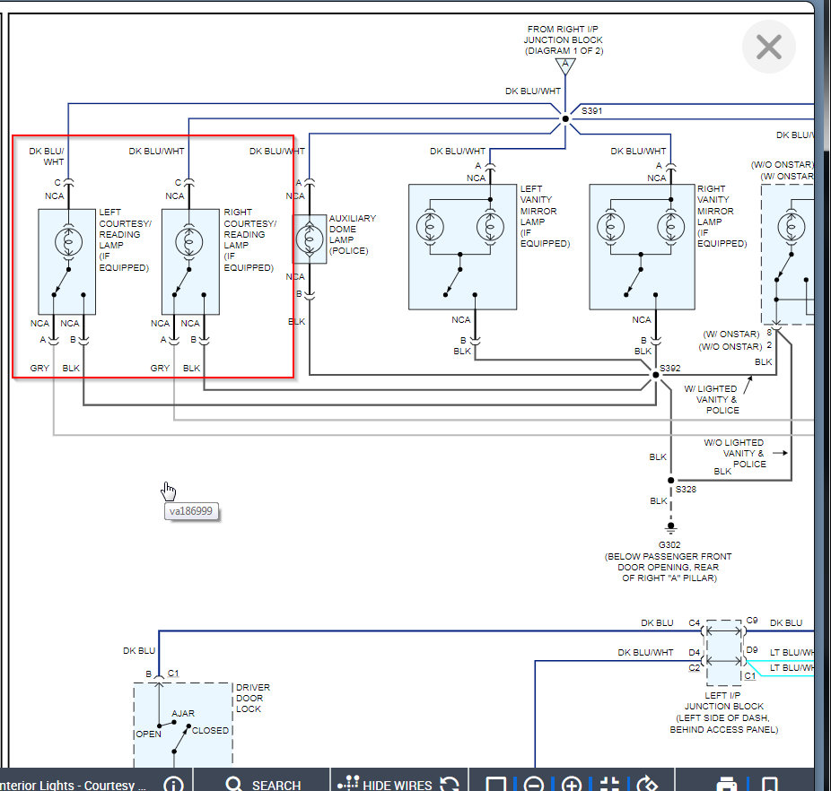
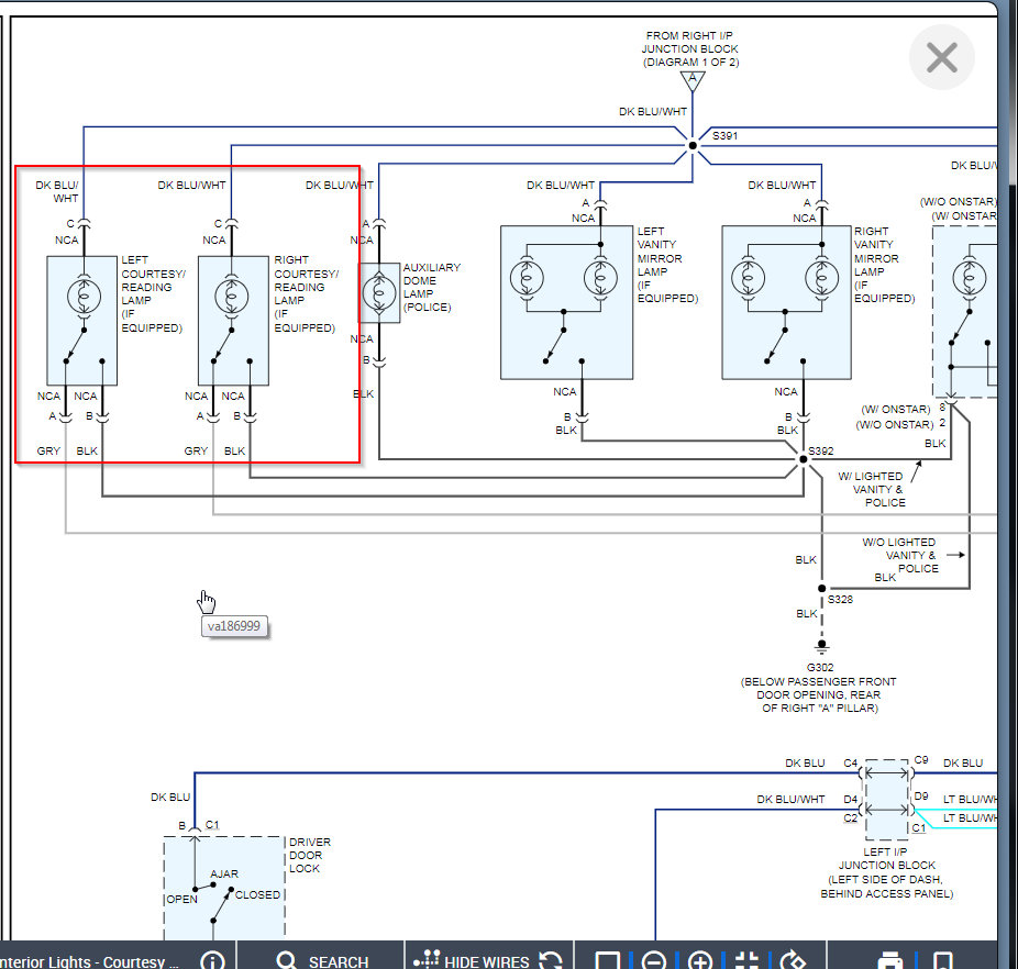
When you checked the voltage, did you get a measurement of how much voltage you have at the lamp? Did you check the voltage on the ground side? A loose ground will normally pull voltage from the bulb so it is worth checking. I included a wiring diagram below and here is a guide that will help with this:

https://www.2carpros.com/articles/how-to-check-wiring

I also included the testing for the lamp always staying on. Basically they are telling you to replace the bulb which is what the solution probably is but I don't think you need the entire unit. The bulb appears to just be replaceable when you pull it down.

Please review the attached material below and let me know what questions you have. Thanks
Jan 1, 2021 at 4:14 PM
Avatar
TIFFRICH01
  • MEMBER
  • 2 POSTS
Bulbs are band new. i switched with other new ones and it is the same. I will check the ground wire.
Jan 1, 2021 at 4:25 PM
Advertisement
Avatar
KASEKENNY
  • CERTIFIED EXPERT
  • 18,907 POSTS
Interesting. If it is not the ground wire then monitor the voltage while they are acting up and let's see if that is consistent. Thanks
Jan 1, 2021 at 4:55 PM