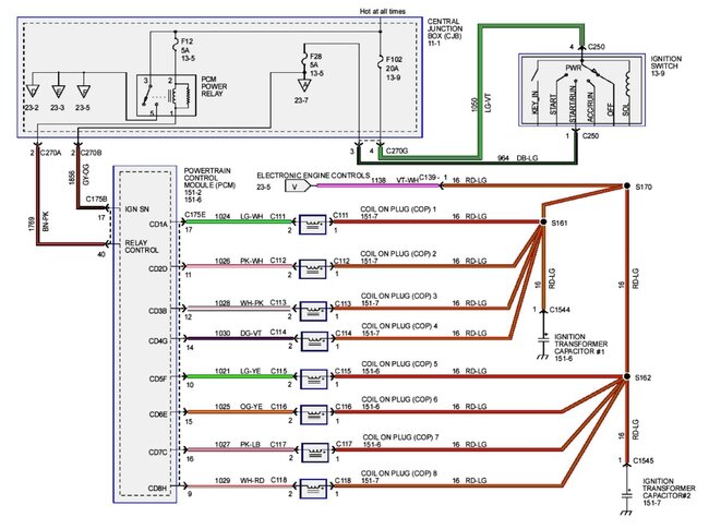
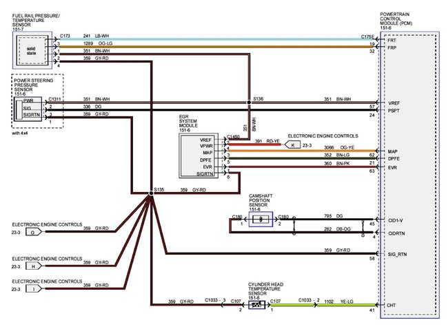
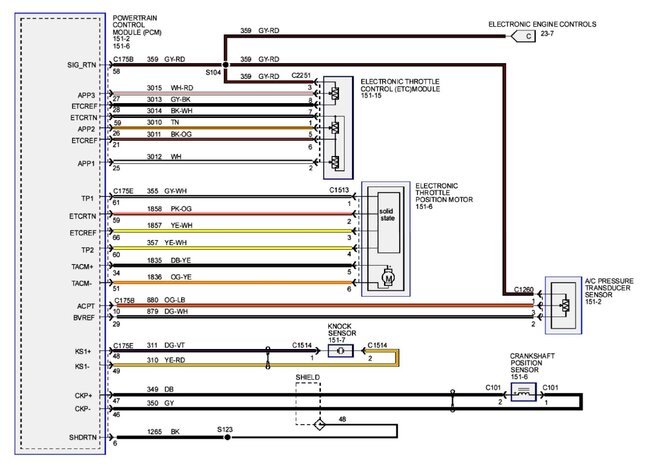
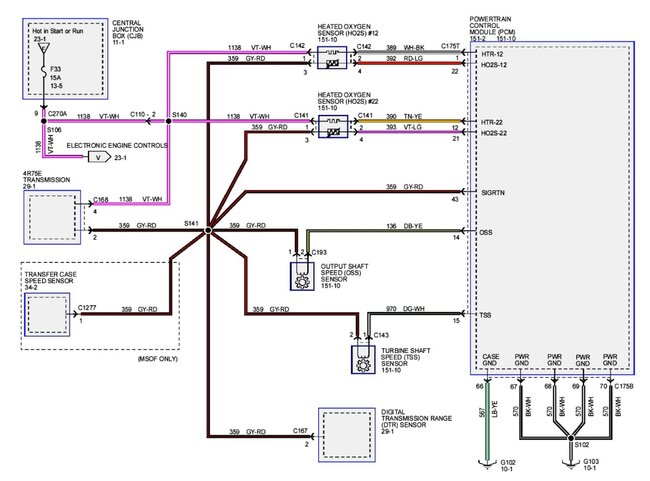
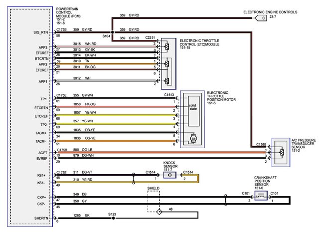
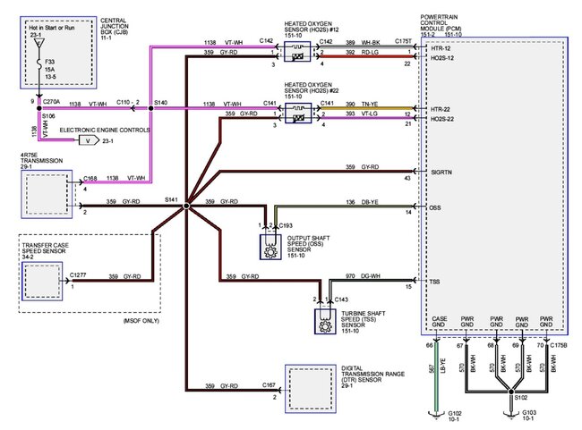
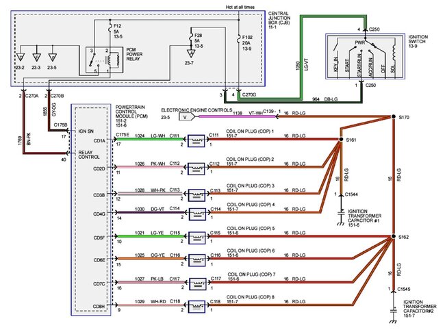
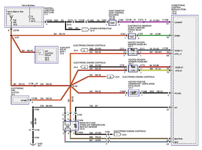
Could I get a diagram of the PCM wiring out to the engine sensors?

2007 FORD F-150
260,000 MILES • 4.6L • V8 • 2WD • AUTOMATIC
Avatar
DANIELR
  • MEMBER
  • 26 POSTS
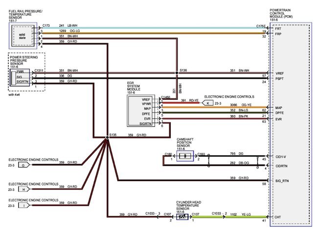
IE; MAF, fuel rail pressure sensor, etc.
Oct 24, 2024 at 7:43 PM
Advertisement
Avatar
AL514
  • CERTIFIED EXPERT
  • 5,465 POSTS
Hello, yes, we can get that ready for you in a few minutes.
Oct 25, 2024 at 6:17 AM
Avatar
AL514
  • CERTIFIED EXPERT
  • 5,465 POSTS
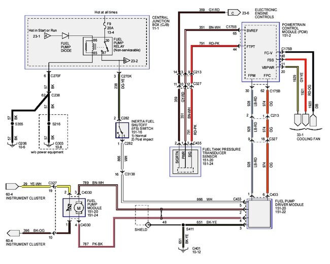
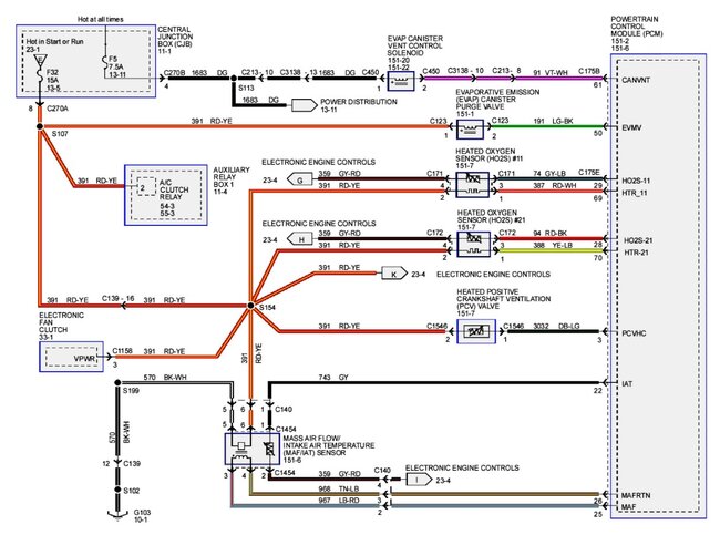
These are the OEM Ford PCM diagrams, do you need the PCM connector pinout diagrams to go along with this?
Oct 25, 2024 at 6:26 AM
Advertisement
Avatar
AL514
  • CERTIFIED EXPERT
  • 5,465 POSTS
These are all 3 PCM connector pinouts and hopefully the correct location on the PCM as well if needed. But try to go by wire color and location in each connector to be sure.
Oct 25, 2024 at 7:26 AM