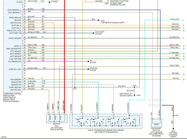
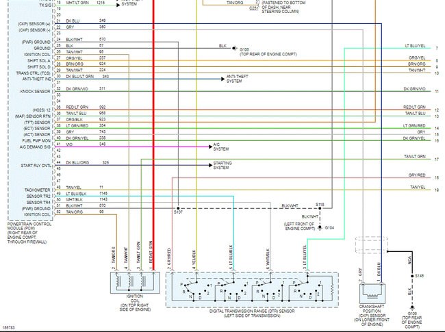
PCM pinout on the wiring

2003 FORD RANGER
111,111,111 MILES • 4.0L • V6 • 4WD • MANUAL
Avatar
TOMMY_BOY
  • MEMBER
  • 11 POSTS
Here is my problem am having:

I have the truck listed above 4.0 SOHC 4x4 it’s a manual 5 speed transmission.
I’m looking for the PCM diagram pinout for a manual transmission only. The only thing am finding is the one for a Automatic transmission pinout. But I need the manual transmission pinout to the PCM.
Here is the wiring harness info I have:

“The wiring harness number out of the Ranger is 12B637 harness and the plug
to the PCM is C175 gray plug.”


I need pinout for a manual transmission!
or how do i read the pinout for a manual transmission out of the automatic pinout?

I would be happy to have little info please.
Oct 29, 2020 at 11:34 AM
Advertisement
Avatar
BMDOUBLE
  • CERTIFIED EXPERT
  • 1,139 POSTS
As far as the harness and C175 goes, the only difference is that the manual transmission harness will have certain pins omitted from the connector and harness. Pin 84 for the output shaft speed sensor is the same whether it's an auto or manual transmission also. I have highlighted in red the pins that are for auto transmission only, and green for manual only. I hope this helps!
Oct 29, 2020 at 1:04 PM
Avatar
TOMMY_BOY
  • MEMBER
  • 11 POSTS
Thank so much for your reply BMDOUBLE. So which pin should i use for the manual wiring? What am trying to do is: Just use the same wiring harness on the motor and take out the automatic wiring and put the manual transmission wiring in it. Because the manual wiring for the motor is little different and i really don’t want to change every wiring in it. So if it’s easier to switch the transmission wiring and the PCM and the PATs. Then that’s the step I will take. Like I said I don’t know which pin to use on the manual wiring on the PCM.
Oct 29, 2020 at 2:53 PM
Advertisement
Avatar
TOMMY_BOY
  • MEMBER
  • 11 POSTS
Also i see pin 59 (GY/OG) "Powertrain Control Module (PCM) Intermediata Shaft Speed (ISS) sensor - 2.3L,3.0L,4.0L, automatic transmission."
What should I do with that wire to? It say automatic transmission. Should I remove it to?
And hook up pin 64 (LB/YE) wire to the cluth pedal switch and hook up the (OSS) (DB/YE) wire for the manual wiring harness?
Oct 29, 2020 at 4:23 PM
Avatar
BMDOUBLE
  • CERTIFIED EXPERT
  • 1,139 POSTS
You don't need to do anything with the extra wires because you are going to a manual transmission. The main concern with pin 64 is the powertrain control module's interpretation of the signal that it receives from this wire, because essentially the pins and wires are the same. The clutch on signal will affect the idle ratch software that will control idle depending on the position of the clutch pedal. The intermediate shaft speed sensor is in the same criteria as the previous input that I mentioned. It's more of a software issue more than a wiring issue.
Oct 29, 2020 at 6:28 PM
Avatar
TOMMY_BOY
  • MEMBER
  • 11 POSTS
BMDOUBLE I'm trying to hook up the #68 - 679 (GY/BK) Vehicle Speed Sensor (VSS) +...
But what is the the wiring i would be looking for? I look it up and i can't find it.

Nov 2, 2020 at 6:38 PM
Avatar
JACOBANDNICKOLAS
  • CERTIFIED EXPERT
  • 110,175 POSTS
Hi,

I noticed this is a couple of days old. I'm not completely understanding what you are doing, but I am attaching the wiring schematic for the entire powertrain management system. It includes both automatic and manual information.

I overlapped them to make it easier to follow.

I hope this helps.

Joe
Nov 4, 2020 at 6:53 PM