The QX 70 is in the post with the 16 images above. The Q70 uses a completely different system and comm network and nothing interchanges. For instance you wrote "The only pins I see that don't match up are the COMM (LCD-AMP)/COMM (AMP-LCD0) and COMM (METER-AMP)/COMM (AMP-METER). What will be my complications with those pins not available on the Q70 pin diagram?"
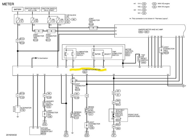
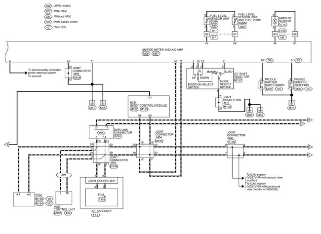
Those pins are the data lines that don't exist in the Q70 but they are the only source for the signals that feed the dash and without them nothing will work. Just the way things are set up in those vehicles. Take a single input for instance. Let's say you want the speed sensor signal. On the QX that starts as a square wave digital signal from the transmission and another square wave from the wheel speed sensor. That signal goes to the ABS module that reads it and puts it onto the data network to the amp which converts it again to a PWM signal that then goes to the processor in the actual dash.
On the Q70 the speed sensor starts as an AC waveform that goes to the ABS module and it reads the speed from the modulation and voltage level of that signal, and sends the raw data through the network to the processor in the dash which uses it to drive the stepper motor. Entirely different signal types and methods used which are not interchangeable.
In basic terms what you are trying to do cannot be done unless you were to gut all the wiring and modules out of the QX and replace it all with the systems from the Q70, then you need to reprogram all of the new modules to work with the hard parts in the QX70.
The Q70 dash that you want to use won't work simply because the signals are wrong and the ones it needs are not available.
Sorry but those are the facts.
If you want all of the wiring you can get that by going to www.eautorepair.net and entering the information for each vehicle and they will have all of the wiring diagrams there.
but before you do that realize that just because a wire says "speed signal" it doesn't define what the signal actually is, whether it's a digital or analog signal makes a big difference as they are in no way interchangeable. Not trying to be a pain just explaining that what you are trying isn't possible as the only thing those vehicles actually share is the "infinity" label.
Dec 21, 2022 at 7:47 AM