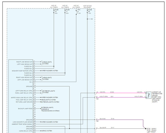
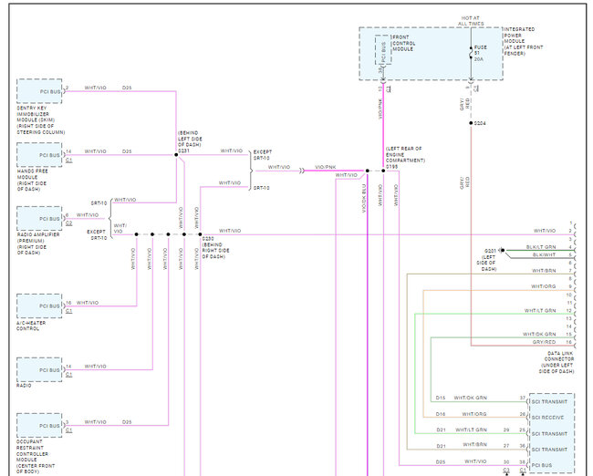
I had pulled out my FCM and cleaned it up and put it back in and I got my lights to work again, and I had one low beam that was turned off kept saying it was a short, but I put it back in. It didn’t have a problem when I put them put the fuse box back in its position there, I know so I came back I didn’t have the door locks. I didn’t have the radio, or the interior light and I don’t have the remote on my Car, I figured maybe the FCM had to be flashed so I went to my mechanic to find out that the Obd ii scanner in the car has no power. So, he can’t run the diagnostic and I believe that that OBD is on the same line as my remote control. My dome lights my radio trying to figure out where it’s at when I turn the key I powered except for the radio. I tested all the fuses, and they all are good. I have power to fuse 51. I also tested below the connector in the wire about five or 6 inches down. I got power to both sides of where I believe to c1 connector. Just want to make sure that the fuse 51 is the one that controls the power for when the vehicle is on the off position and that it’s on the C1 connector your help would be appreciated.
Feb 19, 2024 at 8:53 AM
















