Hello,
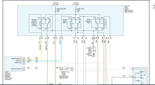
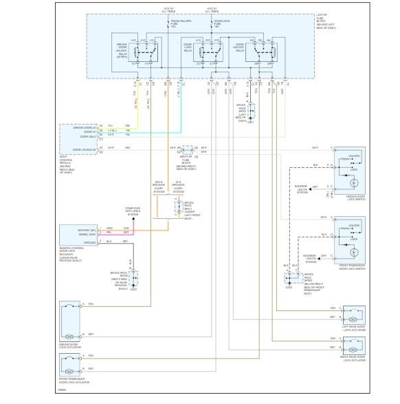
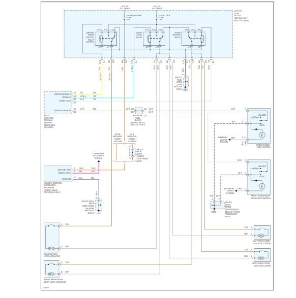
They are located in the left side instrument panel fuse block located, you guessed it, on the left side of the instrument panel. I have included wiring diagrams for the door lock circuit and location and a detailed description of the fuse panel in the diagrams down below. Please, if you have any other car related questions, feel free to ask. It's why we are here.
Thanks,
Alex
2CarPros
Images (Click to enlarge)
Apr 25, 2019 at 1:32 PM