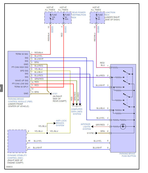
So, the yellow brake light is on as well as the symbol for EMF for the power brake. When i press the button there is no sound at all. I thought maybe the button is bad. Checked it with a probe and it has both power and ground. Checked with the scanner and when i press it shows that it has been applied. But still no sound whatsoever. The codes are attached, i clear them and they come back 601D, sometimes 6DDB and 6DDC together. I am leaning towards the unit itself which is around the diff in back.
Apr 5, 2022 at 12:38 PM
















