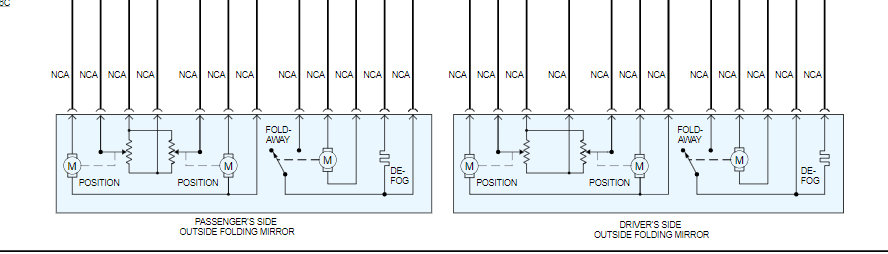
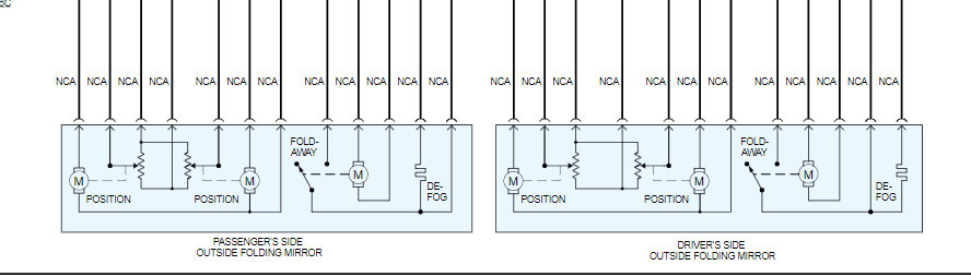
I have the car listed above 2.0T and have been having an issue with the power folding wing mirrors. When I turn the knob to 6 o'clock, instead of folding in the mirrors make a nasty grinding sound and don’t move. Maybe gears aren’t touching? Any help would be appreciated I can’t find anything about it online and I hope I don’t need to tear my door apart. Thanks!
Sep 4, 2019 at 7:54 AM




