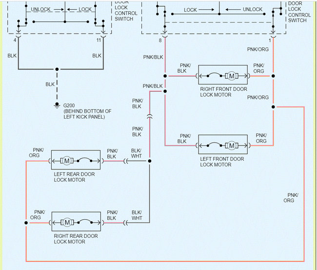
I am trying to fix the power locks in my truck. I pulled off the passenger kick panel to see what I could see. I guess the previous owners had put a remote start or alarm on the truck. There were a lot of crazy splices and connections that ended up being capped off.. I really don’t know what was going on.
But, I ended up connecting wires back to how they were originally connected.
Here’s my problem: All power windows work.
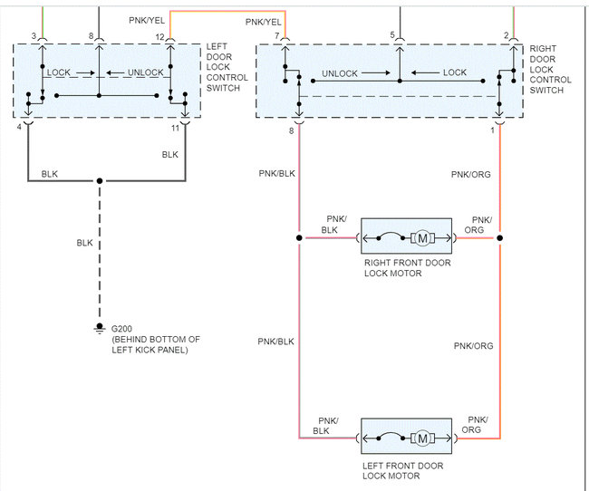
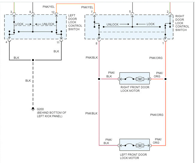
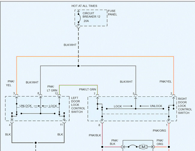
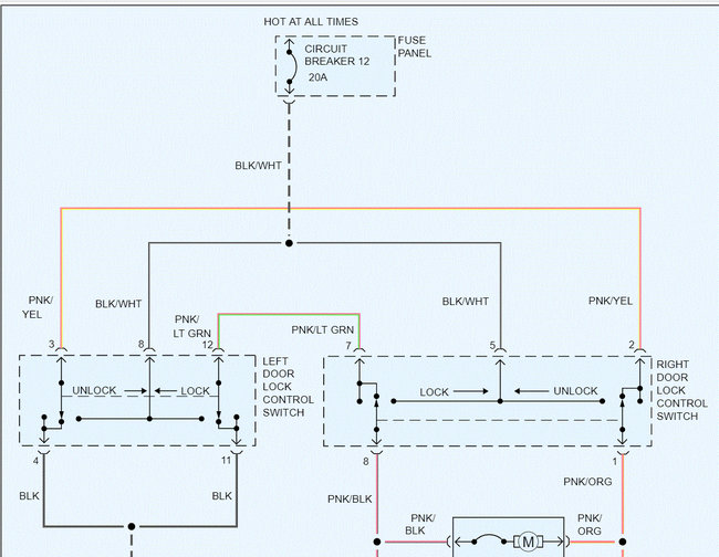
The driver door lock doesn’t do anything, nothing, not a noise. The passenger power locks only locks, it does not unlock.
I have tried to look around to see if I could see any other wires that could have been botched up by the previous owner, broken, cut, etc., but can’t find anything.
Any suggestions of where to go from here?
But, I ended up connecting wires back to how they were originally connected.
Here’s my problem: All power windows work.
The driver door lock doesn’t do anything, nothing, not a noise. The passenger power locks only locks, it does not unlock.
I have tried to look around to see if I could see any other wires that could have been botched up by the previous owner, broken, cut, etc., but can’t find anything.
Any suggestions of where to go from here?
Apr 18, 2020 at 6:35 PM




