power seats driver and passenger side does not work

2003 CHEVROLET TAHOE
298,000 MILES • 5.3L • V8 • 4WD • AUTOMATIC
Avatar
LDORSEYJR25
  • MEMBER
  • 1 POST
power seats driver and passenger side doesn't work.
Feb 22, 2021 at 6:01 PM
Advertisement
Avatar
JACOBANDNICKOLAS
  • CERTIFIED EXPERT
  • 110,175 POSTS
Hi,

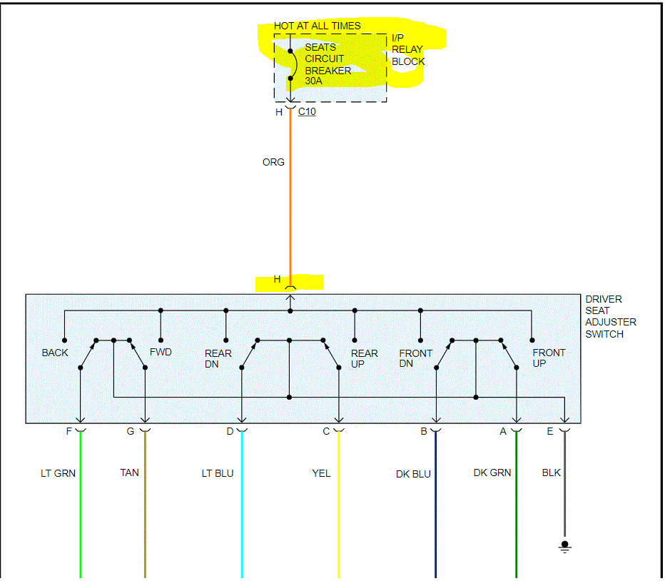
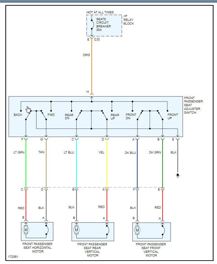
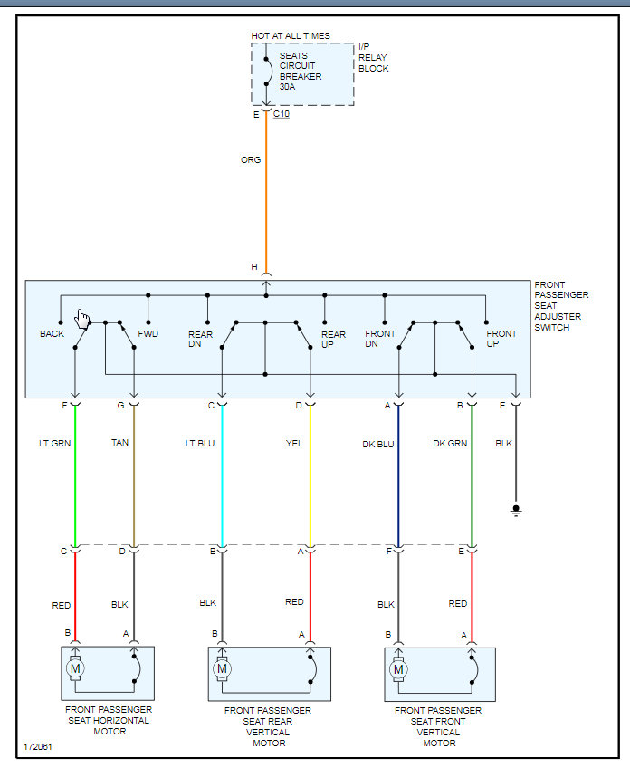
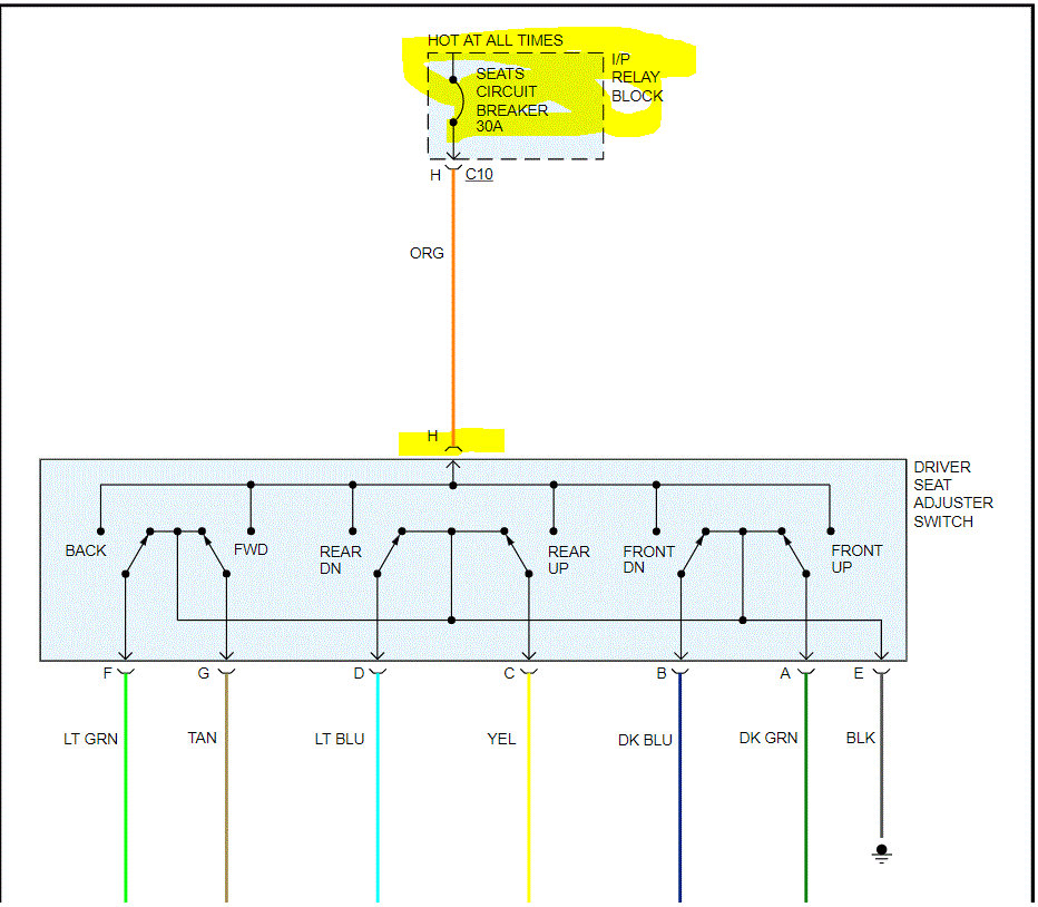
If both failed at the same time, I suspect it is a bad circuit breaker in the instrument panel relay box. If you look at pics 1 and 2, I included the entire wiring schematic for the driver's side. I highlighted the circuit breaker. Also, I highlighted an orange wire that will be at the switch on the seat. Check that wire for power. Pics 3 and 4 are of the passenger's seat. It is basically the same, just a different seat. Do the same there.

Here is a link to help with confirming power is in the relay/fuse box:

https://www.2carpros.com/articles/how-to-check-a-car-fuse

Here is a link that explains how to test wiring. This will help when you check the orange wires at the switch for power.

https://www.2carpros.com/articles/how-to-check-wiring

Pic 5 shows the location of the circuit breaker in the box.

_____________________________________

I hope this helps. Let me know if you have other questions.

Take care and God Bless,

Joe



Feb 23, 2021 at 6:48 PM
Avatar
KASEKENNY
  • CERTIFIED EXPERT
  • 18,907 POSTS
We need to check the seat circuit breaker fuse in the IP relay block because it runs both seats. Then we need to check power to the motors from the switch.

I attached the wiring diagram for both seats but I suspect the fuse is the issue.

https://www.2carpros.com/articles/how-to-check-a-car-fuse

https://www.2carpros.com/articles/how-to-check-wiring

Let us know what you find. Thanks
Feb 23, 2021 at 6:49 PM
Advertisement