No power to the driver side passenger side and the rear vent windows

2004 CHEVROLET VENTURE
184,895 MILES • 6 CYL • AUTOMATIC
Avatar
STEVE BROOKS
  • MEMBER
  • 3 POSTS
I've checked a 30 amp and it's good. what else could it be?
May 10, 2021 at 10:20 AM
Advertisement
Avatar
KASEKENNY
  • CERTIFIED EXPERT
  • 18,907 POSTS
More than likely this is a master window switch issue but it could also be a ground issue as both these systems share the G302 ground.

However, if the door locks are working then the ground is most likely fine as it shares this ground as well.

What I would do is check the voltage coming out of the switch when opening or closing the window so that we can see if there is voltage.

https://www.2carpros.com/articles/how-to-check-wiring

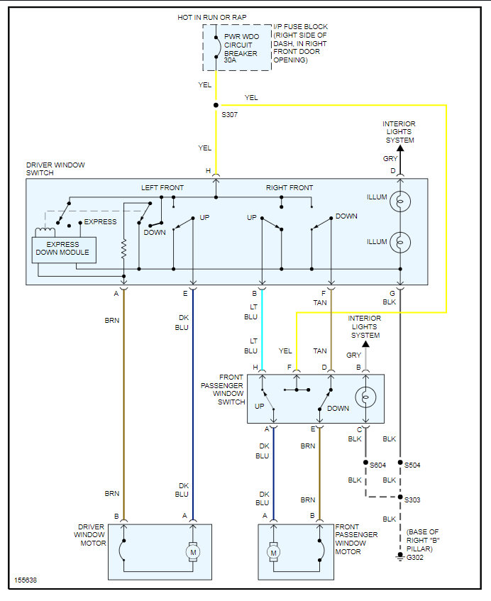
As you can see the passenger switch runs out of the master so if the master is not working then both stop working.

Please let us know what questions you have and we can go from there. Thanks
May 11, 2021 at 3:55 PM
Avatar
STEVE BROOKS
  • MEMBER
  • 3 POSTS
The lock switch will lock, but not unlock on both sides.
May 12, 2021 at 10:15 AM
Advertisement
Avatar
KASEKENNY
  • CERTIFIED EXPERT
  • 18,907 POSTS
Okay. So if I understand this, when you press the lock button on either front door, they will both lock. However, when you press the unlock button on either side, neither will unlock?

If this is the case, it still sounds like the master switch. The way it works is anything the either switch does runs through the master switch. So if the master switch is failed then it will have the same issue on both sides.
May 13, 2021 at 6:20 PM
Avatar
STEVE BROOKS
  • MEMBER
  • 3 POSTS
Thanks i appreciate the help.
May 15, 2021 at 12:19 PM
Avatar
KASEKENNY
  • CERTIFIED EXPERT
  • 18,907 POSTS
You are welcome. Let us know how it turns out as that will surely help others that experience the same thing. Thanks
May 16, 2021 at 5:15 PM