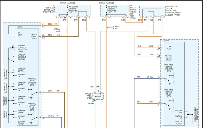
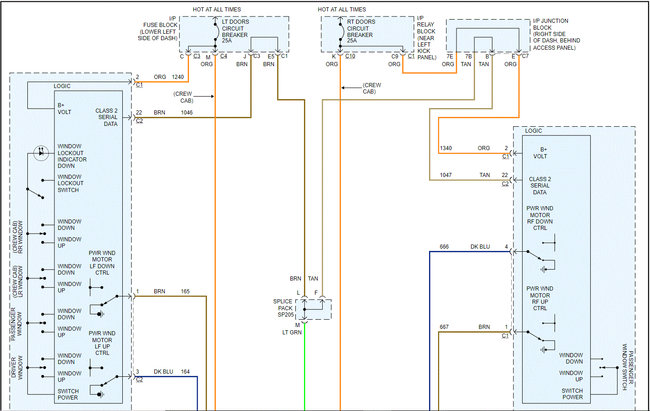
I'm having problems with my window control panel I'm using a Yukon window control wires for my GMC Sierra window original and I can't figure it out with color and wire goes with what.
Jun 7, 2021 at 12:57 PM



