Pulsing brakes

1998 FORD F-150
186,000 MILES • 4.6L • V8 • 2WD • MANUAL
Avatar
JJB1960
  • MEMBER
  • 8 POSTS
I have replaced everything on the brake system, except for the steel brake lines. Rebuilt the whole front end, everything was working as it should for about 2 months and then i noticed the pulse in the brake. Now it can be 20 below zero or 80 outside, from my driveway to the stop sign is about 200 yards and it pulses the brakes. Hot or cold, it doesn't matter. 50 ft or 50 miles, doesn't matter. Soft or hard braking, doesn't matter. All pads and shoes wearing normal. Feel like burning it to the ground. Ideas?
Feb 6, 2021 at 3:39 PM
Advertisement
Avatar
CARADIODOC
  • CERTIFIED EXPERT
  • 34,308 POSTS
Are you referring to a pulsing in the brake pedal or "false activation" of an anti-lock brake system? If you replaced the rotors during the recent service, expect them to warp in about three months. A one-time light machining will take care of that. If you demand new rotors under warranty, you'll just have the same problem in another few months.

If you're experiencing false ABS activation where they come into operation when they aren't needed, that's caused by a signal dropout from one of the wheel speed sensors. As the wheels slow down, the speed signals become weaker, sometimes to the point one is too weak to be read by the computer. It thinks that wheel has locked up, so it modulates brake fluid pressure to that wheel. This will not set a diagnostic fault code because all of the sensors have to have good electrical circuits for the system to operate, so there's no defect there, and once up to a higher speed, the signal pulses, even though a little weak, are of the correct frequency to match the other wheels. As far as the computer is concerned, the system is working properly. It looks at the frequency of the signal pulses, not the strength, or voltage. You'll feel that as a rumble or buzzing in the brake pedal, much faster than the slower thumping from a warped rotor.

You'll need a scanner to view the wheel speed signals and to see which one drops to "0" too soon as you slow down. This is a real common problem on GM trucks. The repair often involves removing the front wheel speed sensors to clean off rust that has built up under the sensors' mounting flanges. If you need to do one, you might as well do both right away. Ford's front sensors are much more substantial than GM's, but they also have a mounting flange where rust can get underneath. That pushes the sensor away from the toothed tone ring. Along with speed, the gap between the sensor and tone ring also affects signal strength. When the gap gets too big, the signal gets weaker.

Also look at the speed sensor in the top of the rear axle housing, if your ABS system uses one. Their signals become weak when "hair", meaning metal filings, build up on the tip of the magnet inside the sensor. This photo shows those sensors. The red arrows are pointing to the places to check for rust buildup. The blue arrows are pointing to where to look for debris sticking to the tips of the magnets that will reduce the effects of the magnetic fields and reduce signal strength.
Mar 10, 2021 at 1:20 PM
Avatar
JJB1960
  • MEMBER
  • 8 POSTS
Okay. Thank you. I will check this out. I guess i should have put the vehicle has "rabs". And since the rotor were new i didn't think they could warp so soon. I will check them out also.
Mar 10, 2021 at 1:20 PM
Advertisement
Avatar
CARADIODOC
  • CERTIFIED EXPERT
  • 34,308 POSTS
When we make parts out of cast iron, we set them aside for 90 days to "age" before they get their final machining. Most rotors today come from China. There's nothing wrong with their quality, but they cast 'em, machine 'em, pack 'em, and ship 'em, then they age on your vehicle. Minor warping is to be expected. This is easiest to see when they're mounted up on a brake lathe, but you can do the preliminary checks yourself with a dial indicator.

Snug up at least three lug nuts with the wheel removed, then place the tip of the dial indicator by the purple arrow. Spin the rotor by hand and check for any "lateral run out". The maximum allowed is only .002". That's less than the thickness of a sheet of paper. Typically it will be a real lot worse if it's causing a thumping you can feel in the brake pedal.

If you find run out is excessive, before you run to the auto parts store to have them machined, place the dial indicator by the orange arrow and check it again. If the first reading was excessive and caused by warpage, this second reading will be real low. If you find this one is also noticeable, remove that rotor and check in the area of the green arrow for chunks of rust, scale, or other debris that got caught between the rotor and hub. That will cause the rotor, wheel, and caliper to wobble back and forth.

You can also use the dial indicator to measure lateral run out at the outer edge of the wheel. If the rotor's run out is real low, but it's high at the wheel, check for debris stuck behind the wheel where it mounts against the rotor. This is especially common with cast aluminum wheels when they corrode and chunks break off, then the wheel is reinstalled in a different orientation. It's much less common when new rotors were installed.
Mar 10, 2021 at 1:20 PM
Avatar
JJB1960
  • MEMBER
  • 8 POSTS
Will do. Thanks. Will let you know how it goes.
Mar 10, 2021 at 1:20 PM
Avatar
ASEMASTER6371
  • CERTIFIED EXPERT
  • 52,796 POSTS
Good afternoon,

Make sure the surface is good and clean where the sensor mounts. If it is dirty, it will cause this issue.

https://www.2carpros.com/articles/abs-warning-light-on-easy-repair-guide

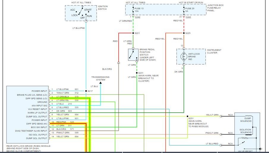
I attached a wiring diagram for you of the system. Check the resistance of the sensor. It should be 800-1600 ohms. If it is not, replace the sensor.

https://www.2carpros.com/articles/abs-wheel-speed-sensor-test

https://www.2carpros.com/articles/how-to-replace-an-abs-wheel-speed-sensor

Roy

Mar 10, 2021 at 1:20 PM
Avatar
CARADIODOC
  • CERTIFIED EXPERT
  • 34,308 POSTS
A problem with the wiring or sensor would be detected and a diagnostic fault code related to that would be set. The computer would shut the system down, then it wouldn't cause false activation, and it wouldn't engage under normal operation.
Mar 10, 2021 at 1:20 PM
Avatar
JJB1960
  • MEMBER
  • 8 POSTS
So i went to check out the run out on the rotors, but first i wanted to check everything else out since i did buy the rebuild kit on eBay, i wanted to make sure the rest of it was doing its part after what you said about the rotors being made in China. So the driver side lower control arm, front bushing was seizing up and the lower ball joint was bad. It wobbled in my finger. Got a new one and installed it and then we went to -16 outside and i took a brake. It's finally warming up and went for a drive, still have the pulsing in the pedal. Not even as bad as it was, and it doesn't feel like it's going to lock up when i touch the brake pedal, but there is still something wrong in rear brakes. I will now check out the RABS.
Mar 10, 2021 at 1:20 PM
Avatar
ASEMASTER6371
  • CERTIFIED EXPERT
  • 52,796 POSTS
Keep us updated.

Roy
Mar 10, 2021 at 1:20 PM
Avatar
JJB1960
  • MEMBER
  • 8 POSTS
Okay, im back. Now that we thawed out. So mounted to the brake booster and master cylinder, is what i call a proportioning valve. It barely says anything anywhere about this. I even have the Ford manuel on this truck and it doesn't really say anything either. Anyway, i took it off last night and found out 1st thing, this is not waterproof, it was full of water and dirt. Cleaned it up and tested the coils and only 1 side is working. In the book they call it either a generic brake module or the rabs module. Can't really tell because the wires are different colors than in the book. Tried pulling it up on the auto parts web site, no info, same with the other 2 sites here. Went up to the Ford dealer, and it was a job finding this part on their computer, be we finally did. They believe it is made of gold. If anybody has this valve that would part with it, would much appreciate it. It has 1 line that goes in and 1 that comes out. Don't know if this is the problem with the pulsing, but it's probably part of it.
Mar 10, 2021 at 1:20 PM
Avatar
ASEMASTER6371
  • CERTIFIED EXPERT
  • 52,796 POSTS
What was the result of the check for the rotors? I would be looking more at the basics before going to the master and the valve.

No, that valve will not cause the issue. Can you upload a picture of the valve for me to see?

https://www.2carpros.com/articles/how-to-replace-a-abs-controller

Roy

Mar 10, 2021 at 1:20 PM
Avatar
CARADIODOC
  • CERTIFIED EXPERT
  • 34,308 POSTS
If there's two valves and multiple wires, that's the RWAL valve assembly, (rear-wheel-anti-lock) valves. One is a "block" valve that blocks additional brake fluid from going to the rear wheels if they're slowing down too quickly. If blocking the fluid doesn't bring the wheels back up to speed, the other valve is a "dump" valve that bleeds off some of the fluid pressure to those rear wheels. Those valves don't cycle as fast as those in four-wheel ABS systems, and I don't recall ever hearing or feeling them operate on any brand or model. At most, under long skids or a prolonged stop, the brake pedal will gradually sink closer to the floor because these systems don't have any type of pressure pump like you find in four-wheel systems. The "reapply" function is simply provided by the driver pushing the brake pedal further.

You found the pulsing isn't as bad now after a ball joint was replaced. This is a perfect example of what I have a hard time describing. Pulsing in the brake pedal or shaking in the steering wheel has to be caused by something that is rotating, but to confuse the issue, any part that holds the spindle / wheel in alignment can allow that shaking to occur or get worse, but it won't cause it. The worn ball joint wasn't causing any pulsing, but it could have allowed it be worse. That's a clue that points to the rotors.
Mar 10, 2021 at 1:20 PM
Avatar
JJB1960
  • MEMBER
  • 8 POSTS
Thanks again. I'm going to check the rotors now. Will let you know.
Mar 10, 2021 at 1:20 PM
Avatar
ASEMASTER6371
  • CERTIFIED EXPERT
  • 52,796 POSTS
Yes, those are proportioning valves but I don't believe they are your issue.

Roy
Mar 10, 2021 at 1:20 PM