Hi Jason,
The stored code was that before or after today's scan you are planning on?
Either way that code could be a simple as the gas cap not being tight but here is the over all description of it.
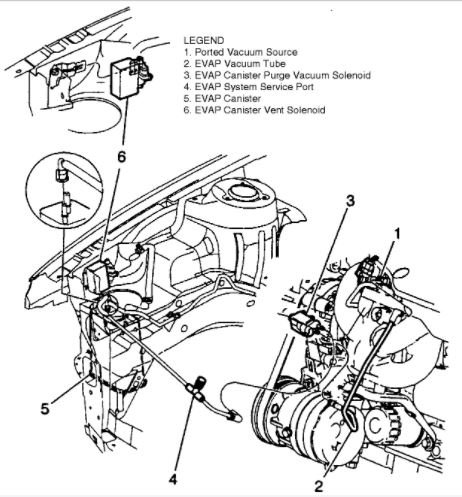
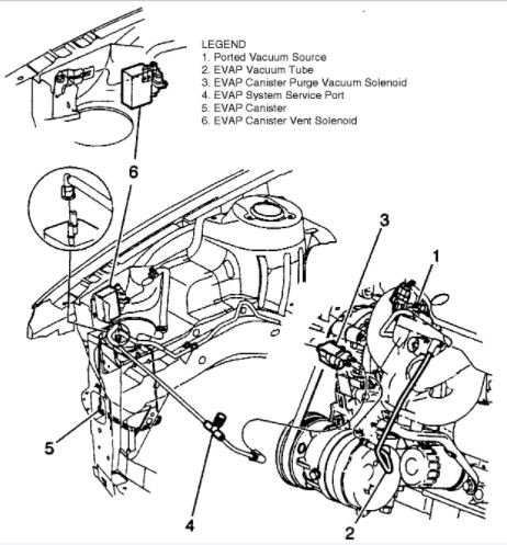
This diagnostic trouble code (DTC) is a generic powertrain code, which means that it applies to OBD-II equipped vehicles. Although generic, the specific repair steps may vary depending on make/model. This indicates that a part of the EVAP control system is no longer functioning correctly. The EVAP system consists of many parts, including (but not limited to) the gas cap, fuel lines, carbon canister, purge valve, and other hoses The (EVAP) emission control system prevents the escape of fuel vapors from a vehicle's fuel system. Fuel vapors are routed by hoses to a charcoal canister for storage. Later, when the engine is running a purge control valve opens allowing intake vacuum to siphon the fuel vapors into the engine.
Symptoms You likely won't notice any drivability problems. Causes A code P0440 could mean one or more of the following has happened: The gas cap is not installed or working properly The purge solenoid has failed The canister is plugged and not working properly.
AS for the fan still coming on before you feel it should be could be air in the cooling system migrating around. Has the car actually over heated lately? One way to know whether or not there is an air bubble int here is to fell the heat coming out of the cabin heating. If its hot then at some point gets cooler or cold that air moving around. Top off your radiator when the car is cold, make sure your coolant overflow canister has coolant in it up to its full line. Then go for a drive till it reaches normal operating temperature, when it cools off it should suck coolant out of the overflow into the radiator. Some cars your need to do this a couple of times especially if it in fact you had either run low because of a leak or an overheating event.
Let me now if those things help,
Tom
Sep 1, 2020 at 11:26 AM