I attached the procedure for removing the heads from the truck for you below.
Let me know if you have any other questions.
Roy
Cylinder Head Replacement - Left
^ Tools Required
- J 36660-A Electronic Torque Angle Meter
Removal Procedure
1. Disconnect the negative battery cable.
2. Drain the cooling.
3. Remove the drive belt.
imageOpen In New TabZoom/Print
4. Loosen the nut holding the power steering pump rear bracket to the side of the engine.
5. Remove the nut holding the power steering pump rear bracket to the front of the engine
6. Remove the three bolts and the nut holding the power steering pump mounting bracket to the engine.
7. With the power steering pump and the A/C compressor still attached, slide the power steering pump mount bracket off of the stud and set aside.
imageOpen In New TabZoom/Print
8. Remove the power steering pump mounting bracket stud from the cylinder head.
9. Remove the lower intake manifold.
10. Remove the exhaust manifold.
imageOpen In New TabZoom/Print
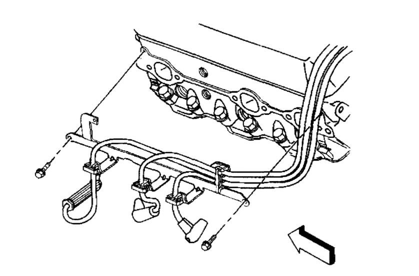
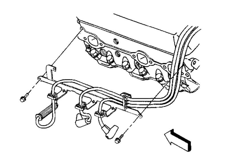
11. Remove the spark plug wire harness and the spark plug wire support.
12. Remove the valve pushrods.
imageOpen In New TabZoom/Print
13. Remove the ground wire bolt and the ground wire from the rear of the cylinder head.
14. Secure the ground wire out of the way.
15. Remove the bolt holding the fuel pipe bracket to the rear of the cylinder head.
imageOpen In New TabZoom/Print
16. Remove the engine coolant temperature sensor.
17. Remove the spark plugs.
imageOpen In New TabZoom/Print
18. Remove the cylinder head bolts.
Images (Click to enlarge)
Mar 4, 2021 at 12:37 PM