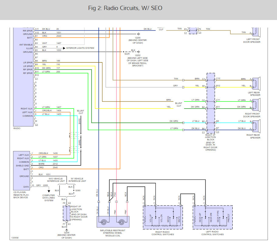
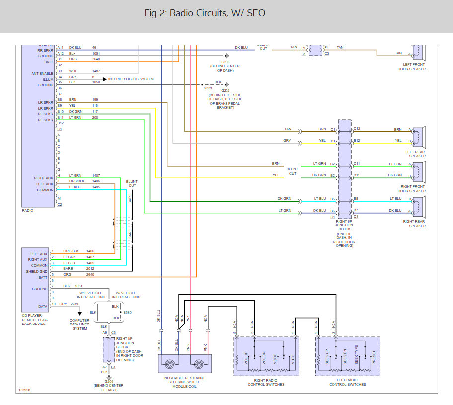
I have the car listed above LS model. I am swapping out the radio one and after I installed the aftermarket radio I decided to take it back and put the original radio back in. for some reason my radio won’t turn on. it lights up like the buttons light up but the radio has no display or anything. how can I fix this ?
May 13, 2019 at 8:53 AM



