Radio and cigarette lighter not working

2007 TOYOTA COROLLA
100,099 MILES
Avatar
JULI49
  • MEMBER
  • 1 POST
I randomly lost power to my cigarette lighter charger and radio about a month ago. I’ve since changed the 15-amp fuse under my steering wheel but neither the cigarette lighter nor radio is working. I used a fuse checker but there doesn’t seem to have any power going to the fuse even though it’s recently changed.
Apr 2, 2022 at 12:35 PM
Advertisement
Avatar
JACOBANDNICKOLAS
  • CERTIFIED EXPERT
  • 110,175 POSTS
Hi,

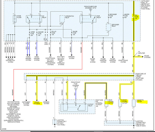
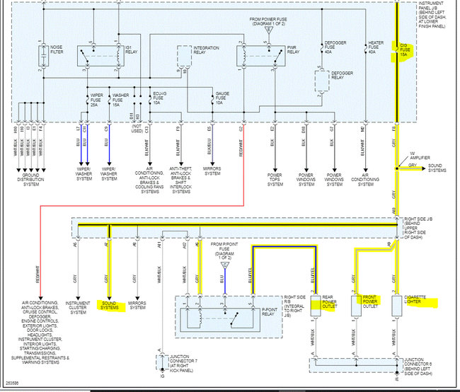
The fuse should only have power with the key on. Is that how it was checked? If so, I went through the power distribution schematics, started at the radio and power outlets, and worked backward.

Both items have the same power supply. I've attached the schematic below and have highlighted the wires involved.

Here is what I need you to do. First, check the AM 1 fuse in the instrument panel fuse box. It is a 25-amp fuse that powers the 15 amp fuse you found to have no power. From there, power goes to the ignition switch and then back to the 15 amp fuse you replaced.

Here is a link you may find helpful. It is important to confirm power to the fuse.

https://www.2carpros.com/articles/how-to-check-a-car-fuse

When you look at the schematic below, note that it was originally two pages long. I had to cut each page in half to make them readable for you. I did overlap them so you can follow from one to the next.

The last pic shows the fuse to check in the fuse box. Again, if it is good, confirm it has power to it.

Take care and let me know the results.

Joe

See pics below.
Apr 2, 2022 at 10:50 PM