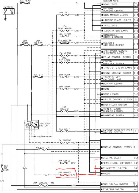
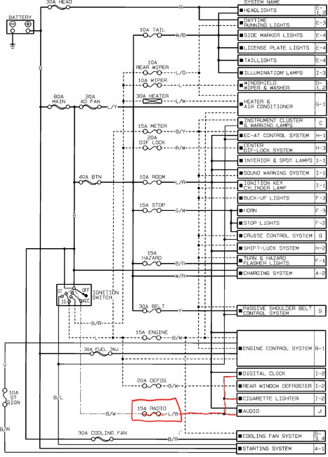
Just purchased this car with minor electrical issues. Radio, cig, and clock have no power at all. Could this all be attributed to fuses, or could a larger problem be the cause?
Oct 1, 2019 at 6:49 PM


