Can I get the radio diagram?

2020 KIA SPORTAGE
67,400 MILES • 2.0L • 4 CYL • TURBO • 4WD • AUTOMATIC
Avatar
ZAYA1998
  • MEMBER
  • 1 POST
Adding sub need radio diagram.
Oct 8, 2023 at 11:13 PM
Advertisement
Avatar
MONSTERTRUCKDADDY
  • CERTIFIED EXPERT
  • 31 POSTS
Hello,

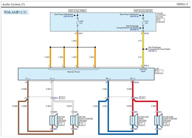
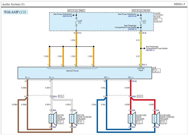
Attached you will find an array of diagrams showing the audio system in your vehicle.

Do you have any questions beyond just looking for the diagrams?

Let us know, we'd be glad to help with your install.

Thanks!

Jason
Oct 9, 2023 at 4:21 AM