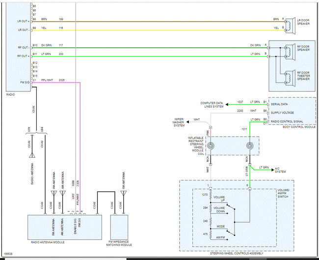
My radio was working fine, then I disassembled it to replace the stretched off buttons. When I reassembled it, it won’t turn on.
I did not unplug anything from the back of the radio. I had to unplug a few wires to get the face off.
I double checked I plugged all the wires back in.
When I push power, nothing happens. The clock does appear. I don’t even get “locked on the screen.
Any ideas? Is there a reset?
Thanks.
I did not unplug anything from the back of the radio. I had to unplug a few wires to get the face off.
I double checked I plugged all the wires back in.
When I push power, nothing happens. The clock does appear. I don’t even get “locked on the screen.
Any ideas? Is there a reset?
Thanks.
May 2, 2021 at 2:21 PM



