Radio problems

2004 GMC YUKON
107,000 MILES • 4WD • AUTOMATIC
Avatar
ASHLEIGH WOOTEN
  • MEMBER
  • 1 POST
When I originally purchased this SUV there was an issue with wiring to the radio and sometimes the screen would go black but the radio still worked just fine. Well now my radio has completely stopped working. It does nothing. I’ve tried replacing the amp, twice, because I thought maybe the first one was bad, but it did nothing. I’ve Googled it over and over but all I can find are issues with no sound, and the one article I did find with this exact issue it stated to change the amp. What else could be causing this issue? I have power to everything else, because I’ve also seen articles where the radio, power windows and locks have went out but mine is just the radio.
May 8, 2019 at 2:59 PM
Advertisement
Avatar
JACOBANDNICKOLAS
  • CERTIFIED EXPERT
  • 110,175 POSTS
Welcome to 2CarPros.

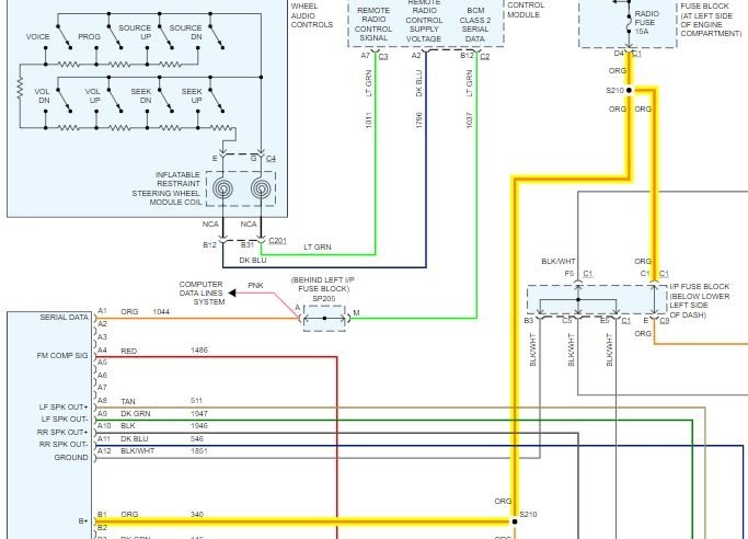
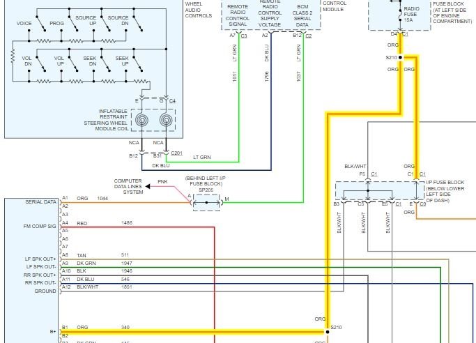
First, I am seeing a specific fuse just for the radio in the under hood fuse box. Take a look at picture 1. Check that first. If it is good, you will need to confirm power is getting to the radio. You will need to disconnect the multi pin connector and check for power to pin B1. It will be an orange wire. If you look at picture 3, it shows power comes from the fuse I mentioned and goes two directions. One is to the stereo receiver and the other the amp.

Here are a few links you may find helpful:

https://www.2carpros.com/articles/how-to-use-a-test-light-circuit-tester

https://www.2carpros.com/articles/how-to-use-a-voltmeter

https://www.2carpros.com/articles/how-to-check-wiring

https://www.2carpros.com/articles/how-a-car-fuse-works

https://www.2carpros.com/articles/how-to-check-a-car-fuse



Let me know if this helps or if you have other questions.

Take care,
Joe
May 8, 2019 at 6:03 PM