radio wiring diagram needed?

2003 CHEVROLET TRAILBLAZER
170,000 MILES • 5.3L • 4WD • AUTOMATIC
Avatar
K_MANNING28
  • MEMBER
  • 1 POST
the Bose amp got fried and got another Bose amp from a GMC Envoy, I think it was a 2204 or 2005 and its made different but the 2 bigger pugs are interchangeable, but the old one had a 3rd plug with 3 wires, a dark blue, light green and a dark green that the newer amp does not have. Looking for a wiring diagram to see if i can rewire it to work. Part number on old one is15187195 newer one is 15268210. Thanks for any help.
Apr 7, 2023 at 8:04 PM
Advertisement
Avatar
STRAILER
  • CERTIFIED EXPERT
  • 53,855 POSTS
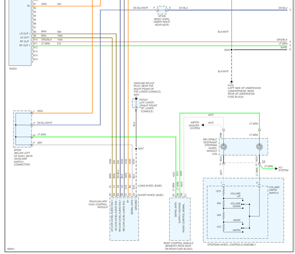
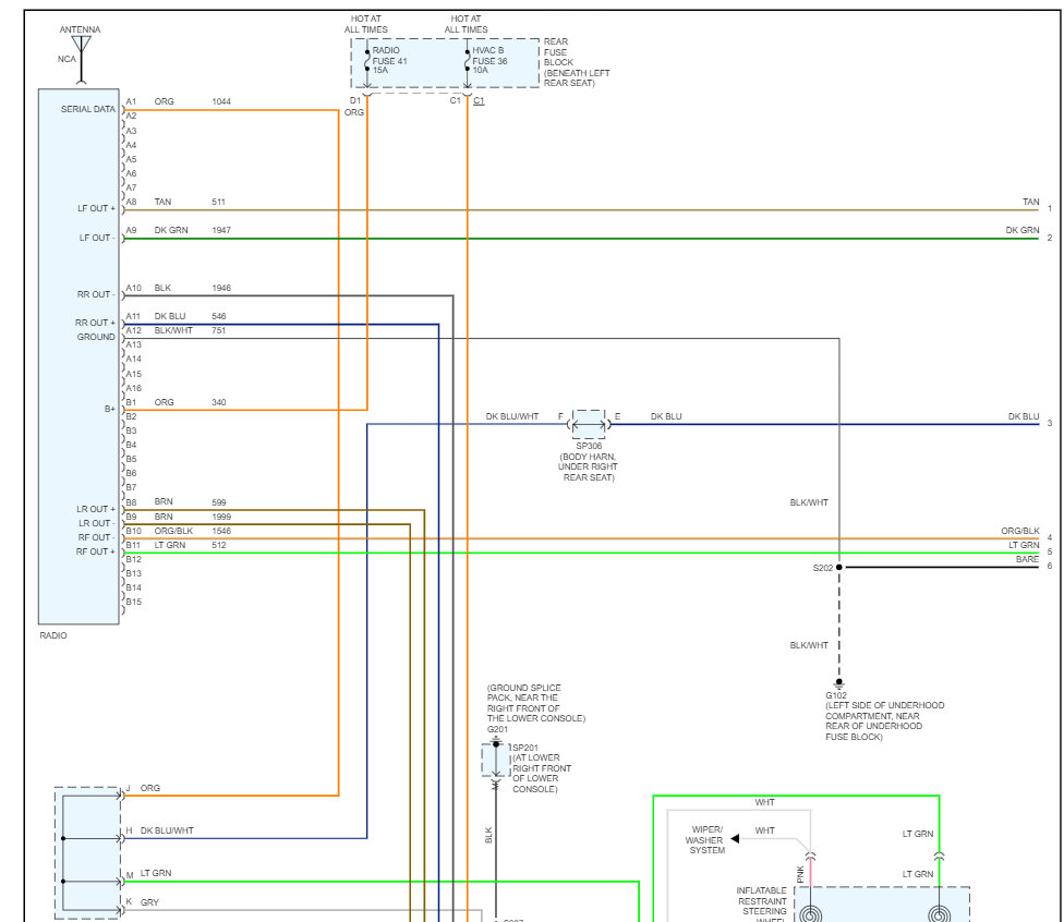
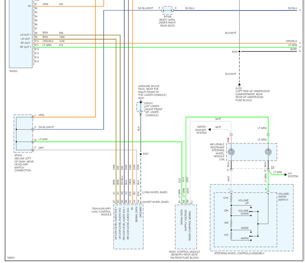
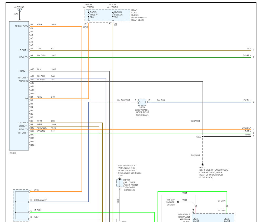
Yep, here are the radio wiring diagrams as requested and I have included a guide to help you check the connections as well.

https://www.2carpros.com/articles/how-to-check-wiring


Check out the images (below). Please let us know if you need anything else to get the problem fixed.
Apr 8, 2023 at 12:19 PM