I am trying to help a friend with his "beater" truck and have a question concerning the head bolts.
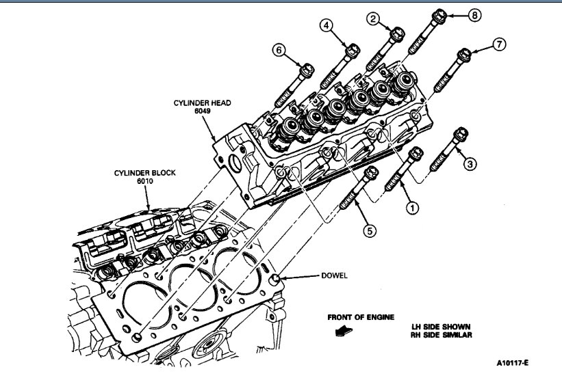
Did the 3.0L Vulcan engine found in the 1994 Ranger have torque-to-yield head bolts or were they "standard" head bolts? What I am trying to find out is it really necessary to replace the existing bolts since it is just a "beater"?
Also, could you provide the torque specifications for both cases?
Thank you in advance for your reply. You have always been so helpful in the past.
Did the 3.0L Vulcan engine found in the 1994 Ranger have torque-to-yield head bolts or were they "standard" head bolts? What I am trying to find out is it really necessary to replace the existing bolts since it is just a "beater"?
Also, could you provide the torque specifications for both cases?
Thank you in advance for your reply. You have always been so helpful in the past.
Jul 16, 2023 at 9:16 PM

