Hello!
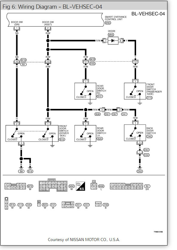
As described in the subject line, the problem is the tailgate actuator not responding. However, when i picked it out and tested it with current directly onto the upper contact, the actuator worked just fine.. i have checked all the connections i can find in the rear door, and they all seems to be ok for dirt and corrotion. It is a complete mystery to me -does the rear tailgate actuator have its own fuse?
Furthermore i cannot find any fuse for the centrallocking system at all.
What can the problem be?
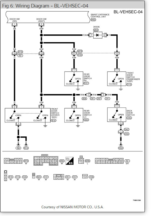
As described in the subject line, the problem is the tailgate actuator not responding. However, when i picked it out and tested it with current directly onto the upper contact, the actuator worked just fine.. i have checked all the connections i can find in the rear door, and they all seems to be ok for dirt and corrotion. It is a complete mystery to me -does the rear tailgate actuator have its own fuse?
Furthermore i cannot find any fuse for the centrallocking system at all.
What can the problem be?
Feb 16, 2014 at 7:14 AM


