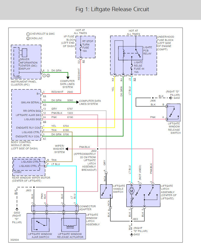
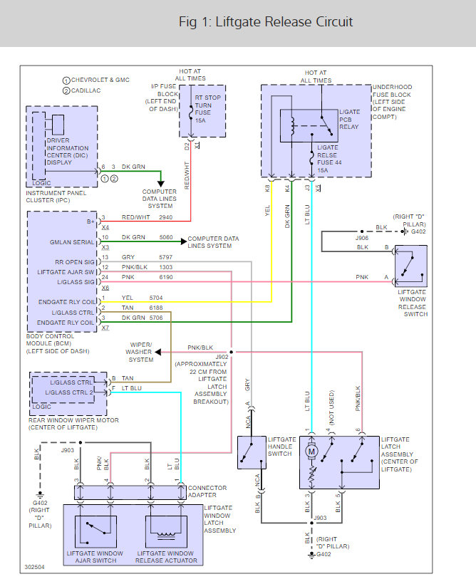
My rear lift gate stopped opening with the handle. I was out of town and for a few days I could open with overhead switch and remote. now I cannot even open with remote or overhead switch and there is no noise when I use remote and overhead switch. when i use the remote the tail lights flash but nothing happens with the latch.
Jan 5, 2018 at 5:56 PM
















