Rear taillights get fast clicks?

2005 FORD RANGER
141,000 MILES • 3.0L • 6 CYL • 2WD • AUTOMATIC
Avatar
ED RANGER 64
  • MEMBER
  • 6 POSTS
Hello,

My vehicle listed above started by having the fast right and fast left signal clicking faster when i placed the brake down. Went to WM and got syl bulbs 4157 for brake 3156 for reverse lights When turn on or engages for signal still get fast clicks and all lights are very dim ie: turn, reverse and brake 3rd light is normal I have not check fuses as of yet or gone in dash for turn signal relay FYI i do have an exposed pig tail on back of truck.
Oct 21, 2024 at 3:22 PM
Advertisement
Avatar
STRAILER
  • CERTIFIED EXPERT
  • 53,855 POSTS
It looks like you have the incorrect bulbs for the running and brake lights which can back feed into the system which will cause the issue you are having.

1. rear running and brake light bulbs are typically 3157 dual filament bulbs.

2. uses 3156 bulbs for the rear reverse (backup) lights.

Once the bulbs are correct you will probably have the same problem of them blinking fast. This is because the flasher module is going out, here is the location so you can change it out to help fix the problem. Check out the images (below). Please upload pictures or videos in your response of any problems so we can see what to help you with.
Oct 21, 2024 at 5:49 PM
Avatar
ED RANGER 64
  • MEMBER
  • 6 POSTS
i will get the updated bulbs and let you know would you go with OEM signal relay ?
Oct 21, 2024 at 6:24 PM
Advertisement
Avatar
STRAILER
  • CERTIFIED EXPERT
  • 53,855 POSTS
If you can I would, but if an aftermarket works that would be okay as well.
Oct 22, 2024 at 10:26 AM
Avatar
ED RANGER 64
  • MEMBER
  • 6 POSTS
okay, placed correct bulbs in sockets Reverse does not come on turn signal, stop lights, parking light are filament thin. So, do i replace all of the sockets next and just work backwards or would you look for a bad ground? Do you think the relay has anything to do with this?
Oct 23, 2024 at 4:42 AM
Avatar
STRAILER
  • CERTIFIED EXPERT
  • 53,855 POSTS
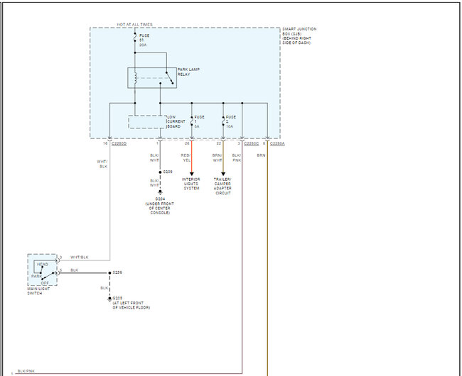
Yes, I would check the ground for the system. here is a guide to help you and I have included the wiring diagrams, and I have marked the ground wire to test.

https://www.2carpros.com/articles/how-to-use-a-test-light-circuit-tester

Connect the test light to power and remove the bulbs before testing the black wires.
Oct 23, 2024 at 10:42 AM
Avatar
ED RANGER 64
  • MEMBER
  • 6 POSTS
Hello, hope you had a nice holiday.
Back at it on Ranger.
Update replaced turn siginal relay nothing has updated 1. New relay
1 and 2 show bp depress
3 and 6 show light switch no bp drepressed
4 and 5 show high mount with bp and wo

Cut pig tail off have not wrap yet went under truck inspected up to grpound all looks good.
Have not tested ground with light as i only have cheap volt meter.
Thoughts Ed
Dec 26, 2024 at 1:04 PM
Avatar
STRAILER
  • CERTIFIED EXPERT
  • 53,855 POSTS
Thanks for the images, is the blue bulb custom? If not, the bulb is bad. I would check the ground and then if that is okay replace the flasher module.

Please go over this guide as well:

https://www.2carpros.com/articles/turn-signals-blink-rapidly



Let me know :)
Dec 27, 2024 at 10:18 AM
Avatar
ED RANGER 64
  • MEMBER
  • 6 POSTS
Hello, the bulb is right out of a Sylvania package no am on these issues.
I have another observation.
Vehicle running brighter but not the best brake on with headlights and goes dark at brake bulbs.
Reverses does about the same. do you think i should replace the sockets for all 4 or just keep with diagnosis?
Dec 27, 2024 at 10:29 AM
Avatar
STRAILER
  • CERTIFIED EXPERT
  • 53,855 POSTS
The bulbs are supposed to be clear.
Dec 27, 2024 at 10:48 AM
Avatar
ED RANGER 64
  • MEMBER
  • 6 POSTS
no problem will go get them.
Dec 27, 2024 at 10:49 AM
Avatar
STRAILER
  • CERTIFIED EXPERT
  • 53,855 POSTS
Okay, I think that should fix it.
Dec 28, 2024 at 10:11 AM