Rear wiper not working

2018 CHEVROLET EQUINOX
5,998 MILES • 1.5L • 4 CYL • TURBO • 2WD • AUTOMATIC
Avatar
MIKE ALDANO
  • MEMBER
  • 2 POSTS
Rear wiper not working checked fuse it's fine.
Nov 13, 2020 at 11:39 PM
Advertisement
Avatar
KASEKENNY
  • CERTIFIED EXPERT
  • 18,907 POSTS
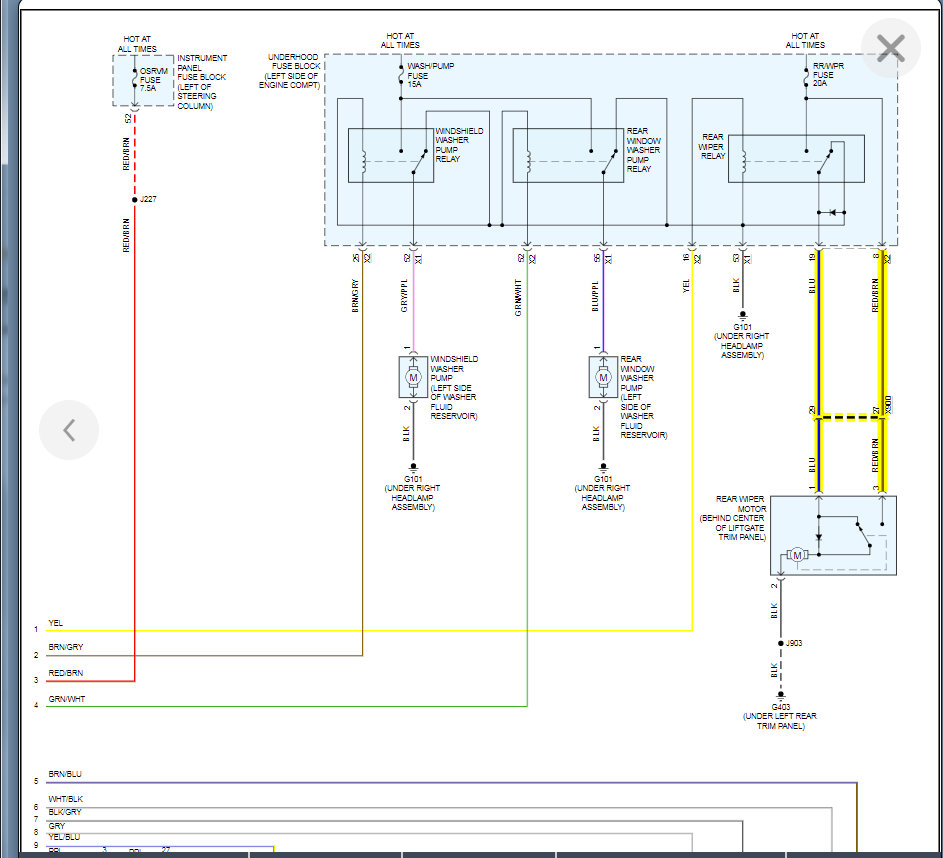
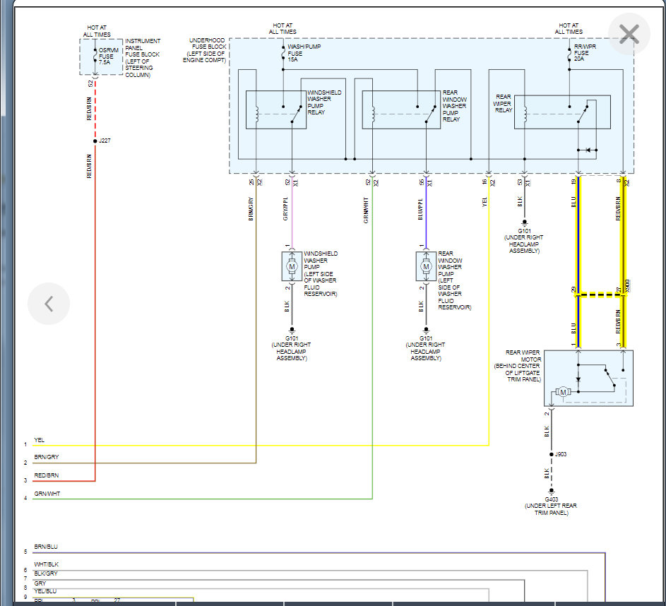
Just to be sure you checked the fuse specifically for the rear wiper? If so, then we need to check the relay for proper operation. Easiest way is to just swap it with another.

Assuming the relay was not the issue, we need to remove and check for power on the terminals for the relay. Looking at the wiring diagram, when you turn the rear wiper on you should have 12 volts on the terminal coming from the yellow wire going to the relay. You should also have 12 volts on the terminal coming from the fuse. Then you can jump either one of those to the terminal going to the motor on the blue wire and the motor should come on.

https://www.2carpros.com/articles/how-to-check-an-electrical-relay-and-wiring-control-circuit

If all this checks out, we need to go to the motor and check for 12 volts and if you have it at the motor then that is the issue and you need to replace the motor.

Let me know what questions you have and we can go from there. Thanks
Nov 14, 2020 at 4:04 AM