relay and switches diagram needed

1989 CHEVROLET 3500
186,000 MILES • 7.4L • V8 • 4WD • AUTOMATIC
Avatar
DAVIS0509
  • MEMBER
  • 8 POSTS
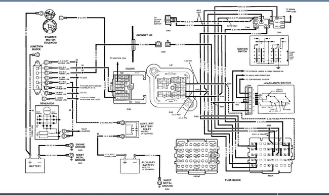
Does anyone have a list or diagram of all the relays and switches under the dashboard where the steering column is? trying to figure out what this one is. i found it taped to a wire harness leading to the fire wall, it has a orange, green, black, and either white or tan wire plugged into the back of it.
Oct 9, 2020 at 8:39 AM
Advertisement
Avatar
JACOBANDNICKOLAS
  • CERTIFIED EXPERT
  • 110,175 POSTS
Hi,

Looking at your pictures, that appears to be for a relay or even a flasher. Do the turn signals and hazard lights work properly?

As far as schematics, I do have them but I'm not sure which to send you. The idea that it appears to be for a relay could mean it is there for optional equipment the vehicle doesn't have. Is there anything not working?

I attached a couple pics below showing the wiring from the fuse boxes and convenience center. I don't see anything with the wire colors you mentioned. However, I am looking at schematics for a truck. Is this a van by any chance?

Let me know
Joe
Oct 9, 2020 at 7:44 PM
Avatar
KASEKENNY
  • CERTIFIED EXPERT
  • 18,907 POSTS
The only relay that I could find that was close to these wires that would be under the dash was the horn relay. Try unplugging it and press the horn switch to see if it works. If the horn works then that was not the relay.

If not, let us know and we can keep looking. Also, we may need to trace the wires to see where the lead which will tell us what it is for.
Oct 9, 2020 at 7:50 PM
Advertisement