Relay chatters

1995 CHRYSLER TOWN AND COUNTRY
162,000 MILES • 3.8L • 6 CYL • 2WD • AUTOMATIC
Avatar
MARKWT
  • MEMBER
  • 2 POSTS
I just bought this van 1995 8th month.
I did not notice it had a chatty relay when the lights are turned on. (Under dash far left bottom row above fuses.)
Did not do due diligence and test lights etc.

Also, the wipers do not work on the windscreen (rear work well).
I take the relay out and all is good (well stops chatting) now rear lights while the relay is out.

Have not been driving much at night. So not as big an issue. Now days are getting shorter and the rain is on the horizon.

Radio lights up but not working and occasionally makes static noise but nothing else.

The door locks have just started not to work of the two front buttons (the open and close all at once) yet they still open and close of the fob.

Actions taken:

I have checked all the fuses and swapped out a few relays (picked up a couple from wreckers a while back).

I have taken the dash down and steering column covers off.

Removed radio still relay chatters, unplugged all the cables at the steering wheel (wiper switch, hazard; cruise control;) tested, still noisy relay.

Please does anyone have any idea as to what might be causing these issues?

Appreciatively,

Mark
Oct 21, 2018 at 2:43 PM
Advertisement
Avatar
CARADIODOC
  • CERTIFIED EXPERT
  • 34,306 POSTS
I can help with the radio if you tell me the model number. It is a 7-digit number on a sticker on top.

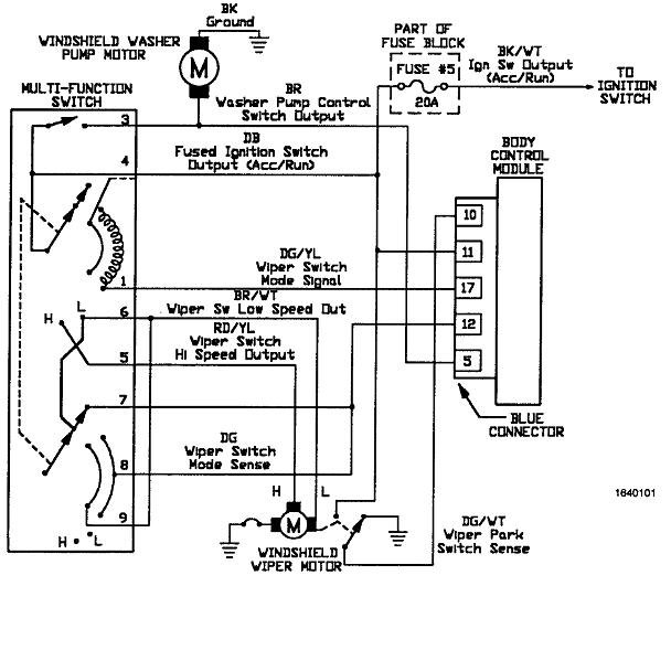
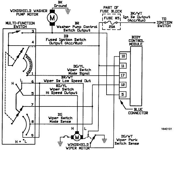
The only diagram I could find is of the rear of the relay box. Can you figure out which relay is chattering and tell me the color of the arrow pointing to it?

Before we get too involved with the wipers, turn them on to the low or high speed, then tug gently on one of the arms. If they suddenly start to run, even intermittently, there is an easy solution for that.

If the wipers do not run when tugging on an arm, check if the front washer pump runs. If it does not, check fuse # 5 in the fuse block under the dash. That is a yellow 20-amp fuse. If that is blown, there is a good chance the "park" switch in the wiper motor's gear box is shorted. In that case, a new fuse will not blow if the front wiper motor is unplugged.
Oct 21, 2018 at 5:44 PM
Avatar
MARKWT
  • MEMBER
  • 2 POSTS
Hi,

Thank you for such a prompt response.
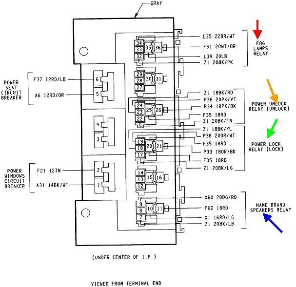
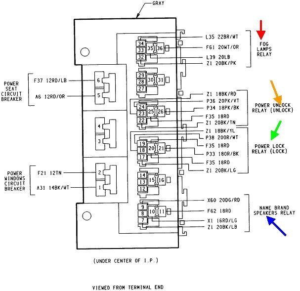
Attached is a diagram that depicts the fuse box under my dash.
in this, it is the relay 'I' that is chatting constantly when the lights are on.
I will try your wiper suggestion when I go outside.
I have checked every fuse and all check okay (I used a Light probe on each side of every fuse).

I have an additional question the "PTC'S" in this diagram what is their function? They appear to be blades that perhaps push in or can be pulled out.
Appreciate your efforts,
Mark
Oct 22, 2018 at 6:47 AM
Advertisement
Avatar
CARADIODOC
  • CERTIFIED EXPERT
  • 34,306 POSTS
Are you sure about the model year? I have a 1994 and a 1995. Neither of them use PTCs. The fuse box layout you posted is for a 1996 or newer model. That is totally different from front to back from a 1995 model. 1996 models were the first to use PTCs. Those are "positive temperature coefficient" current limiters. They are two-terminal semiconductor devices that act like a dead short up to their rated current. Once that current is exceeded, they instantly go open, just like a fuse, and stop all current flow. Once the short is gone, they instantly reset and start passing current again. These are soldered to the circuit board in the fuse box.

This diagram is what I found for a 1996 model. The inside fuse box on a 1995 is right under the dash panel, just in front of the parking brake release lever. On 1996 and newer models, it is attached to the Body Computer, then the whole assembly is bolted to the firewall, in front of the parking brake pedal assembly, and left of the brake pedal.

If you cannot match the relay with this drawing, look at the date of manufacture on the top left of the sticker on the rear of the driver's door opening. That will help insure we are looking at the same vehicle. If there is no sticker there, look on the back of the driver's door. If by chance that got painted over at a body shop, look for the year listed on the emissions sticker under the hood.

Oct 22, 2018 at 5:47 PM