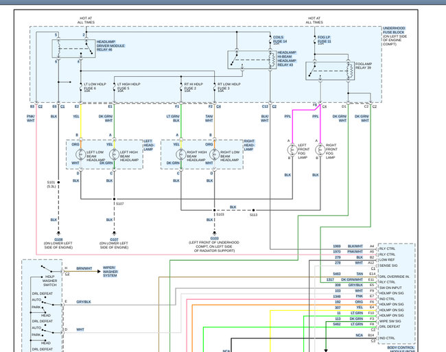
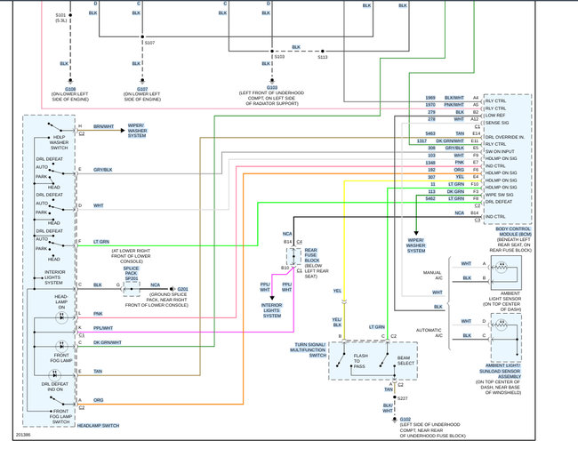
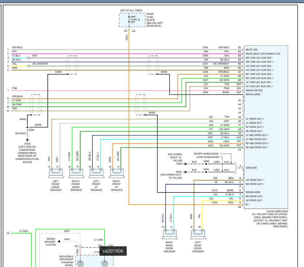
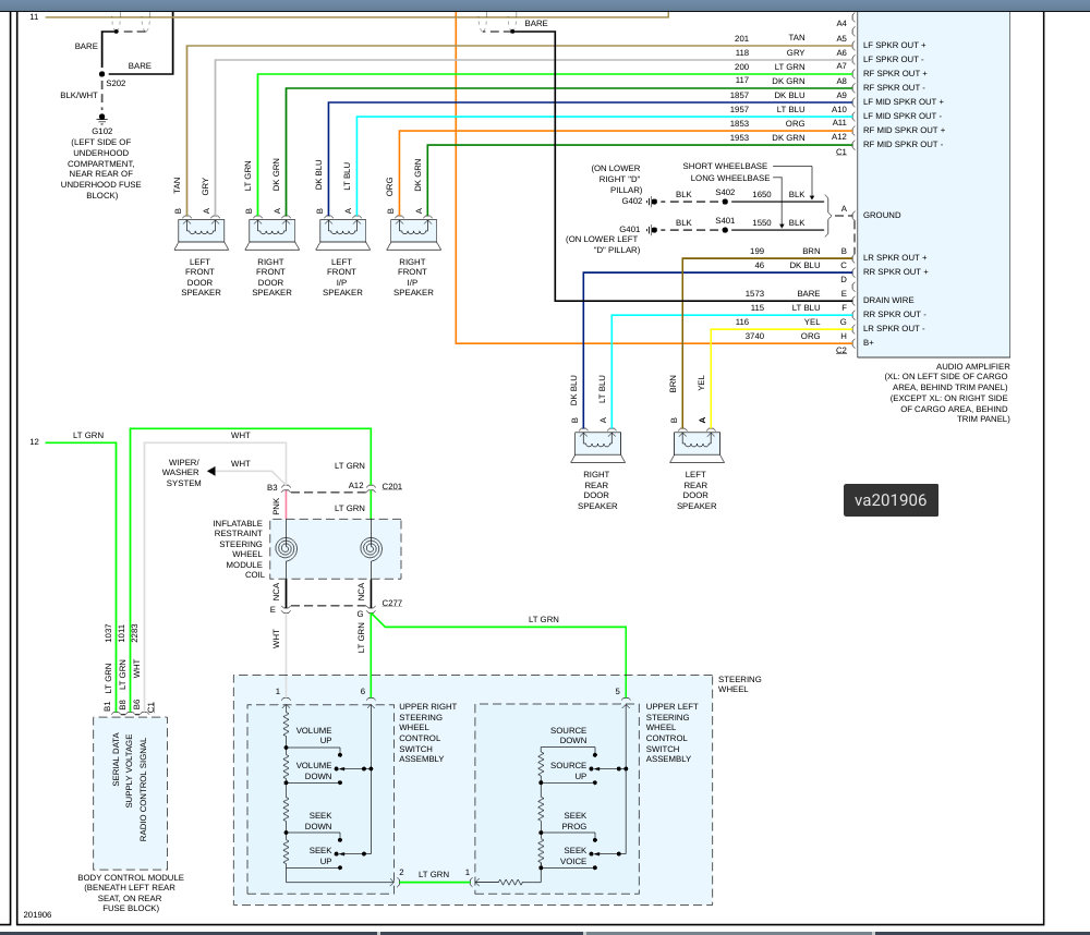
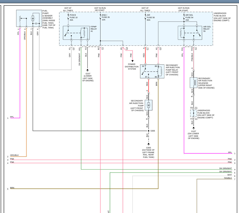
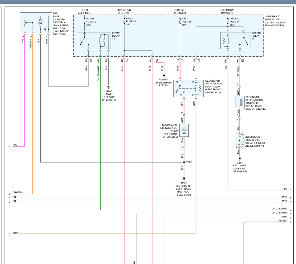
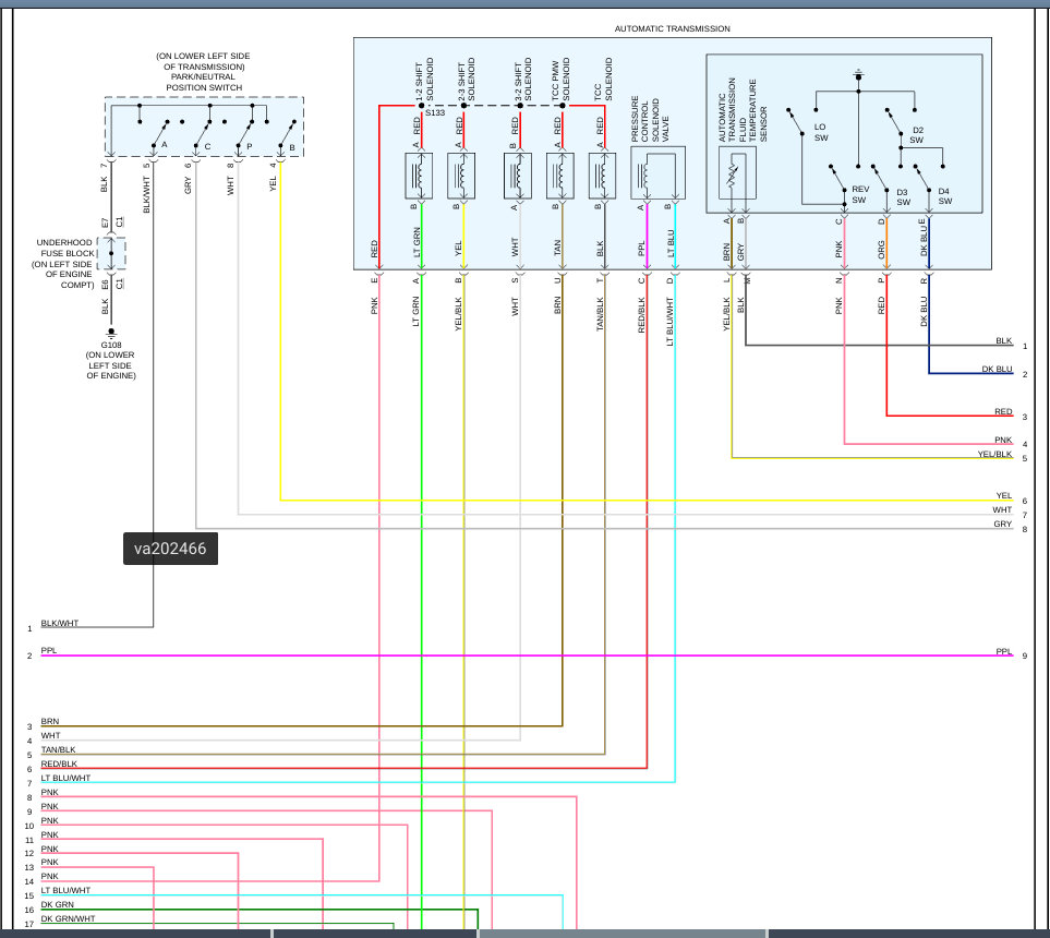
Relays under hood keep going out. Lights, radio, computer port, etc. Needed a fuse in panel under seat. Changed that, then radio went out. I’m convinced there’s a shortage. Sometimes when I apply brakes the low beam lights will come back on for just a few minutes. Do we start looking for a shortage here? Can’t find a diagram showing a map of wires and where they go. And yes I’m a girl with limited knowledge! Unfortunately I know this problem well. I’ve replaced low beam relay 3 times. Instead of replacing 3 more I’m convinced the problem is a shortage since new fuse didn’t fix. Where do we even start to look? Can you help please and can you tell me where to find a wiring map?
Jan 29, 2020 at 1:07 PM






















