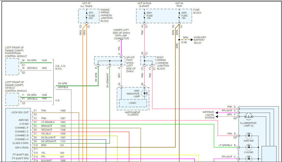
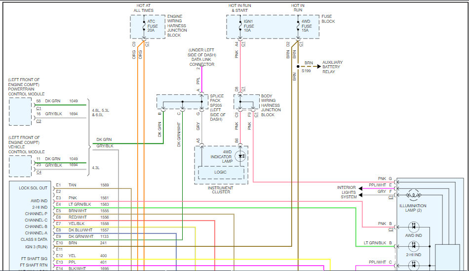
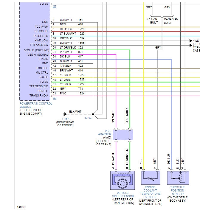
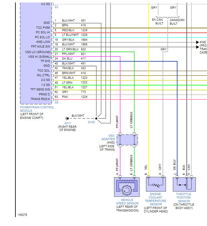
Four wheel drive doesn't work. replaced encoder motor brand new, replaced front differential electric actuator brand new. replaced push button in the dash brand new. and replaced transmission control module. besides steering column left side four wheel drive works fine only for short. Of time on the first drive doesn't matter in Auto high or two will drive within the first 10-15 minutes of driving a burning smell is smelled and then the fuse blows under the hood the 20 amp transfer case fuse but it also fries the computer when you replace the fuse the lights on the dash only flicker when you turn the key on momentarily and then there's no function out of the buttons. Then you put another new transmission control module works perfect same thing within 15 minutes smelling burn and smell pull the fuse out didn't matter still burn to the transmission control module up put a third one tested wires trying to find the fault found a 7-pin plug for hauling trailer was shorted out had mud in the plug anyway prepared that now fuses not reading short to ground but still have problem with computers burning up with everything plugged in I don't know what to unplug of replaced everything I even put the old front actuator back in and drove it and it did the same thing.
Aug 27, 2021 at 12:45 AM











