Hi,
There are different transmission options. I will provide directions for both procedures. The attached pics correlate with the directions.
______________________________________
Trans 6T70 / 6Tt75
2010 Chevy Truck Equinox AWD L4-2.4L
Transmission Replacement
Vehicle Transmission and Drivetrain Automatic Transmission/Transaxle Service and Repair Removal and Replacement 6T70/6T75 - Automatic Transmission Transmission Replacement
TRANSMISSION REPLACEMENT
Transmission Replacement (AWD)
Removal Procedure
1. Remove the battery tray. Refer to Battery Tray Replacement (See: Battery Tray > Removal and Replacement > Battery Tray Replacement).
2. Remove the transmission range select lever cable and bracket.
3. Drain the transmission fluid. Refer to Transmission Fluid Replacement ().
pic 1
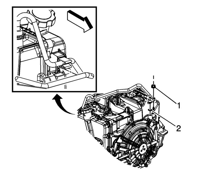
4. Remove the wire harness retainer (2) from the control valve body cover stud.
5. Disconnect the control valve body transmission control module (TCM) electrical connector (1).
pic 2
6. Remove the transmission fluid cooler pipe retainer nut (1).
7. Remove the transmission fluid cooler inlet hose and seal (2) from the transmission.
8. Plug and/or cap the hose and transmission to prevent contamination.
pic 3
9. Remove the transmission fluid cooler pipe retainer nut (1).
10. Remove the transmission fluid cooler outlet hose and seal (2) from the transmission.
11. Plug and/or cap the hose and transmission to prevent contamination.
12. Disconnect both pipes from the retainer.
13. Install the engine support fixture. Refer to Engine Support Fixture (See: Engine > Removal and Replacement > Engine Support Fixture).
14. Remove the right catalytic converter and pipe assembly. Refer to Catalytic Converter Replacement - Right Side (LF1) ().
15. Use a transmission jack in order to support the transmission.
16. Remove the rear transmission mount from the transmission. Refer to Transmission Rear Mount Replacement (See: Transmission Mount, A/T > Removal and Replacement > Transmission Rear Mount Replacement).
17. Remove the front transmission mount from the transmission. Refer to Transmission Front Mount Replacement (See: Transmission Mount, A/T > Removal and Replacement > Transmission Front Mount Replacement).
18. Remove the left transmission mount from the transmission. Refer to Transmission Mount Replacement - Left Side (See: Transmission Mount, A/T > Removal and Replacement > Transmission Mount Replacement - Left Side).
pic 4
19. Remove the upper transmission to engine bolts (1, 2).
20. Remove the frame. Refer to Drivetrain and Front Suspension Frame Replacement (See: Frame > Removal and Replacement > Drivetrain and Front Suspension Frame Replacement).
21. Disconnect the wheel drive shafts from the transmission and transfer case. Refer to Front Wheel Drive Shaft Replacement (See: Axle Shaft Assembly > Removal and Replacement).
22. Remove the transfer case from the transmission. Refer to Transfer Case Assembly Replacement (See: Transfer Case > Removal and Replacement > Transfer Case Assembly Replacement).
pic 5
23. Remove the starter. Refer to Starter Replacement (LAF) (See: Starter Motor > Removal and Replacement)Starter Replacement (LF1) (See: Starter Motor > Removal and Replacement).
24. Mark the relationship of the flywheel to the torque converter for reassembly.
25. Remove the torque converter to flywheel bolts.
pic 6
26. Remove the flywheel inspection cover bolts (2, 3).
27. Remove the flywheel inspection cover (1).
28. Remove the remaining transmission bolts (4).
Note: Insure the torque converter remains securely in place on the transmission input shaft while separating and removing the transmission.
29. Separate the transmission from the engine.
30. Lower the transmission with the transmission jack far enough to remove the transmission.
Installation Procedure
1. Raise the transmission with the transmission jack and position the transmission to the engine.
pic 7
Caution: Refer to Fastener Caution (See: Vehicle > Vehicle Damage Warnings > Fastener Caution).
2. Install the transmission bolts (4) and tighten to 75 Nm (55 lb ft).
3. Install the flywheel inspection cover (1).
4. Install the flywheel inspection cover bolts (2, 3) and tighten to 75 Nm (55 lb ft).
5. Install the transfer case to the transmission. Refer to Transfer Case Assembly Replacement (See: Transfer Case > Removal and Replacement > Transfer Case Assembly Replacement).
6. Remove the transmission jack.
pic 8
Note: If reusing the torque converter bolts, clean the threads and apply LOCTITE(TM)242, GM P/N 12345382 (Canadian P/N 10953489) or equivalent to the threads prior to installation.
7. Install the torque converter to flywheel bolts and tighten to 62 Nm (46 lb ft).
8. Install the starter. Refer to Starter Replacement (LAF) (See: Starter Motor > Removal and Replacement)Starter Replacement (LF1) (See: Starter Motor > Removal and Replacement).
9. Install the front transmission mount to the transmission. Refer to Transmission Front Mount Replacement (See: Transmission Mount, A/T > Removal and Replacement > Transmission Front Mount Replacement).
10. Install the rear transmission mount to the transmission. Refer to Transmission Rear Mount Replacement (See: Transmission Mount, A/T > Removal and Replacement > Transmission Rear Mount Replacement).
11. Install the left transmission mount to the transmission. Refer to Transmission Mount Replacement - Left Side (See: Transmission Mount, A/T > Removal and Replacement > Transmission Mount Replacement - Left Side).
12. Install the wheel drive shafts to the transmission. Refer to Front Wheel Drive Shaft Replacement (See: Axle Shaft Assembly > Removal and Replacement).
13. Install the frame. Refer to Drivetrain and Front Suspension Frame Replacement (See: Frame > Removal and Replacement > Drivetrain and Front Suspension Frame Replacement).
pic 9
14. Install the upper transmission to engine bolt (1, 2) and tighten to 75 Nm (55 lb ft).
15. Install the right catalytic converter and pipe assembly. Refer to Catalytic Converter Replacement - Right Side (LF1) ().
16. Remove the engine support fixture.
17. Lower the vehicle.
pic 10
18. Install the transmission fluid cooler outlet hose and seal (2) to the transmission.
19. Install the transmission fluid cooler pipe retainer nut (1) and tighten to 22 Nm (16 lb ft).
pic 11
20. Install the transmission fluid cooler inlet hose and seal (2) to the transmission.
21. Install the transmission fluid cooler pipe retainer nut (1) and tighten to 22 Nm (16 lb ft).
pic 12
22. Connect the control valve body TCM electrical connector (1).
23. Install the wire harness retainer (2) to the control valve body cover stud and tighten the nut to 12 Nm (106 lb in).
24. Install the transmission range select lever cable and bracket.
25. Install the battery tray. Refer to Battery Tray Replacement (See: Battery Tray > Removal and Replacement > Battery Tray Replacement).
26. Adjust the automatic transmission range selector lever cable. Refer to Range Selector Lever Cable Adjustment (See: Shift Cable, A/T > Adjustments).
27. Fill the transmission with fluid. Refer to Transmission Fluid Replacement ().
28. For transmission control module programming and setup, refer to Transmission Control Module Programming and Setup (6T30/6T40/6T45/6T50) (See: Automatic Transmission/Transaxle > Programming and Relearning > Transmission Control Module Programming and Setup)Transmission Control Module Programming and Setup (6T70) (See: Automatic Transmission/Transaxle > Programming and Relearning > Transmission Control Module Programming and Setup).
Note: After an internal transmission repair or internal part replacement the service fast learn adapt procedure should be performed.
29. Perform the transmission adaptive values learn procedure. Refer to Transmission Adaptive Values Learn (See: Automatic Transmission/Transaxle > Programming and Relearning > Transmission Adaptive Values Learn).
30. Road test the vehicle.
_________________________________________________
Trans 6T30 / 6T40 / 6T45
2010 Chevy Truck Equinox AWD L4-2.4L
Transmission Replacement
Vehicle Transmission and Drivetrain Automatic Transmission/Transaxle Service and Repair Removal and Replacement 6T30/6T40/6T45 - Automatic Transmission Transmission Replacement
TRANSMISSION REPLACEMENT
Transmission Replacement
Removal Procedure
1. Remove the battery tray. Refer to Battery Tray Replacement (See: Battery Tray > Removal and Replacement > Battery Tray Replacement).
2. Remove the transmission range select lever cable and bracket. Refer to Range Selector Lever Cable Bracket Replacement (See: Shift Cable, A/T > Removal and Replacement).
pic 13
3. Remove the left transmission mount bolts (1) from the transmission.
4. Drain the transmission fluid. Refer to Transmission Fluid Replacement ().
pic 14
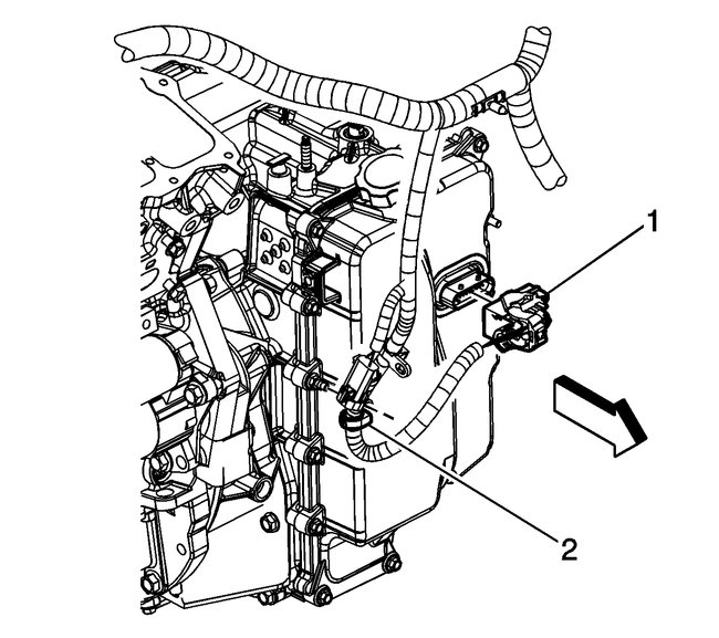
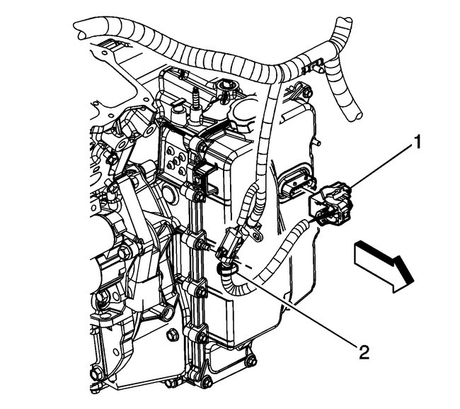
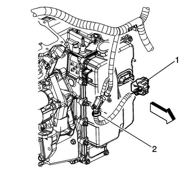
5. Disconnect the control valve body transmission control module (TCM) electrical connector (1).
pic 15
6. Remove the oil cooler inlet (1) and outlet (5) hoses from the retainer (2) on the control valve body cover.
7. Remove the transmission fluid cooler inlet hose nut (3) from the transmission.
8. Remove the transmission fluid cooler inlet hose (1) from the transmission.
9. Remove the transmission fluid cooler outlet hose nut (4) from the transmission.
10. Remove the transmission fluid cooler outlet hose (5) from the transmission.
11. Plug and/or cap the hose and transmission to prevent contamination.
pic 16
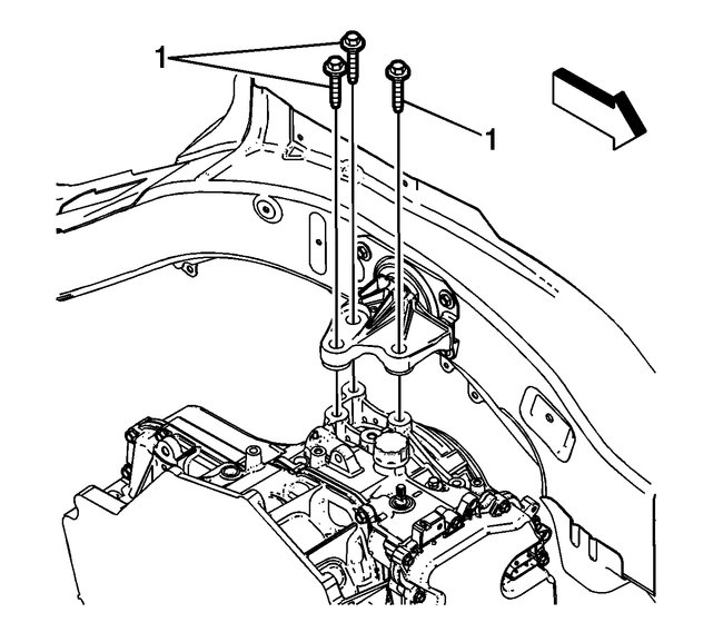
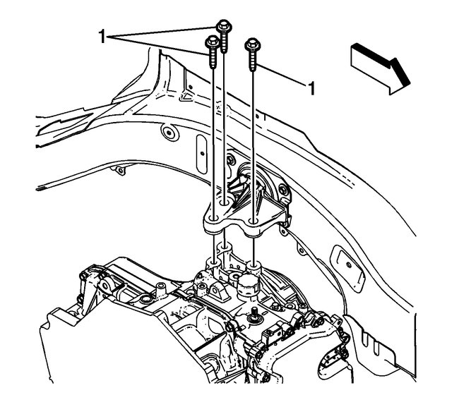
12. Remove the upper transmission to engine bolts (2).
13. Remove the frame. Refer to Drivetrain and Front Suspension Frame Replacement (See: Frame > Removal and Replacement > Drivetrain and Front Suspension Frame Replacement).
14. Disconnect the wheel drive shafts and intermediate shaft from the transmission. Refer to Front Wheel Drive Shaft Replacement (See: Axle Shaft Assembly > Removal and Replacement).
15. On AWD equipped vehicles, remove the transfer case. Refer to Transfer Case Assembly Replacement (See: Transfer Case > Removal and Replacement > Transfer Case Assembly Replacement)
16. Remove the rear transmission mount bracket from the transmission. Refer to Transmission Rear Mount Bracket Replacement (AWD) (See: Transmission Mount, A/T > Removal and Replacement > Transmission Rear Mount Bracket Replacement)Transmission Rear Mount Bracket Replacement (FWD) (See: Transmission Mount, A/T > Removal and Replacement > Transmission Rear Mount Bracket Replacement).
17. Remove the front transmission mount from the transmission. Refer to Transmission Front Mount Replacement (See: Transmission Mount, A/T > Removal and Replacement > Transmission Front Mount Replacement).
pic 17
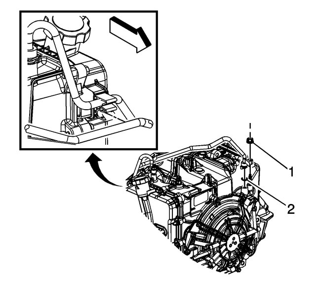
18. Remove the starter. Refer to Starter Replacement (LAF) (See: Starter Motor > Removal and Replacement)Starter Replacement (LF1) (See: Starter Motor > Removal and Replacement).
19. Mark the relationship of the flywheel to the torque converter for reassembly.
20. Remove the torque converter to flywheel bolts (1).
21. Use a transmission jack in order to support the transmission.
pic 18
22. Remove the remaining transmission bolts (1, 3, 4).
Note: Insure the torque converter remains securely in place on the transmission input shaft while separating and removing the transmission.
23. Separate the transmission from the engine.
24. Lower the transmission with the transmission jack far enough to remove the transmission.
Installation Procedure
1. Raise the transmission with the transmission jack and position the transmission to the engine.
pic 19
Caution: Refer to Fastener Caution (See: Vehicle > Vehicle Damage Warnings > Fastener Caution).
2. Install the transmission bolts (1, 3, 4) and tighten to 75 Nm (55 lb ft).
3. Remove the transmission jack.
pic 20
4. Install the torque converter to flywheel bolts (1) and tighten to 62 Nm (46 lb ft).
5. Install the starter. Refer to Starter Replacement (LAF) (See: Starter Motor > Removal and Replacement)Starter Replacement (LF1) (See: Starter Motor > Removal and Replacement).
6. Install the front transmission mount to the transmission. Refer to Transmission Front Mount Replacement (See: Transmission Mount, A/T > Removal and Replacement > Transmission Front Mount Replacement).
7. On AWD equipped vehicles, install the transfer case. Refer to Transfer Case Assembly Replacement (See: Transfer Case > Removal and Replacement > Transfer Case Assembly Replacement).
8. Install the rear transmission mount bracket to the transmission. Refer to Transmission Rear Mount Bracket Replacement (AWD) (See: Transmission Mount, A/T > Removal and Replacement > Transmission Rear Mount Bracket Replacement)Transmission Rear Mount Bracket Replacement (FWD) (See: Transmission Mount, A/T > Removal and Replacement > Transmission Rear Mount Bracket Replacement).
9. Install the intermediate drive shaft and wheel drive shafts to the transmission. Refer to Front Wheel Drive Shaft Replacement (See: Axle Shaft Assembly > Removal and Replacement).
10. Install the frame. Refer to Drivetrain and Front Suspension Frame Replacement (See: Frame > Removal and Replacement > Drivetrain and Front Suspension Frame Replacement).
pic 21
11. Install the upper transmission to engine bolts (2) an tighten to 75 Nm (55 lb ft).
pic 22
12. Install the transmission fluid cooler outlet hose (5) to the transmission.
13. Install the transmission fluid cooler outlet hose retainer nut (4) and tighten to 22 Nm (16 lb ft).
14. Install the transmission fluid cooler inlet hose (1) to the transmission.
15. Install the transmission fluid cooler inlet hose retainer nut (3).
16. Install the oil cooler inlet (1) and outlet (5) hoses to the retainer (2) on the control valve body cover.
pic 23
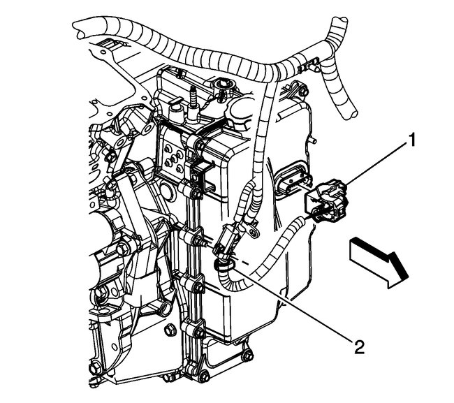
17. Connect the control valve body TCM electrical connector (1).
18. Install the transmission range select lever cable and bracket. Refer to Range Selector Lever Cable Bracket Replacement (See: Shift Cable, A/T > Removal and Replacement).
19. Install the battery tray. Refer to Battery Tray Replacement (See: Battery Tray > Removal and Replacement > Battery Tray Replacement).
20. Adjust the automatic transmission range selector lever cable. Refer to Range Selector Lever Cable Adjustment (See: Shift Cable, A/T > Adjustments).
21. Fill the transmission with fluid. Refer to Transmission Fluid Replacement ().
pic 24
22. Install the left transmission mount bolts (1) to the transmission and tighten to 50 Nm (37 lb ft).
23. For transmission control module programming and setup, refer to Control Module References (See: Vehicle > Programming and Relearning).
Note: After an internal transmission repair or internal part replacement the service fast learn adapt procedure should be performed.
24. Perform the transmission adaptive values learn procedure. Refer to Transmission Adaptive Values Learn (See: Automatic Transmission/Transaxle > Programming and Relearning > Transmission Adaptive Values Learn).
25. Road test the vehicle.
_____________________________________________
I hope this helps. Let me know if you have other questions.
Take care,
Joe
Images (Click to enlarge)
Oct 19, 2020 at 2:49 PM