My ABS, Brake, Traction lights would come on occasionally. As I have a second 2001 Deville that doesn't have any issues with the ABS, I took the ABS control module off and put it on the Deville that was getting the intermittent ABS Brake Traction warnings.
After replacing the module, I now get the ABS and Traction Warnings plus "Service stability System" readout. Running the codes I get:
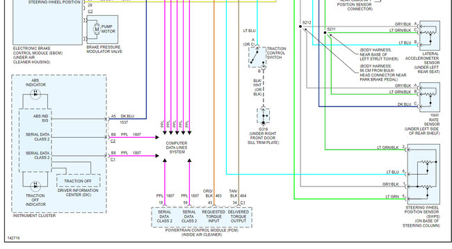
ABS C1242 Current
ABS C1282 Current
ABS C1284 Current
ABS C1285 Current
ABS C1287 Current
ABS C1288 Current
I try to clear the codes but they don’t clear.
When I changed the module, I was careful to clean the contacts with electronic cleaner and dry them with compressed air before making the connections to the module.
Any help would be greatly appreciated.
After replacing the module, I now get the ABS and Traction Warnings plus "Service stability System" readout. Running the codes I get:
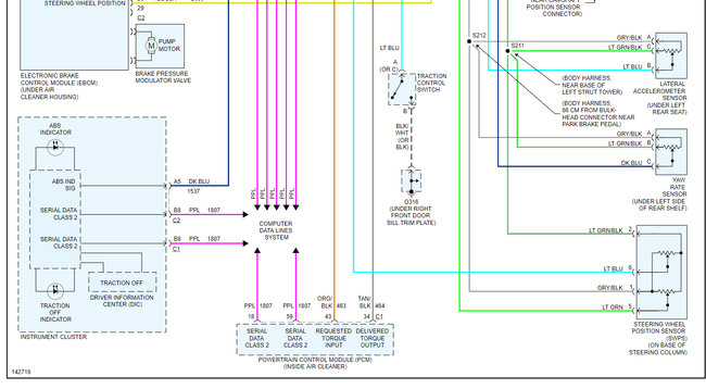
ABS C1242 Current
ABS C1282 Current
ABS C1284 Current
ABS C1285 Current
ABS C1287 Current
ABS C1288 Current
I try to clear the codes but they don’t clear.
When I changed the module, I was careful to clean the contacts with electronic cleaner and dry them with compressed air before making the connections to the module.
Any help would be greatly appreciated.
Apr 13, 2021 at 2:45 PM














